Rozšířené hledání} Informace o členství Kontaktní informace Seznam uživatelů Kalendář Spřátelené weby Honda-club.cz Přihlásit se k emailu
[2]
Linka Uživatelské skupiny Linka Galerie avatarů Linka Kdo je online Linka
Linka Jak se stát členem klubu Linka Stáhnout stanovy sdružení Linka Výhody pro členy klubu Linka
  Obsah fóra Honda-club.cz   
Středový panel v P4G
Fórum: Interiér a Hi-Fi
0
Pomohlo ti toto téma?   
Zobrazit příspěvky z předchozích:
 Řadit příspěvky dle: 
Zaslat odpověď



  Strana 1 z 1
Stealman je teď offline  Stealman
2 háčka
Členství: Žádné
0
PříspěvekZaslal: 31.5.2009 , 15:48   Citovat  

Zdravím kolegové, potřeboval bych poradit, jak vyndat v preludce středový panel nad rádiem. Takovej plast co obaluje ty dvě foukátka a knoflíky s nastavenim odkud má foukat vzduch a šoupátko s teplotou .. trochu se mi na to vylila voňavka a ono to vyžralo stříbrnou barvu (celkem svinstvo ...) takže to potřebuju vyndat a chtěl bych si to polepit karbonovým vláknem nebo samolepkou eventuelně nastříkat kdyby se mi to nelíbilo. Ale nepovedlo se mi to zatim vyndat, tak hádam že tam bude asi někde nějakej šroub nebotak .. hodila by se mi rada od někoho kdo to už dělal.

A jako doplňkovou věc... jsem se chtěl poptat jestli jste někdo dělali s karbonovým vláknem (musí se to přilepit na povrch vybrousit vyleštit nalakovat zas vleštit .. je to složitější postup ale lepší výsledek než samolepka) tak pokud jo tak nějaký zkušenosti by přišly vhod Úsměv
   Pomohl ti příspěvěk? Návrat  
    
Zobrazit informace o autorovi Osobní garáž Odeslat soukromou zprávu
Příspěvky: 554 H+ body: 0 1994 Prelude  
Newer je teď offline  Newer
Zlobivec [1]
0
PříspěvekZaslal: 31.5.2009 , 17:03   Citovat  

chces vyndat ? predpolkadam to jak sou tam ty dve souplatka?
budes muset odpojit ocelovy lanko na tahlu teploty, jinak to neni problem je to jen zacvakli
(vyndaval jsem to kdyz jsem rozebiral komplet palubku takze jsem mel sundanej i stredovej tunel a ten tunel co je u radicky) + ramecek co drzi ramecek na radio ..
ale prace je to pitoma drzim palce, s tim lankem je to pekny sran*
   Pomohl ti příspěvěk? Návrat  
    
Zobrazit informace o autorovi  Odeslat soukromou zprávu
Příspěvky: 4903 H+ body: 2  
Riccardo je teď offline  Riccardo
3 háčka
Členství: Žádné
0
PříspěvekZaslal: 31.5.2009 , 19:45   Citovat  

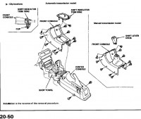
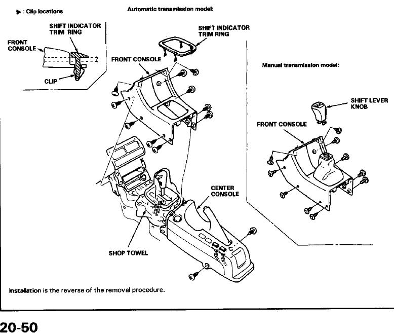
Nevím, jestli z toho budeš moudrý, ale manuál říká toto:


p4g.JPG

Zobrazení obrázku v plné velikosti.
p4g.JPG, 89.45 kB

p4g.JPG

Zobrazení obrázku v plné velikosti.
p4g.JPG, 69.25 kB

p4g.JPG

Zobrazení obrázku v plné velikosti.
p4g.JPG, 61.05 kB
   Pomohl ti příspěvěk? Návrat  
    
Zobrazit informace o autorovi Osobní garáž Odeslat soukromou zprávu
Příspěvky: 1287 H+ body: 0 1992 Prelude Si  

  Obsah fóra Honda-club.cz   
Středový panel v P4G
Fórum: Interiér a Hi-Fi
0
Pomohlo ti toto téma?   
Zobrazit příspěvky z předchozích:
 Řadit příspěvky dle: 
Zaslat odpověď



 Časy uváděny v GMT + 1 hodina  
    
Nemůžete odesílat nové téma do tohoto fóra.
Nemůžete odpovídat na témata v tomto fóru.
Nemůžete upravovat své příspěvky v tomto fóru.
Nemůžete mazat své příspěvky v tomto fóru.
Nemůžete hlasovat v tomto fóru.
Můžete k příspěvkům připojovat soubory
Můžete stahovat a prohlížet přiložené soubory
Nemůžete moderovat Vaše témata v tomto fóru.



Board Security

(104575 útoků)
::  www.honda-club.cz  :: Témata RSS TOPlist

[ Čas: 0.0641s ][ Dotazy: 39 (0.0075s) ][ GZIP on - Debug on ]