Rozšířené hledání} Informace o členství Kontaktní informace Seznam uživatelů Kalendář Spřátelené weby Honda-club.cz Přihlásit se k emailu
[2]
Linka Uživatelské skupiny Linka Galerie avatarů Linka Kdo je online Linka
Linka Jak se stát členem klubu Linka Stáhnout stanovy sdružení Linka Výhody pro členy klubu Linka
  Obsah fóra Honda-club.cz   
Problém se spínáním čerpadla
Fórum: Elektroinstalace
0
Pomohlo ti toto téma?   
Zobrazit příspěvky z předchozích:
 Řadit příspěvky dle: 
Zaslat odpověď



  Strana 1 z 1
Borisek je teď offline  Borisek
1 háčko
0
PříspěvekZaslal: 6.9.2009 , 20:00   Citovat  

Zdravím,

mám problém se sepnutím palivového čerpadla...
čerpadlo je v pořádku! (otestováno)
problém nejspíše nastává u relé (v manuálu označené "main rele") relé samotné by mělo být v pořádku, ale na patici k němu je už malé napětí na některých pinech(srovnával jsem to s manuálem). Problém je že manuál jako jediné řešení vidí výměnu pojistky(nefunguje) problém je v tom že nejsem uplně na těch pinech bez napětí ale mám jen ubytek cca5-6V což neudrží relé sepnuté. Pokoušel jsem se jít postupně po drátech a prostříkat jejich patice kontaktolem abych se zbavil případného velkého přechodového odporu(nepomohlo). Nevím jestli jsem je totiž našel všechny stopovat ty draty je teměř nemožné.

Takže by mi nejvíce pomohlo kdyby měl někdo přimo servisní schéma kde je rozkreslená celá elektrika v autě tak nějak komplexně.
A uplně nej by bylo kdyby to už někdo z vás řešil a věděl co stím a kde:-D a nebo máte nějaká nápad na zamyšlení co stím díky za rady.
   Pomohl ti příspěvěk? Návrat  
    
Zobrazit informace o autorovi  Odeslat soukromou zprávu
Příspěvky: 175 H+ body: 1  
Borisek je teď offline  Borisek
1 háčko
0
PříspěvekZaslal: 6.9.2009 , 20:07   Citovat  

jedna se o hondu crxIIg.motor D16Z5
   Pomohl ti příspěvěk? Návrat  
    
Zobrazit informace o autorovi  Odeslat soukromou zprávu
Příspěvky: 175 H+ body: 1  
Yokohama je teď offline  Yokohama
1 háčko
0
PříspěvekZaslal: 6.9.2009 , 20:13   Citovat  

měl sem s tím problém taky asi sem nebyl sám,někdo to ut řešil nechcu to hledat ,vyplynulo z diskuze že musíš znova přeletovat relé
   Pomohl ti příspěvěk? Návrat  
    
Zobrazit informace o autorovi  Odeslat soukromou zprávu
Příspěvky: 214 H+ body: 0  
FastCivic je teď offline  FastCivic
5 háček
Členství: Žádné
0
PříspěvekZaslal: 6.9.2009 , 20:20   Citovat  

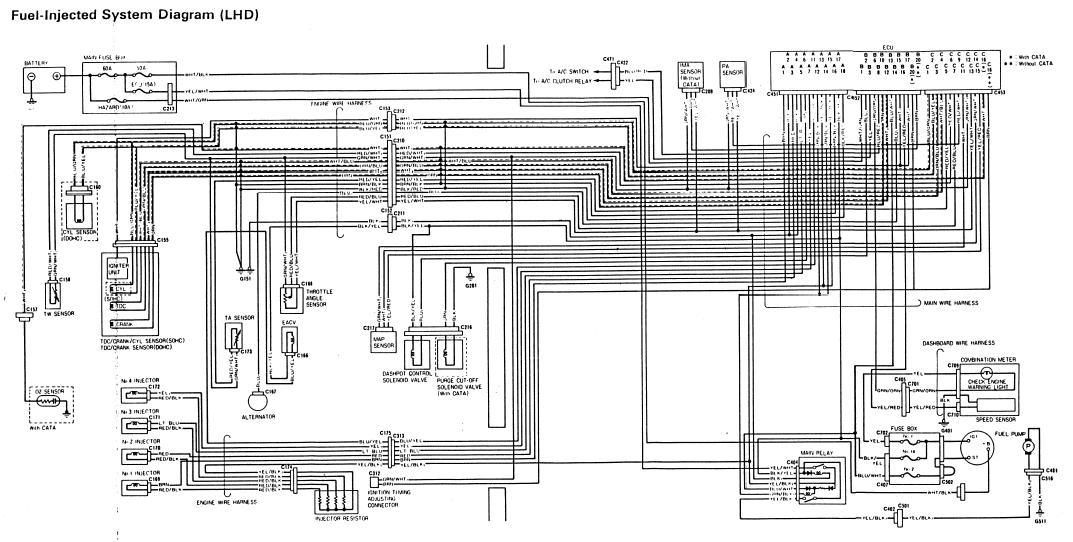
jako treba tohle? najdes to i v manualu a kvalitnejsi


Fuel injected system diagram.JPG

Zobrazení obrázku v plné velikosti.
Fuel injected system diagram.JPG, 117.04 kB
   Pomohl ti příspěvěk? Návrat  
    
Zobrazit informace o autorovi Osobní garáž Odeslat soukromou zprávu
Příspěvky: 10246 H+ body: 28 1989 Civic  
Minor je teď offline  Minor
5 háček
Členství: Žádné
0
PříspěvekZaslal: 6.9.2009 , 20:21   Citovat  

Pokud jsi z Prahy, půjčím ti na vyzkoušení jiné relé, kdyby to náhodou bylo přece jen v něm a abys nehledal jak blázen někde v kabeláži.
Jinak schéma kabeláže je v manuálu.
   Pomohl ti příspěvěk? Návrat  
    
Zobrazit informace o autorovi Osobní garáž Odeslat soukromou zprávu
Příspěvky: 13818 H+ body: 91 1990 Civic VTEC  
Borisek je teď offline  Borisek
1 háčko
0
PříspěvekZaslal: 6.9.2009 , 20:32   Citovat  

no pravě že sem s moravy Novy jičín no ješte dodam že auto jelo a bylo rozebrane do šroubku protože ho restauruju a po dvou letech složim a toto ale kabelaž co je pod přistrojovkou sem vytahlou neměl
   Pomohl ti příspěvěk? Návrat  
    
Zobrazit informace o autorovi  Odeslat soukromou zprávu
Příspěvky: 175 H+ body: 1  
Minor je teď offline  Minor
5 háček
Členství: Žádné
0
PříspěvekZaslal: 6.9.2009 , 20:38   Citovat  

Popiš trochu víc, jak se to chová, když chceš startovat.
Nechybí ti někde zapojení kostry?
   Pomohl ti příspěvěk? Návrat  
    
Zobrazit informace o autorovi Osobní garáž Odeslat soukromou zprávu
Příspěvky: 13818 H+ body: 91 1990 Civic VTEC  
Borisek je teď offline  Borisek
1 háčko
0
PříspěvekZaslal: 6.9.2009 , 20:46   Citovat  

no otočim klič do polohy kdy se rosvíti všechny kontrolky a to rele začne cvakat jak zběsile a blika i ta oranžova kontrolka s obraskem motoru a čerpadlo se netoči a když začnu startovat tak motor se normalně toči ale prostě nejde benzín tak nenaskočí a ty kostry by měly byt v pořadku, a když nemam nasazenou přistrojovku tak by to nemělo vadit ne mam zaple jenom budiky
   Pomohl ti příspěvěk? Návrat  
    
Zobrazit informace o autorovi  Odeslat soukromou zprávu
Příspěvky: 175 H+ body: 1  
Minor je teď offline  Minor
5 háček
Členství: Žádné
0
PříspěvekZaslal: 6.9.2009 , 20:54   Citovat  

Pokud bliká oranžová kontrolka, je něco špatně, ale není to reléÚsměv
Ecu - a tím pádem oranžová kontrolka - neumí poznat, jestli relé sepne pumpu nebo ne, takže i když je relé špatné, kontrolka se nerozsvěcí.
   Pomohl ti příspěvěk? Návrat  
    
Zobrazit informace o autorovi Osobní garáž Odeslat soukromou zprávu
Příspěvky: 13818 H+ body: 91 1990 Civic VTEC  
Borisek je teď offline  Borisek
1 háčko
0
PříspěvekZaslal: 6.9.2009 , 21:06   Citovat  

no problem je v tom že mame na konektoru k rele malé napětí (podle kontrolních testu z manualu) tím padem to relé nedokáže byt trvale sepnuté a pořád se spíná a rozpíná to je hlavní duvod blikající kontrolky. Dáva tomu vlastně falešné impulzy že je pupa co chvílii sepnutá
   Pomohl ti příspěvěk? Návrat  
    
Zobrazit informace o autorovi  Odeslat soukromou zprávu
Příspěvky: 175 H+ body: 1  
Minor je teď offline  Minor
5 háček
Členství: Žádné
0
PříspěvekZaslal: 6.9.2009 , 21:10   Citovat  

Zkus odpojit konektor od relé, jestli bude kontrolka stále stejně blikat.
   Pomohl ti příspěvěk? Návrat  
    
Zobrazit informace o autorovi Osobní garáž Odeslat soukromou zprávu
Příspěvky: 13818 H+ body: 91 1990 Civic VTEC  
Borisek je teď offline  Borisek
1 háčko
0
PříspěvekZaslal: 6.9.2009 , 21:13   Citovat  

když se rele odpoji tak kontrolka sviti bez blikani
   Pomohl ti příspěvěk? Návrat  
    
Zobrazit informace o autorovi  Odeslat soukromou zprávu
Příspěvky: 175 H+ body: 1  
Wayne je teď offline  Wayne
Moderátor
Členství: Žádné
0
PříspěvekZaslal: 7.9.2009 , 7:44   Citovat  

Spis to vypada,ze je problem jinde a ECU zmatene nechava spinat rele. tudy Tady mas vypis chybovych kodu,zjisti ten svuj a poreferuj nam.
   Pomohl ti příspěvěk? Návrat  
    
Zobrazit informace o autorovi  Odeslat soukromou zprávu
Příspěvky: 2450 H+ body: 0  
monty je teď offline  monty
Moderátor
Členství: Žádné
0
PříspěvekZaslal: 7.9.2009 , 9:54   Citovat  

já bych se vrátil k těm kostrám ,tohle je typický projev kostry např na volným šroubu , případně neukostřenýho obvodu ,bere si to pak ukostření přes spotřebiče a jak se mění zatížení tak to blbne -včetně ubytků napětí , protože je pak kostra vedená přes některou součástku v serii na které je pak samozřejmě ubytek napětí .
a ještě baterka je ok ? nemá rozpadlej článek =dává 12,5v ?
   Pomohl ti příspěvěk? Návrat  
    
Zobrazit informace o autorovi Osobní garáž Odeslat soukromou zprávu
Příspěvky: 5207 H+ body: 45 1988 Prelude  
Riccardo je teď offline  Riccardo
3 háčka
Členství: Žádné
0
PříspěvekZaslal: 7.9.2009 , 15:14   Citovat  

Stalo se mi že mi nefungoval alarm, naměřil jsem na něm napětí jenom 6V namísto 12V a bylo to špatným ukostřením ... takže bych dal na rady Montyho, podíval se do manuálu kde je relé ukostřeno a zkontroloval ...

Vzhledem k tomu, že ti současně bliká i kontrolka motoru, tak bych zkontroloval i ukostření ECU - protože ta by měla řídit dobu počátečního sepnutí relé (2s).

V každém případě já bych začal tím, že odpojím relé úplně a změřím napětí na konektoru proti kostře a pak proti uzemňovacímu pinu. Pak při odpojené baterce ještě změřit odpor mezi uzemňovacím pinem na konektrou relé a kostrou.
   Pomohl ti příspěvěk? Návrat  
    
Zobrazit informace o autorovi Osobní garáž Odeslat soukromou zprávu
Příspěvky: 1287 H+ body: 0 1992 Prelude Si  

  Obsah fóra Honda-club.cz   
Problém se spínáním čerpadla
Fórum: Elektroinstalace
0
Pomohlo ti toto téma?   
Zobrazit příspěvky z předchozích:
 Řadit příspěvky dle: 
Zaslat odpověď



 Časy uváděny v GMT + 1 hodina  
    
Nemůžete odesílat nové téma do tohoto fóra.
Nemůžete odpovídat na témata v tomto fóru.
Nemůžete upravovat své příspěvky v tomto fóru.
Nemůžete mazat své příspěvky v tomto fóru.
Nemůžete hlasovat v tomto fóru.
Můžete k příspěvkům připojovat soubory
Můžete stahovat a prohlížet přiložené soubory
Nemůžete moderovat Vaše témata v tomto fóru.



Board Security

(104575 útoků)
::  www.honda-club.cz  :: Témata RSS TOPlist

[ Čas: 0.1268s ][ Dotazy: 87 (0.0090s) ][ GZIP on - Debug on ]