Rozšířené hledání} Informace o členství Kontaktní informace Seznam uživatelů Kalendář Spřátelené weby Honda-club.cz Přihlásit se k emailu
[1]
Linka Uživatelské skupiny Linka Galerie avatarů Linka Kdo je online Linka
Linka Jak se stát členem klubu Linka Stáhnout stanovy sdružení Linka Výhody pro členy klubu Linka
  Obsah fóra Honda-club.cz   
Výměna Lambda sondy u D16V1 (Civic VTEC 1.6i r.2002)
Fórum: Motor, ECU, spojka a převodovka
0
Pomohlo ti toto téma?   
Zobrazit příspěvky z předchozích:
 Řadit příspěvky dle: 
Zaslat odpověď



  Strana 1 z 1
karelo je teď offline  karelo
0
PříspěvekZaslal: 30.12.2009 , 11:04   Citovat  

Test v servisu mi zjistil vadnou lambda sondu č.1 (před katalyzátorem). Motor běží ok, jen svítí trvale kontrolka ECU. Chci vyměnit za universální Bosch sondu 0258986507. Tato má jiné barvy kabelů. Moje originální má 2x černý (zřejmě vyhřívání) a jeden bílý a jeden zelený. Bílý bude asi plus a zelený asi kostra ? Může mi to někdo potvrdit ? U sondy Bosch je 2x bílá (vyhřívání), černá plus a šedá kostra.
Jinak vadnou sondu mi zjistili na testu již asi před 5 lety. Kontrolka ECU se rozsvěcela jen při delší jízdě na dálnici (kolem 160km/hod). Nyní mi ale svítí i při běžném provozu po městě. Test potvrdil stejnou závadu jako před pár lety. Doufám, že se výměnou sondy závada odstraní ...
   Pomohl ti příspěvěk? Návrat  
    
Zobrazit informace o autorovi  Odeslat soukromou zprávu
Příspěvky: 6 H+ body: 0  
LastV8 je teď offline  LastV8
1 háčko
0
PříspěvekZaslal: 30.12.2009 , 11:07   Citovat  

karelo napsal:
Test v servisu mi zjistil vadnou lambda sondu č.1 (před katalyzátorem). Motor běží ok, jen svítí trvale kontrolka ECU. Chci vyměnit za universální Bosch sondu 0258986507. Tato má jiné barvy kabelů. Moje originální má 2x černý (zřejmě vyhřívání) a jeden bílý a jeden zelený. Bílý bude asi plus a zelený asi kostra ? Může mi to někdo potvrdit ? U sondy Bosch je 2x bílá (vyhřívání), černá plus a šedá kostra.
Jinak vadnou sondu mi zjistili na testu již asi před 5 lety. Kontrolka ECU se rozsvěcela jen při delší jízdě na dálnici (kolem 160km/hod). Nyní mi ale svítí i při běžném provozu po městě. Test potvrdil stejnou závadu jako před pár lety. Doufám, že se výměnou sondy závada odstraní ...

nedali aj kod chyby? kazdy kod chyby moze mat niekolko moznych pricin, mechanicka porucha lambda sondy je len jedna z nich...lahko sa moze stat, ze dava spravne hodnoty a problem je v zmesi...
   Pomohl ti příspěvěk? Návrat  
    
Zobrazit informace o autorovi Osobní garáž Odeslat soukromou zprávu
Příspěvky: 287 H+ body: 1 2004 Civic Coupe  
monty je teď offline  monty
Moderátor
Členství: Žádné
0
PříspěvekZaslal: 30.12.2009 , 13:49   Citovat  

karelo napsal:
Moje originální má 2x černý (zřejmě vyhřívání) a jeden bílý a jeden zelený. Bílý bude asi plus(dejme tomu -je to signál do ecu) a zelený asi kostra
ok OK
   Pomohl ti příspěvěk? Návrat  
    
Zobrazit informace o autorovi Osobní garáž Odeslat soukromou zprávu
Příspěvky: 5207 H+ body: 45 1988 Prelude  
karelo je teď offline  karelo
0
PříspěvekZaslal: 30.12.2009 , 14:12   Citovat  

LastV8 napsal:
nedali aj kod chyby? kazdy kod chyby moze mat niekolko moznych pricin, mechanicka porucha lambda sondy je len jedna z nich...lahko sa moze stat, ze dava spravne hodnoty a problem je v zmesi...


Kód chyby nevím, ale napsalo to "vadná lambda sonda 1". Jinak toho se taky obávám, abych ji nevyměnil a kontrolka nesvítila dál ... Bueee
Sondu mají dodat až někdy příští týden, tak uvidíme.
   Pomohl ti příspěvěk? Návrat  
    
Zobrazit informace o autorovi  Odeslat soukromou zprávu
Příspěvky: 6 H+ body: 0  
Leke je teď offline  Leke
3 háčka
0
PříspěvekZaslal: 30.12.2009 , 14:21   Citovat  

Nejednou jsem cetl o problemu kdy seriova diagnostika hlasila zavadu v te 1. O2,ale ve skutecnosti byla spatna ta za katem...
   Pomohl ti příspěvěk? Návrat  
    
Zobrazit informace o autorovi Osobní garáž Odeslat soukromou zprávu
Příspěvky: 1695 H+ body: 1 2004 Civic  
karelo je teď offline  karelo
0
PříspěvekZaslal: 30.12.2009 , 21:35   Citovat  

Leke napsal:
Nejednou jsem cetl o problemu kdy seriova diagnostika hlasila zavadu v te 1. O2,ale ve skutecnosti byla spatna ta za katem...
Když mi zjistili poprvé před pár lety tu chybu ve značkovém Honda servisu, tak taky říkali, že to může být třeba i vadný katalyzátor a ne vadná sonda. Proto jsem to raději neřešil, když se kontrolka rozsvítila jen výjimečně někdy na dálnici. Teď ale svítí mrcha stále. Nechat raději před výměnou někde proměřit tu sondu speciálním voltmetrem (jak jsem někde četl)?
   Pomohl ti příspěvěk? Návrat  
    
Zobrazit informace o autorovi  Odeslat soukromou zprávu
Příspěvky: 6 H+ body: 0  
LastV8 je teď offline  LastV8
1 háčko
0
PříspěvekZaslal: 30.12.2009 , 23:33   Citovat  

karelo napsal:
Když mi zjistili poprvé před pár lety tu chybu ve značkovém Honda servisu, tak taky říkali, že to může být třeba i vadný katalyzátor a ne vadná sonda. Proto jsem to raději neřešil, když se kontrolka rozsvítila jen výjimečně někdy na dálnici. Teď ale svítí mrcha stále. Nechat raději před výměnou někde proměřit tu sondu speciálním voltmetrem (jak jsem někde četl)?

mne v autorizovanom povedali, ze premerali sondu, ze je ok, ze treba vymenit katalyzator...islo o sondu za katom...vizualne som zistil, ze kabliky pri sonde maju porusenu izolaciu...tak za 2000 korun som si objednal sondu z USA a odvtedy mi nesvieti ziadna kontrolka a vsetko je ok.....aj v autorizovanych sa mylia...
   Pomohl ti příspěvěk? Návrat  
    
Zobrazit informace o autorovi Osobní garáž Odeslat soukromou zprávu
Příspěvky: 287 H+ body: 1 2004 Civic Coupe  
Leke je teď offline  Leke
3 háčka
0
PříspěvekZaslal: 30.12.2009 , 23:54   Citovat  

karelo napsal:
Když mi zjistili poprvé před pár lety tu chybu ve značkovém Honda servisu, tak taky říkali, že to může být třeba i vadný katalyzátor a ne vadná sonda. Proto jsem to raději neřešil, když se kontrolka rozsvítila jen výjimečně někdy na dálnici. Teď ale svítí mrcha stále. Nechat raději před výměnou někde proměřit tu sondu speciálním voltmetrem (jak jsem někde četl)?

Ano,ten voltmetr je osciloskop.Zkus se poptat po nekom,kdo praktikuje paraelni diagnostiku.
Seriova je ta palubni v aute (vyblikani kodu apd.)
a paraelni se zaobira prave tema osciloskopama a jinym merenim fyzikalnich a nefyzikalnich velicin
   Pomohl ti příspěvěk? Návrat  
    
Zobrazit informace o autorovi Osobní garáž Odeslat soukromou zprávu
Příspěvky: 1695 H+ body: 1 2004 Civic  
karelo je teď offline  karelo
0
PříspěvekZaslal: 15.1.2010 , 14:56   Citovat  

Leke napsal:
Ano,ten voltmetr je osciloskop.Zkus se poptat po nekom,kdo praktikuje paraelni diagnostiku.
Seriova je ta palubni v aute (vyblikani kodu apd.)
a paraelni se zaobira prave tema osciloskopama a jinym merenim fyzikalnich a nefyzikalnich velicin


Nechal jsem si změřit tu lambdu na osciloskopu včetně emisí. Zjistili, že pracuje asi jen při vysokých otáčkách a to jen chvílemi, prý chyba vyhřívání sondy. Asi bude fakt vadná. Emise jsou s velkou rezervou ok. Hledali schema zapojení, zda jde okruh vyhřívání přes ECU nebo ne. Schema ale nenašli ani na netu. Prý jedině vyzkoušet novou, universální Bosch se prý nehodí, jedině originální NGK OZA508-H4. Cena cca 5tis. Jít do toho ? Zatím jezdím bez problémů se svítící kontrolkou.
   Pomohl ti příspěvěk? Návrat  
    
Zobrazit informace o autorovi  Odeslat soukromou zprávu
Příspěvky: 6 H+ body: 0  
Leke je teď offline  Leke
3 háčka
0
PříspěvekZaslal: 15.1.2010 , 17:23   Citovat  

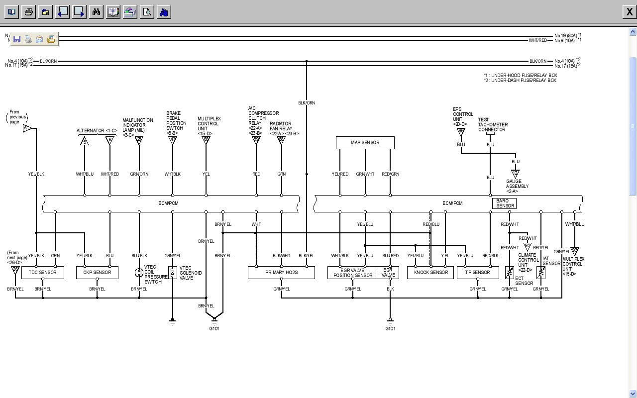
Tady je ta pred katem (primary)


ScreenHunter_1.jpg

Zobrazení obrázku v plné velikosti.
ScreenHunter_1.jpg, 104.35 kB
   Pomohl ti příspěvěk? Návrat  
    
Zobrazit informace o autorovi Osobní garáž Odeslat soukromou zprávu
Příspěvky: 1695 H+ body: 1 2004 Civic  
karelo je teď offline  karelo
0
PříspěvekZaslal: 15.1.2010 , 23:15   Citovat  

Leke napsal:
Tady je ta pred katem (primary)

Dík za schema. Vypadá to, že vyhřívání jde přes řídící jednotku (dva černé BLK vodiče od primary HO2S a jeden vede do ECM/PCM). Chyba by mohla být tedy teoreticky i v řídící jednotce ? Smutný
   Pomohl ti příspěvěk? Návrat  
    
Zobrazit informace o autorovi  Odeslat soukromou zprávu
Příspěvky: 6 H+ body: 0  
LastV8 je teď offline  LastV8
1 háčko
0
PříspěvekZaslal: 15.1.2010 , 23:42   Citovat  

karelo napsal:
Nechal jsem si změřit tu lambdu na osciloskopu včetně emisí. Zjistili, že pracuje asi jen při vysokých otáčkách a to jen chvílemi, prý chyba vyhřívání sondy. Asi bude fakt vadná. Emise jsou s velkou rezervou ok. Hledali schema zapojení, zda jde okruh vyhřívání přes ECU nebo ne. Schema ale nenašli ani na netu. Prý jedině vyzkoušet novou, universální Bosch se prý nehodí, jedině originální NGK OZA508-H4. Cena cca 5tis. Jít do toho ? Zatím jezdím bez problémů se svítící kontrolkou.


ja som si z USA objednal nejaku takuto:
tudy odkaz
a vysla ma okolo 80$, co je dobra cena oproti OEM....bolo to na coupe, ale co viem, asi mame zhodne vyfukove potrubie, tak nevidim dovod preco by nefungovala, este sa da pozriet v EPC, ci coupe a sedan EDM maju rovnaky OEM diel zadnej lamdby, co podla mna budu mat...
   Pomohl ti příspěvěk? Návrat  
    
Zobrazit informace o autorovi Osobní garáž Odeslat soukromou zprávu
Příspěvky: 287 H+ body: 1 2004 Civic Coupe  
karelo je teď offline  karelo
0
PříspěvekZaslal: 17.1.2010 , 23:02   Citovat  

LastV8 napsal:
ja som si z USA objednal nejaku takuto:
tudy odkaz
a vysla ma okolo 80$, co je dobra cena oproti OEM....bolo to na coupe, ale co viem, asi mame zhodne vyfukove potrubie, tak nevidim dovod preco by nefungovala, este sa da pozriet v EPC, ci coupe a sedan EDM maju rovnaky OEM diel zadnej lamdby, co podla mna budu mat...

Díky za tip. Já potřebuji ale přední a ne zadní lambdu. Na ebay jsou, jak se dívám, i nějaké přední sondy.
   Pomohl ti příspěvěk? Návrat  
    
Zobrazit informace o autorovi  Odeslat soukromou zprávu
Příspěvky: 6 H+ body: 0  
Sitcom je teď offline  Sitcom
1 háčko
0
PříspěvekZaslal: 18.1.2010 , 10:06   Citovat  

Týjo mi máme na foru uz i někoho s tímhle coupátkem Úsměv ..
Btw. Muj sedan začal dělat to samé co tvrdíš .. Při jízdě nad 160 se rožne ECU. Museli do toho rvat nake podelane ty lambdy zatim to taky nerešim.. Když je to výjmrčně, ale psychicky se srovnávám že budu měnit no..
   Pomohl ti příspěvěk? Návrat  
    
Zobrazit informace o autorovi Osobní garáž Odeslat soukromou zprávu
Příspěvky: 269 H+ body: 0 2001 Civic VTEC  

  Obsah fóra Honda-club.cz   
Výměna Lambda sondy u D16V1 (Civic VTEC 1.6i r.2002)
Fórum: Motor, ECU, spojka a převodovka
0
Pomohlo ti toto téma?   
Zobrazit příspěvky z předchozích:
 Řadit příspěvky dle: 
Zaslat odpověď



 Časy uváděny v GMT + 1 hodina  
    
Nemůžete odesílat nové téma do tohoto fóra.
Nemůžete odpovídat na témata v tomto fóru.
Nemůžete upravovat své příspěvky v tomto fóru.
Nemůžete mazat své příspěvky v tomto fóru.
Nemůžete hlasovat v tomto fóru.
Můžete k příspěvkům připojovat soubory
Můžete stahovat a prohlížet přiložené soubory
Nemůžete moderovat Vaše témata v tomto fóru.



Board Security

(104575 útoků)
::  www.honda-club.cz  :: Témata RSS TOPlist

[ Čas: 0.1290s ][ Dotazy: 83 (0.0184s) ][ GZIP on - Debug on ]