Rozšířené hledání} Informace o členství Kontaktní informace Seznam uživatelů Kalendář Spřátelené weby Honda-club.cz Přihlásit se k emailu
[1]
Linka Uživatelské skupiny Linka Galerie avatarů Linka Kdo je online Linka
Linka Jak se stát členem klubu Linka Stáhnout stanovy sdružení Linka Výhody pro členy klubu Linka
  Obsah fóra Honda-club.cz   
Svody civic 6G D14A3
Fórum: Pokec o autech
Zobrazit příspěvky z předchozích:
 Řadit příspěvky dle: 
Zaslat odpověď



  Strana 1 z 1
eric007 je teď offline  eric007
PříspěvekZaslal: 14.7.2010 , 23:34   Citovat  

zdravim jsou stejne svody z motoru civicu 6G s motorem D14A3 a motoru 1.5 ze stejneho civicu? dikes lidi Úsměv
   Návrat  
   Zobrazit informace o autorovi Osobní garáž Odeslat soukromou zprávu
Příspěvky: 14 1997 Civic  
Petr 78 je teď offline  Petr 78
5 háček
Členství: Žádné
PříspěvekZaslal: 14.7.2010 , 23:38   Citovat  

Nejsou.
1,4 má kat až pod autem, zatímco 1,5 hned před motorem a ten kat je součástí svodů.
   Návrat  
   Zobrazit informace o autorovi Osobní garáž Odeslat soukromou zprávu
Příspěvky: 6796 2006 Civic i-VTEC  
eric007 je teď offline  eric007
PříspěvekZaslal: 15.7.2010 , 15:52   Citovat  

Dikes moc:)
   Návrat  
   Zobrazit informace o autorovi Osobní garáž Odeslat soukromou zprávu
Příspěvky: 14 1997 Civic  
RichiZC je teď offline  RichiZC
1 háčko
PříspěvekZaslal: 15.7.2010 , 20:08   Citovat  

Petr 78 napsal:
Nejsou.
1,4 má kat až pod autem, zatímco 1,5 hned před motorem a ten kat je součástí svodů.



Strašně nerad bych odporoval, ale kámoška má 6G 1,4 90 PS a KAT na svodech...původní stav!!!
   Návrat  
   Zobrazit informace o autorovi Osobní garáž Odeslat soukromou zprávu
Příspěvky: 203 1986 Civic  
Dik je teď offline  Dik
2 háčka
Členství: Žádné
PříspěvekZaslal: 15.7.2010 , 20:19   Citovat  

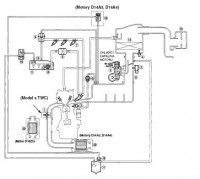
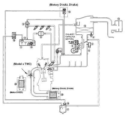
D14A3 má kat za svodama, podle servis manuálu. Ještě jsem taky neviděl D14 s katem na svodech. Tím nechci říct že neexistuje Úsměv


D14A3.JPG

Zobrazení obrázku v plné velikosti.
D14A3.JPG, 24.23 kB
   Návrat  
   Zobrazit informace o autorovi Osobní garáž Odeslat soukromou zprávu
Příspěvky: 652 1996 Civic  
RichiZC je teď offline  RichiZC
1 háčko
PříspěvekZaslal: 15.7.2010 , 20:40   Citovat  

Jedině by to nebyl až tak původní stav jak říkala. Každopádně jsem na to čuměl z metru, když jsem jí dělal rozvody a byl tam...přilepený hned za sběrným potrubím . V celé své kráse Mrk
   Návrat  
   Zobrazit informace o autorovi Osobní garáž Odeslat soukromou zprávu
Příspěvky: 203 1986 Civic  
eric007 je teď offline  eric007
PříspěvekZaslal: 15.7.2010 , 21:59   Citovat  

jde jen o to ze bych chtel dat na 1.4 turbo svody z 1.5 :)myslite ze to tam naladim?Velmi šťastný
   Návrat  
   Zobrazit informace o autorovi Osobní garáž Odeslat soukromou zprávu
Příspěvky: 14 1997 Civic  
Brnďa je teď offline  Brnďa
5 háček
PříspěvekZaslal: 15.7.2010 , 22:22   Citovat  

eric007 napsal:
jde jen o to ze bych chtel dat na 1.4 turbo svody z 1.5 :)myslite ze to tam naladim?Velmi šťastný
svody na D serie sou stejny tak se neboj
   Návrat  
   Zobrazit informace o autorovi Osobní garáž Odeslat soukromou zprávu
Příspěvky: 8134 1995 Legend  
Petr 78 je teď offline  Petr 78
5 háček
Členství: Žádné
PříspěvekZaslal: 15.7.2010 , 23:17   Citovat  

RichiZC napsal:
Strašně nerad bych odporoval, ale kámoška má 6G 1,4 90 PS a KAT na svodech...původní stav!!!


Hloupost. Takový motor neexistuje. Jaký typ motoru kámoška má?
   Návrat  
   Zobrazit informace o autorovi Osobní garáž Odeslat soukromou zprávu
Příspěvky: 6796 2006 Civic i-VTEC  
Petr 78 je teď offline  Petr 78
5 háček
Členství: Žádné
PříspěvekZaslal: 15.7.2010 , 23:18   Citovat  

eric007 napsal:
jde jen o to ze bych chtel dat na 1.4 turbo svody z 1.5 :)myslite ze to tam naladim?Velmi šťastný


To jsi měl napsat hned. Budou pasovat na 100%. je to dobrý
   Návrat  
   Zobrazit informace o autorovi Osobní garáž Odeslat soukromou zprávu
Příspěvky: 6796 2006 Civic i-VTEC  
eric007 je teď offline  eric007
PříspěvekZaslal: 16.7.2010 , 16:48   Citovat  

dikes lidi uz to jdu obednavat Velmi šťastný
   Návrat  
   Zobrazit informace o autorovi Osobní garáž Odeslat soukromou zprávu
Příspěvky: 14 1997 Civic  

  Obsah fóra Honda-club.cz   
Svody civic 6G D14A3
Fórum: Pokec o autech
Zobrazit příspěvky z předchozích:
 Řadit příspěvky dle: 
Zaslat odpověď



 Časy uváděny v GMT + 1 hodina  
    
Nemůžete odesílat nové téma do tohoto fóra.
Nemůžete odpovídat na témata v tomto fóru.
Nemůžete upravovat své příspěvky v tomto fóru.
Nemůžete mazat své příspěvky v tomto fóru.
Nemůžete hlasovat v tomto fóru.
Můžete k příspěvkům připojovat soubory
Můžete stahovat a prohlížet přiložené soubory
Nemůžete moderovat Vaše témata v tomto fóru.



Board Security

(104575 útoků)
::  www.honda-club.cz  :: Témata RSS TOPlist

[ Čas: 0.0955s ][ Dotazy: 71 (0.0068s) ][ GZIP on - Debug on ]