Rozšířené hledání} Informace o členství Kontaktní informace Seznam uživatelů Kalendář Spřátelené weby Honda-club.cz Přihlásit se k emailu
[2]
Linka Uživatelské skupiny Linka Galerie avatarů Linka Kdo je online Linka
Linka Jak se stát členem klubu Linka Stáhnout stanovy sdružení Linka Výhody pro členy klubu Linka
  Obsah fóra Honda-club.cz   
Civic 2004 vtec - omezovač
Fórum: Motor, ECU, spojka a převodovka
0
Pomohlo ti toto téma?   
Zobrazit příspěvky z předchozích:
 Řadit příspěvky dle: 
Zaslat odpověď



  Strana 1 z 1
Jirka.H je teď offline  Jirka.H
3 háčka
Členství: Žádné
0
PříspěvekZaslal: 11.7.2011 , 20:44   Citovat  

Mám dotaz, když chci prošlápnout plyn na Neutral vleze mi to jen do cca 5,5 tis otáček. je tu nějaký odborník co to vysvětlí ? díky Úsměv
   Pomohl ti příspěvěk? Návrat  
    
Zobrazit informace o autorovi Osobní garáž Odeslat soukromou zprávu
Příspěvky: 1117 H+ body: 1 2004 Civic Sport  
hopit je teď offline  hopit
4 háčka
0
PříspěvekZaslal: 11.7.2011 , 20:53   Citovat  

To je normální , je tam tak nastaven omezovač Úsměv
   Pomohl ti příspěvěk? Návrat  
    
Zobrazit informace o autorovi  Odeslat soukromou zprávu
Příspěvky: 4085 H+ body: 75  
Jirka.H je teď offline  Jirka.H
3 háčka
Členství: Žádné
0
PříspěvekZaslal: 11.7.2011 , 20:57   Citovat  

asi za nějakým účelem to bude že ? Úsměv Moc se mě to nelibí ..
   Pomohl ti příspěvěk? Návrat  
    
Zobrazit informace o autorovi Osobní garáž Odeslat soukromou zprávu
Příspěvky: 1117 H+ body: 1 2004 Civic Sport  
hopit je teď offline  hopit
4 háčka
0
PříspěvekZaslal: 11.7.2011 , 21:01   Citovat  

Jirka.H napsal:
asi za nějakým účelem to bude že ? Úsměv Moc se mě to nelibí ..

5000ot. tě na rozjezd nestačí? Úsměv
   Pomohl ti příspěvěk? Návrat  
    
Zobrazit informace o autorovi  Odeslat soukromou zprávu
Příspěvky: 4085 H+ body: 75  
Bully je teď offline  Bully
Moderátor
Členství: Žádné
0
PříspěvekZaslal: 11.7.2011 , 21:02   Citovat  

Jirka.H napsal:
asi za nějakým účelem to bude že ? Úsměv Moc se mě to nelibí ..


Aspon u CTR to plni funkci launch control, neznicis si tolik spojku a nespalis plaste (aniz by ses vyrazneji pohnul z mista Velmi šťastný ). Tam je to navic uz v cca 4500 ot./min., u 7 i 8G.
   Pomohl ti příspěvěk? Návrat  
    
Zobrazit informace o autorovi Osobní garáž Odeslat soukromou zprávu
Příspěvky: 5905 H+ body: 34 2007 Civic Type-R  
Jirka.H je teď offline  Jirka.H
3 háčka
Členství: Žádné
0
PříspěvekZaslal: 11.7.2011 , 21:07   Citovat  

rozjíždím se na míň otáček Úsměv ale měl jsem C5G tohle teprv tak trošku objevuji Velmi šťastný
jde mě spíše o to poslechnout si zvuk i když stojím a to wuuuuuuuuuuu..blam blam blam... není vono HaHaaa
   Pomohl ti příspěvěk? Návrat  
    
Zobrazit informace o autorovi Osobní garáž Odeslat soukromou zprávu
Příspěvky: 1117 H+ body: 1 2004 Civic Sport  
Badunclesam je teď offline  Badunclesam
2 háčka
0
PříspěvekZaslal: 11.7.2011 , 21:33   Citovat  

Jirka.H napsal:
měl jsem C5G tohle teprv tak trošku objevuji Velmi šťastný


Tak to gratuluji k new kchár Mrk .....
   Pomohl ti příspěvěk? Návrat  
    
Zobrazit informace o autorovi Osobní garáž Odeslat soukromou zprávu
Příspěvky: 715 H+ body: 0 2005 Accord  
Hellborn je teď offline  Hellborn
5 háček
Členství: Žádné
0
PříspěvekZaslal: 12.7.2011 , 8:40   Citovat  

A na neutrál stejně žádný Vtec nesepne. Úsměv
   Pomohl ti příspěvěk? Návrat  
    
Zobrazit informace o autorovi Osobní garáž Odeslat soukromou zprávu
Příspěvky: 24364 H+ body: 69 2016 Civic i-VTEC  
Jirka.H je teď offline  Jirka.H
3 háčka
Členství: Žádné
0
PříspěvekZaslal: 12.7.2011 , 17:47   Citovat  

Badunclesam napsal:
Tak to gratuluji k new kchár Mrk .....


Díky VTEC
   Pomohl ti příspěvěk? Návrat  
    
Zobrazit informace o autorovi Osobní garáž Odeslat soukromou zprávu
Příspěvky: 1117 H+ body: 1 2004 Civic Sport  
dodox je teď offline  dodox
Členství: Žádné
0
PříspěvekZaslal: 12.7.2011 , 23:36   Citovat  

Podle ceho pozna, ze ma neutral?
   Pomohl ti příspěvěk? Návrat  
    
Zobrazit informace o autorovi Osobní garáž Odeslat soukromou zprávu
Příspěvky: 99 H+ body: 0 2001 Civic  
Stepa je teď offline  Stepa
4 háčka
Členství: Žádné
0
PříspěvekZaslal: 12.7.2011 , 23:51   Citovat  

Já měl za to, že o sepnutí VTECu rozhodují tyto věci: dostatečná provozní teplota motoru, dostatečný tlak oleje a rychlost nad 30 km/h. Alespoň o tom psal Minor Úsměv
   Pomohl ti příspěvěk? Návrat  
    
Zobrazit informace o autorovi Osobní garáž Odeslat soukromou zprávu
Příspěvky: 4079 H+ body: 31 2006 FR-V  
WickiMan je teď offline  WickiMan
2 háčka
0
PříspěvekZaslal: 13.7.2011 , 0:05   Citovat  

Zkousel jsi seslapnout spojku?
   Pomohl ti příspěvěk? Návrat  
    
Zobrazit informace o autorovi Osobní garáž Odeslat soukromou zprávu
Příspěvky: 980 H+ body: 1 1989 CR-X  
Jirka.H je teď offline  Jirka.H
3 háčka
Členství: Žádné
0
PříspěvekZaslal: 13.7.2011 , 0:54   Citovat  

WickiMan napsal:
Zkousel jsi seslapnout spojku?


a to ma pomoct tomu aby nesel v neutralu do omezovace? to asi nee Úsměv
   Pomohl ti příspěvěk? Návrat  
    
Zobrazit informace o autorovi Osobní garáž Odeslat soukromou zprávu
Příspěvky: 1117 H+ body: 1 2004 Civic Sport  
DOHCVTEC je teď offline  DOHCVTEC
4 háčka
0
PříspěvekZaslal: 13.7.2011 , 1:28   Citovat  

Bully napsal:
Aspon u CTR to plni funkci launch control, neznicis si tolik spojku a nespalis plaste (aniz by ses vyrazneji pohnul z mista Velmi šťastný ). Tam je to navic uz v cca 4500 ot./min., u 7 i 8G.


Mne to prijde jak nesmysl ,spis ho meli udelat kdyz auto jede a motor nema potrebnou teplotu pro sepnuti vtecu ...

jinak nepamatuju zeby sport mel takovej omezovac ,taky nakej vtec ..,to byl spis non-vtec-ecotec s kratkou prevodovkou ..
   Pomohl ti příspěvěk? Návrat  
    
Zobrazit informace o autorovi Osobní garáž Odeslat soukromou zprávu
Příspěvky: 4947 H+ body: -15 2003 Accord Aerodeck  
Jirka.H je teď offline  Jirka.H
3 háčka
Členství: Žádné
0
PříspěvekZaslal: 13.7.2011 , 6:19   Citovat  

mám D16v1 vtec a tam me to proste pri rozjezdu a na neutral nepusti vic jak tech cca 5,5 tis.ot/min
jinak jede krásně
   Pomohl ti příspěvěk? Návrat  
    
Zobrazit informace o autorovi Osobní garáž Odeslat soukromou zprávu
Příspěvky: 1117 H+ body: 1 2004 Civic Sport  
Badunclesam je teď offline  Badunclesam
2 háčka
0
PříspěvekZaslal: 13.7.2011 , 7:48   Citovat  

Sport as. D16V1 ma Vtec a dokonce " dvoustupnovej" ale ma plynulej nabeh.Poznas to hlavne podle zvuku kdyse zmeni....v 3500ot. a myslim ze 5000ot. bo tak nejak Úsměv
   Pomohl ti příspěvěk? Návrat  
    
Zobrazit informace o autorovi Osobní garáž Odeslat soukromou zprávu
Příspěvky: 715 H+ body: 0 2005 Accord  
Hellborn je teď offline  Hellborn
5 háček
Členství: Žádné
0
PříspěvekZaslal: 13.7.2011 , 8:01   Citovat  

DOHCVTEC napsal:
Mne to prijde jak nesmysl ,spis ho meli udelat kdyz auto jede a motor nema potrebnou teplotu pro sepnuti vtecu ...


Už B16A2 nesepla Vtec,když nebyla ohřátá a omezovač by měl být asi v 5000ot. (nevím,nejsem prase,abych to na studeném autě zkoušel), tak že by to neměly novější?
   Pomohl ti příspěvěk? Návrat  
    
Zobrazit informace o autorovi Osobní garáž Odeslat soukromou zprávu
Příspěvky: 24364 H+ body: 69 2016 Civic i-VTEC  
Hellborn je teď offline  Hellborn
5 háček
Členství: Žádné
0
PříspěvekZaslal: 13.7.2011 , 8:03   Citovat  

Stepa napsal:
Já měl za to, že o sepnutí VTECu rozhodují tyto věci: dostatečná provozní teplota motoru, dostatečný tlak oleje a rychlost nad 30 km/h. Alespoň o tom psal Minor Úsměv


Sepnutí Vtecu ano,ale o ten nejde. Starou dobrou Hondu vytočíš na místě až do červenýho, nové jen do 4500-5000ot...
   Pomohl ti příspěvěk? Návrat  
    
Zobrazit informace o autorovi Osobní garáž Odeslat soukromou zprávu
Příspěvky: 24364 H+ body: 69 2016 Civic i-VTEC  
Stepa je teď offline  Stepa
4 háčka
Členství: Žádné
0
PříspěvekZaslal: 13.7.2011 , 12:51   Citovat  

Mně šlo o to, že jsi psal...na neutrál VTEC nesepne a dodox se ptal, jak pozná, že má neutrál. Tak jsem to chtěl uvést na správnou míru Mrk
   Pomohl ti příspěvěk? Návrat  
    
Zobrazit informace o autorovi Osobní garáž Odeslat soukromou zprávu
Příspěvky: 4079 H+ body: 31 2006 FR-V  
Jirka.H je teď offline  Jirka.H
3 háčka
Členství: Žádné
0
PříspěvekZaslal: 13.7.2011 , 14:35   Citovat  

díky za vyřešení záhady klucí přátele
   Pomohl ti příspěvěk? Návrat  
    
Zobrazit informace o autorovi Osobní garáž Odeslat soukromou zprávu
Příspěvky: 1117 H+ body: 1 2004 Civic Sport  
dodox je teď offline  dodox
Členství: Žádné
0
PříspěvekZaslal: 14.7.2011 , 21:58   Citovat  

Badunclesam napsal:
Sport as. D16V1 ma Vtec a dokonce " dvoustupnovej" ale ma plynulej nabeh.Poznas to hlavne podle zvuku kdyse zmeni....v 3500ot. a myslim ze 5000ot. bo tak nejak Úsměv


Jak jako dvoustupnovej? Ten solenoid co spina privod oleje ma snad jen jednu polohu, nebo se pletu?
   Pomohl ti příspěvěk? Návrat  
    
Zobrazit informace o autorovi Osobní garáž Odeslat soukromou zprávu
Příspěvky: 99 H+ body: 0 2001 Civic  
Hellborn je teď offline  Hellborn
5 háček
Členství: Žádné
0
PříspěvekZaslal: 14.7.2011 , 21:59   Citovat  

dodox napsal:
Jak jako dvoustupnovej? Ten solenoid co spina privod oleje ma snad jen jednu polohu, nebo se pletu?


i-Vtec ještě natáčí vačky... A JPN fakt existuje dvoustupňový Vtec, který dole funguje jako Vtec-e a nahoře jako klasický Vtec.
   Pomohl ti příspěvěk? Návrat  
    
Zobrazit informace o autorovi Osobní garáž Odeslat soukromou zprávu
Příspěvky: 24364 H+ body: 69 2016 Civic i-VTEC  
Dany je teď offline  Dany
Partner H-C
Členství: Žádné
0
PříspěvekZaslal: 14.7.2011 , 22:15   Citovat  

Bully napsal:
Aspon u CTR to plni funkci launch control, neznicis si tolik spojku a nespalis plaste (aniz by ses vyrazneji pohnul z mista Velmi šťastný ). Tam je to navic uz v cca 4500 ot./min., u 7 i 8G.


U většiny Hond je omezovač nastaven na 5500rpm na neutrál stejně tak i CTR7G, nicméně CTR8G ho má 4700rpm (a třeba CTR8G Race ho nemá vůbec...)
   Pomohl ti příspěvěk? Návrat  
    
Zobrazit informace o autorovi Osobní garáž Odeslat soukromou zprávu
Příspěvky: 2343 H+ body: 11 2002 Civic Type-R  
Jirka.H je teď offline  Jirka.H
3 háčka
Členství: Žádné
0
PříspěvekZaslal: 14.7.2011 , 22:42   Citovat  

ja si rikal co je to za "kopanec" u tech 3500 rpm a ve vysich je taky poznat jak sepl. takze je to pravda
   Pomohl ti příspěvěk? Návrat  
    
Zobrazit informace o autorovi Osobní garáž Odeslat soukromou zprávu
Příspěvky: 1117 H+ body: 1 2004 Civic Sport  
Badunclesam je teď offline  Badunclesam
2 háčka
0
PříspěvekZaslal: 15.7.2011 , 2:16   Citovat  

dodox napsal:
Jak jako dvoustupnovej? Ten solenoid co spina privod oleje ma snad jen jednu polohu, nebo se pletu?


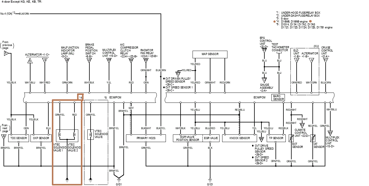
To ano,má jednu polohu,ale v D16V(D16W) jsou dva Vtec solenoidy (přikládám el.schéma) Mrk


wd-28a25.gif

Zobrazení obrázku v plné velikosti.
wd-28a25.gif, 41.66 kB
   Pomohl ti příspěvěk? Návrat  
    
Zobrazit informace o autorovi Osobní garáž Odeslat soukromou zprávu
Příspěvky: 715 H+ body: 0 2005 Accord  
Badunclesam je teď offline  Badunclesam
2 háčka
0
PříspěvekZaslal: 15.7.2011 , 2:21   Citovat  

Jirka.H napsal:
ja si rikal co je to za "kopanec" u tech 3500 rpm a ve vysich je taky poznat jak sepl. takze je to pravda


To je spíš takové "šťouchnutí" než "kopanec" Velmi šťastný
   Pomohl ti příspěvěk? Návrat  
    
Zobrazit informace o autorovi Osobní garáž Odeslat soukromou zprávu
Příspěvky: 715 H+ body: 0 2005 Accord  
Jirka.H je teď offline  Jirka.H
3 háčka
Členství: Žádné
0
PříspěvekZaslal: 15.7.2011 , 3:24   Citovat  

Badunclesam napsal:
To je spíš takové "šťouchnutí" než "kopanec" Velmi šťastný

no dobre stouchnuti Velmi šťastný
   Pomohl ti příspěvěk? Návrat  
    
Zobrazit informace o autorovi Osobní garáž Odeslat soukromou zprávu
Příspěvky: 1117 H+ body: 1 2004 Civic Sport  

  Obsah fóra Honda-club.cz   
Civic 2004 vtec - omezovač
Fórum: Motor, ECU, spojka a převodovka
0
Pomohlo ti toto téma?   
Zobrazit příspěvky z předchozích:
 Řadit příspěvky dle: 
Zaslat odpověď



 Časy uváděny v GMT + 1 hodina  
    
Nemůžete odesílat nové téma do tohoto fóra.
Nemůžete odpovídat na témata v tomto fóru.
Nemůžete upravovat své příspěvky v tomto fóru.
Nemůžete mazat své příspěvky v tomto fóru.
Nemůžete hlasovat v tomto fóru.
Můžete k příspěvkům připojovat soubory
Můžete stahovat a prohlížet přiložené soubory
Nemůžete moderovat Vaše témata v tomto fóru.



Board Security

(104575 útoků)
::  www.honda-club.cz  :: Témata RSS TOPlist

[ Čas: 0.2560s ][ Dotazy: 135 (0.0281s) ][ GZIP on - Debug on ]