Rozšířené hledání} Informace o členství Kontaktní informace Seznam uživatelů Kalendář Spřátelené weby Honda-club.cz Přihlásit se k emailu
[2]
Linka Uživatelské skupiny Linka Galerie avatarů Linka Kdo je online Linka
Linka Jak se stát členem klubu Linka Stáhnout stanovy sdružení Linka Výhody pro členy klubu Linka
  Obsah fóra Honda-club.cz   
IACV ventil
Fórum: Koupím
Zobrazit příspěvky z předchozích:
 Řadit příspěvky dle: 
Jdi na stránku 1, 2  Další 
Zaslat odpověď



  Strana 1 z 2
lukin161616 je teď offline  lukin161616
1 háčko
PříspěvekZaslal: 17.10.2011 , 20:18   Citovat  

Dobrý Den.Koupím IACV ventil za rozumné peníze na civika 1.5 66kw.Přidávám foto mého IACV ventilu.díky


IACV.jpg

Zobrazení obrázku v plné velikosti.
IACV.jpg, 255.76 kB
   Návrat  
   Zobrazit informace o autorovi  Odeslat soukromou zprávu
Příspěvky: 279  
GrygarMartin2 je teď offline  GrygarMartin2
3 háčka
Členství: Žádné
PříspěvekZaslal: 17.10.2011 , 20:38   Citovat  

vyčisti, nech odmočit v kapalině na několik hodin, vyfoukej a opakuj a musí fungovat... pokud jsi teda už nepropíchl membránu Úsměv
   Návrat  
   Zobrazit informace o autorovi Osobní garáž Odeslat soukromou zprávu
Příspěvky: 1952 1992 Civic Vti  
lukin161616 je teď offline  lukin161616
1 háčko
PříspěvekZaslal: 17.10.2011 , 20:42   Citovat  

Hale udělal jsem uplně přesně to co říkáš a od té doby s ním začal být problém,tak nevím co s ním je.Před čištěním to nedělal.
   Návrat  
   Zobrazit informace o autorovi  Odeslat soukromou zprávu
Příspěvky: 279  
GrygarMartin2 je teď offline  GrygarMartin2
3 háčka
Členství: Žádné
PříspěvekZaslal: 17.10.2011 , 20:55   Citovat  

a seřídils volnoběh jak je popsáno tady na HC v FAQ?? on jak je vyčištěnej, tak bude chodit trochu jinak.. takže musíš motor seřídit znovu, vyresetovat ecu apd.. jak je popsáno ve FAQ. Tohle ještě vyzkoušej a pak dyštak sháněj druhej.. já taky stím bojoval..Úsměv
   Návrat  
   Zobrazit informace o autorovi Osobní garáž Odeslat soukromou zprávu
Příspěvky: 1952 1992 Civic Vti  
lukin161616 je teď offline  lukin161616
1 háčko
PříspěvekZaslal: 17.10.2011 , 20:58   Citovat  

Jo jo seřizoval.Ben iacv mám pěkně 5OO ot jak je psáno v návodu,ale jak ho připojím tak to vlítne na 1300.A pořád to lítá od 900 do 1500 ot.
   Návrat  
   Zobrazit informace o autorovi  Odeslat soukromou zprávu
Příspěvky: 279  
GrygarMartin2 je teď offline  GrygarMartin2
3 háčka
Členství: Žádné
PříspěvekZaslal: 17.10.2011 , 21:00   Citovat  

a nemáš tam swap, jinou ECU apd?
   Návrat  
   Zobrazit informace o autorovi Osobní garáž Odeslat soukromou zprávu
Příspěvky: 1952 1992 Civic Vti  
lukin161616 je teď offline  lukin161616
1 háčko
PříspěvekZaslal: 17.10.2011 , 21:05   Citovat  

ne ne všechno origo
   Návrat  
   Zobrazit informace o autorovi  Odeslat soukromou zprávu
Příspěvky: 279  
GrygarMartin2 je teď offline  GrygarMartin2
3 háčka
Členství: Žádné
PříspěvekZaslal: 17.10.2011 , 21:08   Citovat  

tak kup druhej Velmi šťastný kuky kuk
   Návrat  
   Zobrazit informace o autorovi Osobní garáž Odeslat soukromou zprávu
Příspěvky: 1952 1992 Civic Vti  
lukin161616 je teď offline  lukin161616
1 háčko
PříspěvekZaslal: 17.10.2011 , 21:10   Citovat  

Ještě se zeptám v čem jsi ho máčel?Zkusím to zopakovat všechno ještě jednou
   Návrat  
   Zobrazit informace o autorovi  Odeslat soukromou zprávu
Příspěvky: 279  
GrygarMartin2 je teď offline  GrygarMartin2
3 háčka
Členství: Žádné
PříspěvekZaslal: 17.10.2011 , 21:13  Naposledy upravil GrygarMartin2 dne 17.10.2011 , 21:15, celkově upraveno 1 krát. Citovat  

zalil sem ho kapalinou co je ve spreji na rozpouštění rzi apd... hodně dobře to uvolnoval.. a povolil jsi ty 3šroubky a vyčistil to vevnitr kde protíká voda? A jak máš zahřátej motor, tak si odvzdušni vodní chladící okruh!! A pokud by to i tak lítalo, tak seřid třeba 400ot a zapoj eacv a nebo našteluj 700ot, třeba jsi na hranici toho eacv a není schopnej to uregulovat, tak mu tím tak pomoct.. jestli víš jak to myslím..
   Návrat  
   Zobrazit informace o autorovi Osobní garáž Odeslat soukromou zprávu
Příspěvky: 1952 1992 Civic Vti  
lukin161616 je teď offline  lukin161616
1 háčko
PříspěvekZaslal: 17.10.2011 , 21:15   Citovat  

Ja ho zalil sprejem na čistění karburátorů a klapek,myslíš že by to mohl,o mít nějakej vliv?
   Návrat  
   Zobrazit informace o autorovi  Odeslat soukromou zprávu
Příspěvky: 279  
GrygarMartin2 je teď offline  GrygarMartin2
3 háčka
Členství: Žádné
PříspěvekZaslal: 17.10.2011 , 21:17   Citovat  

sprej co jsi použil je v pořídku určitě... snad i lepší volba..
   Návrat  
   Zobrazit informace o autorovi Osobní garáž Odeslat soukromou zprávu
Příspěvky: 1952 1992 Civic Vti  
lukin161616 je teď offline  lukin161616
1 háčko
PříspěvekZaslal: 17.10.2011 , 21:21   Citovat  

Tak to pak netuším co se v něm mohlo pokazit.A asi nejde rozebrat,jen vyčistit že?
   Návrat  
   Zobrazit informace o autorovi  Odeslat soukromou zprávu
Příspěvky: 279  
GrygarMartin2 je teď offline  GrygarMartin2
3 háčka
Členství: Žádné
PříspěvekZaslal: 17.10.2011 , 21:27   Citovat  

zalil sem ho kapalinou co je ve spreji na rozpouštění rzi apd... hodně dobře to uvolnoval.. a povolil jsi ty 3šroubky a vyčistil to vevnitr kde protíká voda? A jak máš zahřátej motor, tak si odvzdušni vodní chladící okruh!! A pokud by to i tak lítalo, tak seřid třeba 400ot a zapoj eacv a nebo našteluj 700ot, třeba jsi na hranici toho eacv a není schopnej to uregulovat, tak mu tím tak pomoct.. jestli víš jak to myslím..
   Návrat  
   Zobrazit informace o autorovi Osobní garáž Odeslat soukromou zprávu
Příspěvky: 1952 1992 Civic Vti  
lukin161616 je teď offline  lukin161616
1 háčko
PříspěvekZaslal: 17.10.2011 , 21:32   Citovat  

Jo jo odvzdušnil jsem to.jo jo chápu to tak já to zkusím a dám ti vědět.jo a ty šrouby jsem taky povolil a vyčistil.zatím díky
   Návrat  
   Zobrazit informace o autorovi  Odeslat soukromou zprávu
Příspěvky: 279  
Kojot je teď offline  Kojot
PříspěvekZaslal: 1.11.2011 , 17:33   Citovat  

mám navíc,kdyby si shanel
   Návrat  
   Zobrazit informace o autorovi  Odeslat soukromou zprávu
Příspěvky: 56  
drambejs je teď offline  drambejs
2 háčka
PříspěvekZaslal: 2.11.2011 , 15:43   Citovat  

zaslep ho nebo odpoj a zkus co to bude dělat já ho mám odpojenej (D13B2) a je to v cajku jakmile ho zapojim dělá mi to bordel s otáčkama
   Návrat  
   Zobrazit informace o autorovi Osobní garáž Odeslat soukromou zprávu
Příspěvky: 780 1995 Civic  
mates0H je teď offline  mates0H
1 háčko
Členství: Žádné
PříspěvekZaslal: 4.11.2011 , 16:37   Citovat  

lukin161616 napsal:
Dobrý Den.Koupím IACV ventil za rozumné peníze na civika 1.5 66kw.Přidávám foto mého IACV ventilu.díky
auto mi delalo to same tak sme z mechanikem spekulovali ale nic sme nevymisleli hh pak mi poradil borec ze to mel to same skousel vsechno mozne a nakonec skusil vymenit hadice na vzduch a hle pry mu to slo bez problemu ja jsem to jeste nemel prilezitost vyzkouset pac se mi pokadil motor Bueee tak uvidis a vyjde te to na par kacek Honda
   Návrat  
   Zobrazit informace o autorovi Osobní garáž Odeslat soukromou zprávu
Příspěvky: 223 2000 Civic Vti  
GrygarMartin2 je teď offline  GrygarMartin2
3 háčka
Členství: Žádné
PříspěvekZaslal: 6.11.2011 , 0:54   Citovat  

doporučuji zkontrolovat hadičky, zvlášt tu na odvětrání kliky co vede do sání... já ji měl prasklou a taky to zlobilo..
   Návrat  
   Zobrazit informace o autorovi Osobní garáž Odeslat soukromou zprávu
Příspěvky: 1952 1992 Civic Vti  
Rimmer je teď offline  Rimmer
1 háčko
Členství: Žádné
PříspěvekZaslal: 6.11.2011 , 2:30   Citovat  

duležité je vyčistit místo kde ventil vevnitř přiléhá,musí se při čištění otevřít,a možná ještě reset ECU. Úsměv
   Návrat  
   Zobrazit informace o autorovi Osobní garáž Odeslat soukromou zprávu
Příspěvky: 204 2008 Civic  
lukin161616 je teď offline  lukin161616
1 háčko
PříspěvekZaslal: 8.11.2011 , 0:53   Citovat  

Zkoušel už jsem toho hodně,ale na tu hadičku se mrknu.Ale když ho odpojím je všechno v cajku,když ho zapojím náhle začnou lítat otáčky.zkoušel jsem ho už i zaslepovat ale nemohl jsem vyhnat otáčky na požadované hodnoty,pořád se drželyna 500ot a to byl štelovací šroubek uplně otevřený až skoro vyndaný Velmi šťastný a když jsem to chcípl a nastartoval znova držely se otáčky kolem 300.tak už nevím a ecu žádnou chybu nehlásí Smutný a jak píše Rimmer o tom otevření ventilu při čištění?Jak toho docílím aby se otevřel?Díky za odpovědi
   Návrat  
   Zobrazit informace o autorovi  Odeslat soukromou zprávu
Příspěvky: 279  
Rimmer je teď offline  Rimmer
1 háčko
Členství: Žádné
PříspěvekZaslal: 8.11.2011 , 3:37   Citovat  

lukin161616 napsal:
Zkoušel už jsem toho hodně,ale na tu hadičku se mrknu.Ale když ho odpojím je všechno v cajku,když ho zapojím náhle začnou lítat otáčky.zkoušel jsem ho už i zaslepovat ale nemohl jsem vyhnat otáčky na požadované hodnoty,pořád se drželyna 500ot a to byl štelovací šroubek uplně otevřený až skoro vyndaný Velmi šťastný a když jsem to chcípl a nastartoval znova držely se otáčky kolem 300.tak už nevím a ecu žádnou chybu nehlásí Smutný a jak píše Rimmer o tom otevření ventilu při čištění?Jak toho docílím aby se otevřel?Díky za odpovědi
pust do něj 12V nebo ho opatrně pootevři šroubovákem já ho nedávno čistil v D13b2
   Návrat  
   Zobrazit informace o autorovi Osobní garáž Odeslat soukromou zprávu
Příspěvky: 204 2008 Civic  
lukin161616 je teď offline  lukin161616
1 háčko
PříspěvekZaslal: 8.11.2011 , 11:45   Citovat  

Fakt 12v?někdo udává 5V?Abych ho neodkouřil:-D
   Návrat  
   Zobrazit informace o autorovi  Odeslat soukromou zprávu
Příspěvky: 279  
Riccardo je teď offline  Riccardo
3 háčka
Členství: Žádné
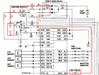
PříspěvekZaslal: 8.11.2011 , 13:56   Citovat  

lukin161616 napsal:
Fakt 12v?někdo udává 5V?Abych ho neodkouřil:-D

12V, viz. schéma ...


IACV.GIF

Zobrazení obrázku v plné velikosti.
IACV.GIF, 29.94 kB
   Návrat  
   Zobrazit informace o autorovi Osobní garáž Odeslat soukromou zprávu
Příspěvky: 1287 1992 Prelude Si  
lukin161616 je teď offline  lukin161616
1 háčko
PříspěvekZaslal: 8.11.2011 , 21:52   Citovat  

díky za info.Tak dneska jsem ho sunda otevřel a vyčistil dal zpátky a seřídil volnoběh.Když jsem to nastartoval tak to běželo v pohodě,ale když jedu a třeba vyřadím nebo zastavím tak ty otáčky klesnou na nějakých 400-500 a chvily trvá než se dostanou do těch 750.A když do toho zabrzdím tak ty otáčky jdou ještě níž.Ta prodleva než se to vrátí je tak 4-6 vteřin.Jo a když jsem ho proměřil tak měl 12,7 ohm. Je to normální?
   Návrat  
   Zobrazit informace o autorovi  Odeslat soukromou zprávu
Příspěvky: 279  
Riccardo je teď offline  Riccardo
3 háčka
Členství: Žádné
PříspěvekZaslal: 8.11.2011 , 22:12   Citovat  

lukin161616 napsal:
díky za info.Tak dneska jsem ho sunda otevřel a vyčistil dal zpátky a seřídil volnoběh.Když jsem to nastartoval tak to běželo v pohodě,ale když jedu a třeba vyřadím nebo zastavím tak ty otáčky klesnou na nějakých 400-500 a chvily trvá než se dostanou do těch 750.A když do toho zabrzdím tak ty otáčky jdou ještě níž.Ta prodleva než se to vrátí je tak 4-6 vteřin.Jo a když jsem ho proměřil tak měl 12,7 ohm. Je to normální?

To bude asi ještě někde prasklá podtlaková hadička, nebo je ten IACV fest zatuhlý a chvíli mu trvá než se otevře. 12,7 je v normě, je to cívka. Taky by to chtělo proměřit kabely od ECU k IACV a napájení na konektoru, jesti je opravdu +12V.
   Návrat  
   Zobrazit informace o autorovi Osobní garáž Odeslat soukromou zprávu
Příspěvky: 1287 1992 Prelude Si  
Rimmer je teď offline  Rimmer
1 háčko
Členství: Žádné
PříspěvekZaslal: 9.11.2011 , 1:43   Citovat  

lukin161616 napsal:
díky za info.Tak dneska jsem ho sunda otevřel a vyčistil dal zpátky a seřídil volnoběh.Když jsem to nastartoval tak to běželo v pohodě,ale když jedu a třeba vyřadím nebo zastavím tak ty otáčky klesnou na nějakých 400-500 a chvily trvá než se dostanou do těch 750.A když do toho zabrzdím tak ty otáčky jdou ještě níž.Ta prodleva než se to vrátí je tak 4-6 vteřin.Jo a když jsem ho proměřil tak měl 12,7 ohm. Je to normální?
Hlavně čistit jen odmaštovačem ve spreji žádný olej, musí to být čistý a suchý.
   Návrat  
   Zobrazit informace o autorovi Osobní garáž Odeslat soukromou zprávu
Příspěvky: 204 2008 Civic  
drambejs je teď offline  drambejs
2 háčka
PříspěvekZaslal: 9.11.2011 , 10:31   Citovat  

teď čtu že ti to dělá problém s těmi otáčkami (já mám na 1000ot/min přijde mi to ideální) že když vyšlápneš spojku tak se propadnou a poalu se vracejí zpátky... občas mi to taky udělá čim že to tedy je ?? a když už se tu rozjela taková diskuze tak nebudu zakládat další topic a zeptám se čím to že při studených startech mi to nedrží 1500ot ?? když nastartuju tak mi to hned chcípne musim u toho přišlapovat plyn nebo ho chvilku držet (pár vteřin) aby se to chytlo a ty zvýšený otáčky to udrželo až do ohřátí kdy spadnou na volnoběh dík za info
   Návrat  
   Zobrazit informace o autorovi Osobní garáž Odeslat soukromou zprávu
Příspěvky: 780 1995 Civic  
drambejs je teď offline  drambejs
2 háčka
PříspěvekZaslal: 9.11.2011 , 10:37   Citovat  

ještě se zeptám když sem koukal na ecu blikla mi 10x je to norál nebo chyba? nkde se nedohledal co to znamená a reset ecu se provádí jak ?
   Návrat  
   Zobrazit informace o autorovi Osobní garáž Odeslat soukromou zprávu
Příspěvky: 780 1995 Civic  
lukin161616 je teď offline  lukin161616
1 háčko
PříspěvekZaslal: 9.11.2011 , 11:25   Citovat  

10 - čidlo teploty v sání
A reset eku najdes ve FAQ nebo zde:https://www.honda-club.cz/forum/viewtopic.php?p=530
   Návrat  
   Zobrazit informace o autorovi  Odeslat soukromou zprávu
Příspěvky: 279  

  Obsah fóra Honda-club.cz   
IACV ventil
Fórum: Koupím
Zobrazit příspěvky z předchozích:
 Řadit příspěvky dle: 
Jdi na stránku 1, 2  Další 
Zaslat odpověď



 Časy uváděny v GMT + 1 hodina  
    
Nemůžete odesílat nové téma do tohoto fóra.
Nemůžete odpovídat na témata v tomto fóru.
Nemůžete upravovat své příspěvky v tomto fóru.
Nemůžete mazat své příspěvky v tomto fóru.
Nemůžete hlasovat v tomto fóru.
Můžete k příspěvkům připojovat soubory
Můžete stahovat a prohlížet přiložené soubory
Nemůžete moderovat Vaše témata v tomto fóru.



Board Security

(104575 útoků)
::  www.honda-club.cz  :: Témata RSS TOPlist

[ Čas: 0.1756s ][ Dotazy: 147 (0.0137s) ][ GZIP on - Debug on ]