Rozšířené hledání} Informace o členství Kontaktní informace Seznam uživatelů Kalendář Spřátelené weby Honda-club.cz Přihlásit se k emailu
[2]
Linka Uživatelské skupiny Linka Galerie avatarů Linka Kdo je online Linka
Linka Jak se stát členem klubu Linka Stáhnout stanovy sdružení Linka Výhody pro členy klubu Linka
  Obsah fóra Honda-club.cz   
Accord 6G elektro
Fórum: Elektroinstalace
1
Pomohlo ti toto téma?   
Zobrazit příspěvky z předchozích:
 Řadit příspěvky dle: 
Jdi na stránku 1, 2  Další 
Zaslat odpověď



  Strana 1 z 2
angel.CZ je teď offline  angel.CZ
1 háčko
0
PříspěvekZaslal: 11.12.2011 , 19:58   Citovat  

Ahoj dneska jsem koupil ojetější hondu accord 2.0 ES, ale mám pár problému a nemám k tomu manuál, a tak se ptám raději přímo vás zkušenějších. Nejdou přední mlhovky, nevím zda je to pojistkou, (pokud ano kde ji hledat) nebo žarovkou, a jak se tam dostanu. Další trošku duležitější věc, nejdou vystražné blinkry a při centrálu taky ne, ale noramlně levá-pravá jde, nevíte kde hledat problém ?
Předem děkuji moc za odpovědi a pomoc Úsměv

EDIT, jinak nejede mi v kufru subwoofer, jak něják pečlivě odstraním kobereček abych ho tam mohl pak zpátky dát a skontrolovat elektro, jinak do servisu se mi to davat nechce, to by bylo asi dosti drahé Smutný
   Pomohl ti příspěvěk? Návrat  
    
Zobrazit informace o autorovi Osobní garáž Odeslat soukromou zprávu
Příspěvky: 417 H+ body: 1 2001 Accord  
angel.CZ je teď offline  angel.CZ
1 háčko
0
PříspěvekZaslal: 11.12.2011 , 20:42   Citovat  

A ještě jak dát, nebo kde si nechat dát Alarm do auta.
Vím že mám blbé otázky, ale radši se zeptám tady než abych vypláznul několik tisíc a bylo by mi to nanic, abych se pak dozvěděl že to šlo o polovinu levněji.
   Pomohl ti příspěvěk? Návrat  
    
Zobrazit informace o autorovi Osobní garáž Odeslat soukromou zprávu
Příspěvky: 417 H+ body: 1 2001 Accord  
Jarin je teď offline  Jarin
1 háčko
Členství: Žádné
0
PříspěvekZaslal: 11.12.2011 , 20:48   Citovat  

tak pojistky by měly byt normalně pod volantem...nevím jak u Accordu ale u starších civicu jsou i v motorovém prostoru u baterky....jinak ty vystražné by měly mít myslín nazev hazard (tuším) tak bych kouknul na seznam pojistek a potom tu odpovidajici vyměnil
   Pomohl ti příspěvěk? Návrat  
    
Zobrazit informace o autorovi Osobní garáž Odeslat soukromou zprávu
Příspěvky: 365 H+ body: 1 1997 Civic  
Becky je teď offline  Becky
4 háčka
Členství: Žádné
0
PříspěvekZaslal: 11.12.2011 , 20:50   Citovat  

nevim jak u acca, ale civic ma na vystrazny extra pojistku v mot. prostoru
   Pomohl ti příspěvěk? Návrat  
    
Zobrazit informace o autorovi Osobní garáž Odeslat soukromou zprávu
Příspěvky: 4503 H+ body: 42 1999 Civic VTEC  
Jarin je teď offline  Jarin
1 háčko
Členství: Žádné
0
PříspěvekZaslal: 11.12.2011 , 20:51   Citovat  

Becky napsal:
nevim jak u acca, ale civic ma na vystrazny extra pojistku v mot. prostoru
no to sem si pravě nebyl jisty jestly je pod volantem nebo u motoru....každopadně ten nazev pojistky by měl byt ,,hazard'' nebo něco na ten zbupos Velmi šťastný
   Pomohl ti příspěvěk? Návrat  
    
Zobrazit informace o autorovi Osobní garáž Odeslat soukromou zprávu
Příspěvky: 365 H+ body: 1 1997 Civic  
angel.CZ je teď offline  angel.CZ
1 háčko
0
PříspěvekZaslal: 11.12.2011 , 21:07   Citovat  

Jarin napsal:
no to sem si pravě nebyl jisty jestly je pod volantem nebo u motoru....každopadně ten nazev pojistky by měl byt ,,hazard'' nebo něco na ten zbupos Velmi šťastný


JJ díky moc zítra vyskouším a dám vědět Úsměv jinak pojistky mám u řidiče vlevo, u spolujezdce a i v motoru Velmi šťastný Teďka už vím i jak se to jmenuje. Díky moc za ušetřený čas a práci ! A stěma mlhovkama nevíte jak se to jmenuje ?
   Pomohl ti příspěvěk? Návrat  
    
Zobrazit informace o autorovi Osobní garáž Odeslat soukromou zprávu
Příspěvky: 417 H+ body: 1 2001 Accord  
Jarin je teď offline  Jarin
1 háčko
Členství: Žádné
0
PříspěvekZaslal: 11.12.2011 , 21:16   Citovat  

angel.CZ napsal:
JJ díky moc zítra vyskouším a dám vědět Úsměv jinak pojistky mám u řidiče vlevo, u spolujezdce a i v motoru Velmi šťastný Teďka už vím i jak se to jmenuje. Díky moc za ušetřený čas a práci ! A stěma mlhovkama nevíte jak se to jmenuje ?


no na civicu 5g to mam tuším jako fog light tak se mrkni na pojistku, ta by už měla byt po volantem....
   Pomohl ti příspěvěk? Návrat  
    
Zobrazit informace o autorovi Osobní garáž Odeslat soukromou zprávu
Příspěvky: 365 H+ body: 1 1997 Civic  
angel.CZ je teď offline  angel.CZ
1 háčko
0
PříspěvekZaslal: 11.12.2011 , 21:20   Citovat  

Taky zítra, zatím díky moc. Ještě by tam bylo pár maličkostí. Jak udělat aby jelo radio dále po vyndaní klíčku a kde vytáhnout anténu (jako ona tam není, ale pořád mi jede motorek když zapnu radio)
   Pomohl ti příspěvěk? Návrat  
    
Zobrazit informace o autorovi Osobní garáž Odeslat soukromou zprávu
Příspěvky: 417 H+ body: 1 2001 Accord  
Jarin je teď offline  Jarin
1 háčko
Členství: Žádné
0
PříspěvekZaslal: 11.12.2011 , 21:28   Citovat  

angel.CZ napsal:
Taky zítra, zatím díky moc. Ještě by tam bylo pár maličkostí. Jak udělat aby jelo radio dále po vyndaní klíčku a kde vytáhnout anténu (jako ona tam není, ale pořád mi jede motorek když zapnu radio)


s tím radiem netuším...vím že když se vytahne kliček tak se radio vypne a že kamaradovy hraje i po vytažení kličku...můžu se ho zeptat ale nevím kdy sním budu to ti spíš odpoví někdo jiny....ale podle mě není na škodu aby se radio vyplo když vytahneš kliček....taky se ti může stat že ho zapomeneš vypnout a rano budeš mit kaput baterku....a ten motorek by měl byt za tapecem v kufru ,teď nevím na ktere straně je na accu antena (na leve ?) tak asi odpojit....ale k tomu ti taky určitě řekne víc někdo jiny je to dobrý
   Pomohl ti příspěvěk? Návrat  
    
Zobrazit informace o autorovi Osobní garáž Odeslat soukromou zprávu
Příspěvky: 365 H+ body: 1 1997 Civic  
piskot je teď offline  piskot
4 háčka
0
PříspěvekZaslal: 12.12.2011 , 10:12   Citovat  

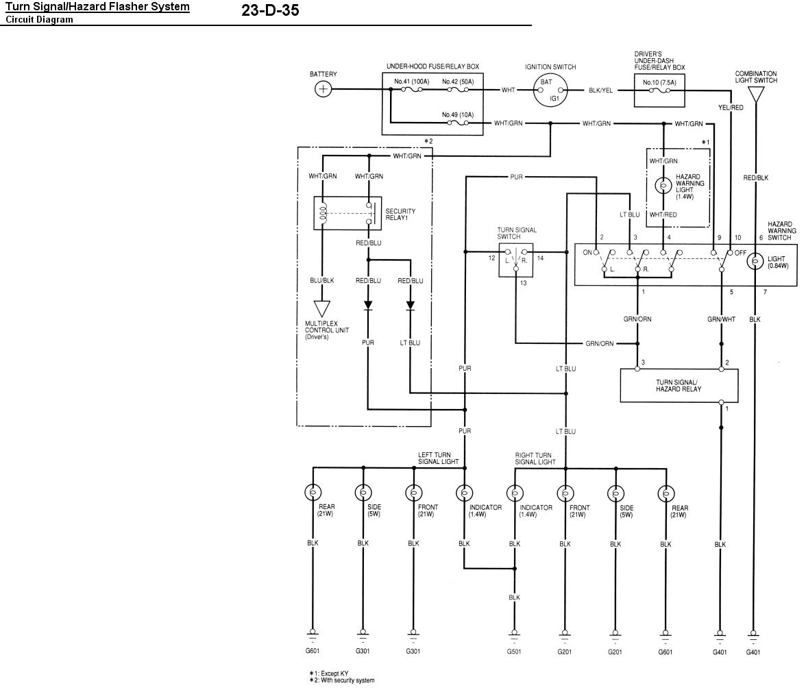
Výstražné blinkry...


Hazard3.JPG

Zobrazení obrázku v plné velikosti.
Hazard3.JPG, 59.13 kB

Hazard2.JPG

Zobrazení obrázku v plné velikosti.
Hazard2.JPG, 89.04 kB

Hazard1.JPG

Zobrazení obrázku v plné velikosti.
Hazard1.JPG, 72.06 kB
   Pomohl ti příspěvěk? Návrat  
    
Zobrazit informace o autorovi Osobní garáž Odeslat soukromou zprávu
Příspěvky: 3048 H+ body: 0 1999 Accord  
piskot je teď offline  piskot
4 háčka
0
PříspěvekZaslal: 12.12.2011 , 10:13   Citovat  

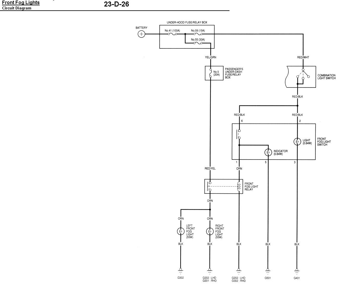
Mlhovky...


Front_Fog2.JPG

Zobrazení obrázku v plné velikosti.
Front_Fog2.JPG, 95.22 kB

Front_Fog1.JPG

Zobrazení obrázku v plné velikosti.
Front_Fog1.JPG, 53.33 kB
   Pomohl ti příspěvěk? Návrat  
    
Zobrazit informace o autorovi Osobní garáž Odeslat soukromou zprávu
Příspěvky: 3048 H+ body: 0 1999 Accord  
piskot je teď offline  piskot
4 háčka
0
PříspěvekZaslal: 12.12.2011 , 10:24   Citovat  

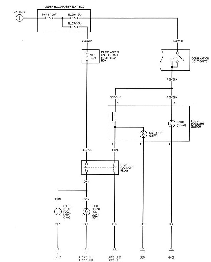
A teď textově. Co se týče mlhovek, buď je špatná pojistka, relé nebo tlačítko, a nebo žárovky...
Co se týče výstražných blinkrů, někomu při odemykání/zamykání auta dálkáčem blikne, někomu ne, má to na svědomí ta čárkovanou čárou ohraničená oblast. Že blinkry neblikají při stisku tlačítka s červeným trojúhelníčkem, tak to bych vyzkoušel to tlačítko, jak má fungovat, je na schématu.
   Pomohl ti příspěvěk? Návrat  
    
Zobrazit informace o autorovi Osobní garáž Odeslat soukromou zprávu
Příspěvky: 3048 H+ body: 0 1999 Accord  
Honcord je teď offline  Honcord
1 háčko
0
PříspěvekZaslal: 13.12.2011 , 14:37   Citovat  

...nejede woofer?...máš tam vůbec origo rádio?
Jinak woofer je na čtyřech matičkách v kufru, ale k němu je jinak "dlouhá cesta" od rádia, přes ekvalizér a zesilovač Bose kouř

...jestli ne, mě jedno funkční kazetový origo zbylo Velmi šťastný Velmi šťastný Velmi šťastný ...rád ho prodám Je to tam.
   Pomohl ti příspěvěk? Návrat  
    
Zobrazit informace o autorovi Osobní garáž Odeslat soukromou zprávu
Příspěvky: 275 H+ body: 1 2008 Accord Tourer  
angel.CZ je teď offline  angel.CZ
1 háčko
0
PříspěvekZaslal: 13.12.2011 , 18:34   Citovat  

Honcord napsal:
...nejede woofer?...máš tam vůbec origo rádio?
Jinak woofer je na čtyřech matičkách v kufru, ale k němu je jinak "dlouhá cesta" od rádia, přes ekvalizér a zesilovač Bose kouř

...jestli ne, mě jedno funkční kazetový origo zbylo Velmi šťastný Velmi šťastný Velmi šťastný ...rád ho prodám Je to tam.


No originál nemám, teďka tam je soňák, to jako nepojede i když má činče na woofér ? A kolik tak stojí taková ta hoinda měnička CD co je v kufru ? Je mi tam nanic
   Pomohl ti příspěvěk? Návrat  
    
Zobrazit informace o autorovi Osobní garáž Odeslat soukromou zprávu
Příspěvky: 417 H+ body: 1 2001 Accord  
angel.CZ je teď offline  angel.CZ
1 háčko
0
PříspěvekZaslal: 13.12.2011 , 18:37   Citovat  

piskot napsal:
A teď textově. Co se týče mlhovek, buď je špatná pojistka, relé nebo tlačítko, a nebo žárovky...
Co se týče výstražných blinkrů, někomu při odemykání/zamykání auta dálkáčem blikne, někomu ne, má to na svědomí ta čárkovanou čárou ohraničená oblast. Že blinkry neblikají při stisku tlačítka s červeným trojúhelníčkem, tak to bych vyzkoušel to tlačítko, jak má fungovat, je na schématu.


Mlhovky, pojistka dobrá, tak jsem koupil žarovky, ale dostat se tam je teda něco... to sám nedám KO
vystražné už jede (chyběla pojistka) ale centrál ne-e Bueee
   Pomohl ti příspěvěk? Návrat  
    
Zobrazit informace o autorovi Osobní garáž Odeslat soukromou zprávu
Příspěvky: 417 H+ body: 1 2001 Accord  
Honcord je teď offline  Honcord
1 háčko
0
PříspěvekZaslal: 13.12.2011 , 21:42   Citovat  

angel.CZ napsal:
No originál nemám, teďka tam je soňák, to jako nepojede i když má činče na woofér ? A kolik tak stojí taková ta hoinda měnička CD co je v kufru ? Je mi tam nanic



Bohužel nepojede nesouhlas

Pročti si následující linky : tudy odkaz

...a pak třeba tudy odkaz
   Pomohl ti příspěvěk? Návrat  
    
Zobrazit informace o autorovi Osobní garáž Odeslat soukromou zprávu
Příspěvky: 275 H+ body: 1 2008 Accord Tourer  
Honcord je teď offline  Honcord
1 háčko
0
PříspěvekZaslal: 13.12.2011 , 21:45   Citovat  

angel.CZ napsal:
No originál nemám, teďka tam je soňák, to jako nepojede i když má činče na woofér ? A kolik tak stojí taková ta hoinda měnička CD co je v kufru ? Je mi tam nanic


...my to čéče asi dáme doholpeca...ty máš CD měnič H+ a já mám k němu rádio H+
...taky nevím co s rádiem pořádnej výtlem pořádnej výtlem
   Pomohl ti příspěvěk? Návrat  
    
Zobrazit informace o autorovi Osobní garáž Odeslat soukromou zprávu
Příspěvky: 275 H+ body: 1 2008 Accord Tourer  
angel.CZ je teď offline  angel.CZ
1 háčko
0
PříspěvekZaslal: 9.1.2012 , 18:14   Citovat  

Ahoj, tak dneska jsem to přivezl z opravny a mlhovky vyměněné (žárovky) a nic Smutný Tlačítko svití ale plhovky ne a ne jet. Nemá někdo skušenosti jak s drátama ať nerozebírám celou přístrojovky a prošel jen dráty či kde je chyba Smutný
   Pomohl ti příspěvěk? Návrat  
    
Zobrazit informace o autorovi Osobní garáž Odeslat soukromou zprávu
Příspěvky: 417 H+ body: 1 2001 Accord  
Honcord je teď offline  Honcord
1 háčko
0
PříspěvekZaslal: 9.1.2012 , 21:02   Citovat  

angel.CZ napsal:
Ahoj, tak dneska jsem to přivezl z opravny a mlhovky vyměněné (žárovky) a nic Smutný Tlačítko svití ale plhovky ne a ne jet. Nemá někdo skušenosti jak s drátama ať nerozebírám celou přístrojovky a prošel jen dráty či kde je chyba Smutný


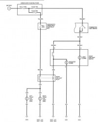
...tak spínač musí spínat a relé musí cvakat...jednoduše řečeno, samozřejmě měřením zjištěno.
Relé je před spolujezdcem...netušim přesně, běžně je ho slyšet cvaknout při zapnutí.


Front_fog_lights_relay.jpg

Zobrazení obrázku v plné velikosti.
Front_fog_lights_relay.jpg, 135.35 kB
   Pomohl ti příspěvěk? Návrat  
    
Zobrazit informace o autorovi Osobní garáž Odeslat soukromou zprávu
Příspěvky: 275 H+ body: 1 2008 Accord Tourer  
angel.CZ je teď offline  angel.CZ
1 háčko
0
PříspěvekZaslal: 9.1.2012 , 21:22   Citovat  

Honcord napsal:
...tak spínač musí spínat a relé musí cvakat...jednoduše řečeno, samozřejmě měřením zjištěno.
Relé je před spolujezdcem...netušim přesně, běžně je ho slyšet cvaknout při zapnutí.


ok vyzkouším jestli cvaká. a dám vědět ještě dnes Úsměv
   Pomohl ti příspěvěk? Návrat  
    
Zobrazit informace o autorovi Osobní garáž Odeslat soukromou zprávu
Příspěvky: 417 H+ body: 1 2001 Accord  
angel.CZ je teď offline  angel.CZ
1 háčko
0
PříspěvekZaslal: 10.1.2012 , 10:21   Citovat  

Honcord napsal:
...tak spínač musí spínat a relé musí cvakat...jednoduše řečeno, samozřejmě měřením zjištěno.
Relé je před spolujezdcem...netušim přesně, běžně je ho slyšet cvaknout při zapnutí.


Tak relé tedy funguje, cvaká to u spolujezdce... to bude asi někde přetrženej kablík. Nemáte někdo od toho nějáky návod kudy to vede, ať se nedostanu kam nemám Bueee
   Pomohl ti příspěvěk? Návrat  
    
Zobrazit informace o autorovi Osobní garáž Odeslat soukromou zprávu
Příspěvky: 417 H+ body: 1 2001 Accord  
Honcord je teď offline  Honcord
1 háčko
0
PříspěvekZaslal: 10.1.2012 , 21:13   Citovat  

angel.CZ napsal:
Tak relé tedy funguje, cvaká to u spolujezdce... to bude asi někde přetrženej kablík. Nemáte někdo od toho nějáky návod kudy to vede, ať se nedostanu kam nemám Bueee


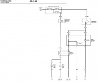
Relé cvaká...to znamená že ti vypínač funguje a zkoušíš to u zapnutých světel...OK

Tak to už zbývá jen pojistky, rélé, dráty.Kostry jsem vyloučil, každá mlhovka má svou vlastní a že by zaoxidovaly obě naráz nevěřím.Ale hoď vokem jak vypadají, jsou v motorovým prostoru v místech blinkrů (hlavních světel).
Pakliže ti je někdo neodstřihl je to svazek černých drátů pod šroubem do kastle.

Jedna pojistka 30A je v motoru, tu bych zkontroloval očistil, ale pokud by byla prdlá, nefungovali by ostřikovače světel a el. sedadla...ty ale asi nemáš.
Další pojistka č.:5, 20A před spolujezdcem.
...obě pojistky bych propískal měřákem, jen tak pro zichr.

Pak je relé a to je můj favorit a na něj sázím, že nevalí, má beztak přičmoudlý kontakty takže cvaká, ale nespíná..vytáhnout a změřit.
Pin 3 a 4 je napájení 12V (nemá polarity, je to jedno kam +) a pin 1 a 2 musí sepnout.Viz foto.



Z relé pak vede oranžovej drát (1 nebo 2) přímo do žárovek...nebo spíš bude jeden ve druhým svazku nad pojistkama č.:4 až 8, druhej drát ve svazku hned vlevo, ten co je výš.

Do půl hoďky víš kde je chyba je to dobrý

Sázím na relé kouř dej vědět.


Relays.jpg

Zobrazení obrázku v plné velikosti.
Relays.jpg, 199.4 kB
   Pomohl ti příspěvěk? Návrat  
    
Zobrazit informace o autorovi Osobní garáž Odeslat soukromou zprávu
Příspěvky: 275 H+ body: 1 2008 Accord Tourer  
angel.CZ je teď offline  angel.CZ
1 háčko
0
PříspěvekZaslal: 11.1.2012 , 11:02   Citovat  

No to mi hlava nebere ... to mám tak na celej den Velmi šťastný Pochopil jsem z toho asi jen to že mám rozebrat půlku palubovky a zkontrolovat rele (to ovšem nevím kde hledat)... Skusím o víkendu. Díky
   Pomohl ti příspěvěk? Návrat  
    
Zobrazit informace o autorovi Osobní garáž Odeslat soukromou zprávu
Příspěvky: 417 H+ body: 1 2001 Accord  
Honcord je teď offline  Honcord
1 háčko
0
PříspěvekZaslal: 11.1.2012 , 12:54   Citovat  

angel.CZ napsal:
No to mi hlava nebere ... to mám tak na celej den Velmi šťastný Pochopil jsem z toho asi jen to že mám rozebrat půlku palubovky a zkontrolovat rele (to ovšem nevím kde hledat)... Skusím o víkendu. Díky


...nemusíš rozdělávat palubku, maximálně vytáhneš kastlík - je asi na 5 šroubcích, bacha na žárovku vlevo nahoře!A když už budeš mít kastl venku, vyměň si pilovej filtr je to dobrý
Hoď vokem na výkres palubky, co jsem sem hodil, jsou tam 2 relátka vedle sebe za kastlíkem.

Ještě se přesvěč, že se při ostřikování ostřikují i světla abys vyloučil chybu někde u té 30A pojistky...jestli nestříkají tak relé vůbec hledat nemusíš!!!
   Pomohl ti příspěvěk? Návrat  
    
Zobrazit informace o autorovi Osobní garáž Odeslat soukromou zprávu
Příspěvky: 275 H+ body: 1 2008 Accord Tourer  
angel.CZ je teď offline  angel.CZ
1 háčko
0
PříspěvekZaslal: 11.1.2012 , 19:52   Citovat  

Honcord napsal:
...nemusíš rozdělávat palubku, maximálně vytáhneš kastlík - je asi na 5 šroubcích, bacha na žárovku vlevo nahoře!A když už budeš mít kastl venku, vyměň si pilovej filtr je to dobrý
Hoď vokem na výkres palubky, co jsem sem hodil, jsou tam 2 relátka vedle sebe za kastlíkem.

Ještě se přesvěč, že se při ostřikování ostřikují i světla abys vyloučil chybu někde u té 30A pojistky...jestli nestříkají tak relé vůbec hledat nemusíš!!!


No... Velmi šťastný světla ostřikují. Kouknu na to snad v sobotu.
PS: nemá někdo tu knížečku nebo není na netu ,,jak na to´´ elektro atd ? (nemyslím servisní manuál k auto, to mám taky)
   Pomohl ti příspěvěk? Návrat  
    
Zobrazit informace o autorovi Osobní garáž Odeslat soukromou zprávu
Příspěvky: 417 H+ body: 1 2001 Accord  
sunnx je teď offline  sunnx
1 háčko
Členství: Žádné
0
PříspěvekZaslal: 12.1.2012 , 12:28   Citovat  

jak na to Velmi šťastný to mel kamos na okenu Velmi šťastný staci schéma a jedes ne Velmi šťastný
   Pomohl ti příspěvěk? Návrat  
    
Zobrazit informace o autorovi Osobní garáž Odeslat soukromou zprávu
Příspěvky: 497 H+ body: 0 2000 Accord  
Honcord je teď offline  Honcord
1 háčko
0
PříspěvekZaslal: 15.1.2012 , 1:38   Citovat  

Týý voéé, von má manuál a ještě sce videokuchařku Velmi šťastný

Tak to už ti poradím to dát profíkům do servisu kouř
   Pomohl ti příspěvěk? Návrat  
    
Zobrazit informace o autorovi Osobní garáž Odeslat soukromou zprávu
Příspěvky: 275 H+ body: 1 2008 Accord Tourer  
angel.CZ je teď offline  angel.CZ
1 háčko
0
PříspěvekZaslal: 29.1.2012 , 22:43   Citovat  

Tak lidičky, včera jsem to rozebral a byl jsem z toho v pasti, jak vypadá to relé ?? a kde ho hledat ?

tudy odkaz
   Pomohl ti příspěvěk? Návrat  
    
Zobrazit informace o autorovi Osobní garáž Odeslat soukromou zprávu
Příspěvky: 417 H+ body: 1 2001 Accord  
Honcord je teď offline  Honcord
1 háčko
0
PříspěvekZaslal: 30.1.2012 , 21:23   Citovat  

angel.CZ napsal:
Tak lidičky, včera jsem to rozebral a byl jsem z toho v pasti, jak vypadá to relé ?? a kde ho hledat ?

tudy odkaz


...zacvakej si vypínačem a běž po cvaku Mrk
   Pomohl ti příspěvěk? Návrat  
    
Zobrazit informace o autorovi Osobní garáž Odeslat soukromou zprávu
Příspěvky: 275 H+ body: 1 2008 Accord Tourer  
Luky je teď offline  Luky
2 háčka
Členství: Žádné
0
PříspěvekZaslal: 30.1.2012 , 22:25   Citovat  

angel.CZ napsal:
Tak lidičky, včera jsem to rozebral a byl jsem z toho v pasti, jak vypadá to relé ?? a kde ho hledat ?

tudy odkaz


mozna by nebylo spatne otevrit manual, na te fotografii to neni videt budes se muset ohnout a podivat se ponekud nize Úsměv v manualu co mam ja je to nakresleno trosku jinde nez v tom Honcordovym (viz obrazek)


k vysvetleni co ti dal Honcord doplnim bych jeste nejdriv zkontroloval tu pojistku č.5 20A, protoze i kdyz rele cvaka neni zaruka ze je na spinanem kontaktu napeti.


schema.jpg

Zobrazení obrázku v plné velikosti.
schema.jpg, 54.38 kB

kde je.jpg

Zobrazení obrázku v plné velikosti.
kde je.jpg, 110.82 kB
   Pomohl ti příspěvěk? Návrat  
    
Zobrazit informace o autorovi Osobní garáž Odeslat soukromou zprávu
Příspěvky: 901 H+ body: 0 1997 Prelude Type-S  

  Obsah fóra Honda-club.cz   
Accord 6G elektro
Fórum: Elektroinstalace
1
Pomohlo ti toto téma?   
Zobrazit příspěvky z předchozích:
 Řadit příspěvky dle: 
Jdi na stránku 1, 2  Další 
Zaslat odpověď



 Časy uváděny v GMT + 1 hodina  
    
Nemůžete odesílat nové téma do tohoto fóra.
Nemůžete odpovídat na témata v tomto fóru.
Nemůžete upravovat své příspěvky v tomto fóru.
Nemůžete mazat své příspěvky v tomto fóru.
Nemůžete hlasovat v tomto fóru.
Můžete k příspěvkům připojovat soubory
Můžete stahovat a prohlížet přiložené soubory
Nemůžete moderovat Vaše témata v tomto fóru.



Board Security

(104575 útoků)
::  www.honda-club.cz  :: Témata RSS TOPlist

[ Čas: 0.1929s ][ Dotazy: 147 (0.0181s) ][ GZIP on - Debug on ]