Rozšířené hledání} Informace o členství Kontaktní informace Seznam uživatelů Kalendář Spřátelené weby Honda-club.cz Přihlásit se k emailu
[2]
Linka Uživatelské skupiny Linka Galerie avatarů Linka Kdo je online Linka
Linka Jak se stát členem klubu Linka Stáhnout stanovy sdružení Linka Výhody pro členy klubu Linka
  Obsah fóra Honda-club.cz   
Napojení dálkového centrálu na stávající servomotory KA9
Fórum: Elektroinstalace
0
Pomohlo ti toto téma?   
Zobrazit příspěvky z předchozích:
 Řadit příspěvky dle: 
Zaslat odpověď



  Strana 1 z 1
Roman1 je teď offline  Roman1
0
PříspěvekZaslal: 29.1.2012 , 11:58   Citovat  

Ahojte. Instaluju dálkový centrál, mám ho i s motorkama, ale podle mě je zbytečný je tam dávat, ptž tam už 100pro sou. Ale sem v matu který kabel na který mám připojit. Krom toho mi nefunguje zámek řidiče a musím odemykat přes spolujezdce, takže nový motorek ani nemůžu napojit na zámek..

Není tu mějaký elektrikář?

Ve dveřích je jeden konektor vedoucí k motorku. Je rozdělený na dva svazky. Jeden jde podle mě k alarmu (zelenomodrý a černý) a druhý na odemykání a zamykání ( žlutočervený, bíločervený, černý, modrobílý a zelenobílý).

a na nových motorkách mam na předních ovládacích bílý, černý, hnědý, modrý a zelený. A na zadních jen modrý a bílý.

Nedokáže mi někdo poradit, který na který patří, aby mi to zamykalo a odemykalo na dálku s původníma motorkama?
   Pomohl ti příspěvěk? Návrat  
    
Zobrazit informace o autorovi  Odeslat soukromou zprávu
Příspěvky: 71 H+ body: 0  
Jonaasek je teď offline  Jonaasek
2 háčka
0
PříspěvekZaslal: 29.1.2012 , 12:09   Citovat  

stáhni si manuál, k tvému autu a najdu si kde máš jednotku centrálu, tu potom odpojíš a na dané dráty napojíš přímo dráty z krabičky, kterou jsi koupil....
   Pomohl ti příspěvěk? Návrat  
    
Zobrazit informace o autorovi Osobní garáž Odeslat soukromou zprávu
Příspěvky: 849 H+ body: 1 1997 Accord  
Roman1 je teď offline  Roman1
0
PříspěvekZaslal: 29.1.2012 , 12:14   Citovat  

manuál mam, jednotka je tušim v řidičových dveřích. Ale právě nevim, který kabel na který mam napojit..
   Pomohl ti příspěvěk? Návrat  
    
Zobrazit informace o autorovi  Odeslat soukromou zprávu
Příspěvky: 71 H+ body: 0  
Jonaasek je teď offline  Jonaasek
2 háčka
0
PříspěvekZaslal: 29.1.2012 , 12:25   Citovat  

Roman1 napsal:
manuál mam, jednotka je tušim v řidičových dveřích. Ale právě nevim, který kabel na který mam napojit..

v tom manuálu je diagram, kde je znázorněné který drát dělá co... Velmi šťastný a u každého je barevná kombinace, ty musíš najít jen +12v a lock a unlock a gnd...u lock a unlock bude uvedené i jestli se ovládá + nebo - tyhle 4 dráty jsou pro tebe důležité..pak se musíš řídit podle návodu k dálce...
   Pomohl ti příspěvěk? Návrat  
    
Zobrazit informace o autorovi Osobní garáž Odeslat soukromou zprávu
Příspěvky: 849 H+ body: 1 1997 Accord  
Roman1 je teď offline  Roman1
0
PříspěvekZaslal: 29.1.2012 , 12:54   Citovat  

Jonaasek napsal:
v tom manuálu je diagram, kde je znázorněné který drát dělá co... Velmi šťastný a u každého je barevná kombinace, ty musíš najít jen +12v a lock a unlock a gnd...u lock a unlock bude uvedené i jestli se ovládá + nebo - tyhle 4 dráty jsou pro tebe důležité..pak se musíš řídit podle návodu k dálce...


to myslim není. Tak je pomalu 20 stránek konektorů jenom u centrálu, není ani čárka o tom, co který kabel dělá a barvy mi nesouhlasí s tím, které tam mám. Nemám se čeho chytit. A u dálkového taky nemám psané, který kabel je co. jenom, že mam propojit jednotku s motorkama a pak alarmem.
   Pomohl ti příspěvěk? Návrat  
    
Zobrazit informace o autorovi  Odeslat soukromou zprávu
Příspěvky: 71 H+ body: 0  
sablos je teď offline  sablos
5 háček
Členství: Žádné
0
PříspěvekZaslal: 29.1.2012 , 13:08   Citovat  

dodej sem foto centrálu s drátama a typ auta. snad ti dokážeme pomoci.
   Pomohl ti příspěvěk? Návrat  
    
Zobrazit informace o autorovi Osobní garáž Odeslat soukromou zprávu
Příspěvky: 10086 H+ body: 15 2002 CR-V  
Jonaasek je teď offline  Jonaasek
2 háčka
0
PříspěvekZaslal: 29.1.2012 , 13:12   Citovat  

přesně, nejlíp hoď odkaz na stránku, kdes ho koupil, jestli ho máš z krámu tak ho vyfoť i s papírama a uvidíme... jestli jem to pochopil tak to máš na legenda...
   Pomohl ti příspěvěk? Návrat  
    
Zobrazit informace o autorovi Osobní garáž Odeslat soukromou zprávu
Příspěvky: 849 H+ body: 1 1997 Accord  
Roman1 je teď offline  Roman1
0
PříspěvekZaslal: 29.1.2012 , 13:34  Naposledy upravil Roman1 dne 29.1.2012 , 13:45, celkově upraveno 12 krát. Citovat  

Je to Legend KA9 96. Hodim vám sem stránky z manuálu, třeba to někdo rozlousknete líp, než já..


1.png

Zobrazení obrázku v plné velikosti.
1.png, 271.86 kB

2.png

Zobrazení obrázku v plné velikosti.
2.png, 263.53 kB

3.png

Zobrazení obrázku v plné velikosti.
3.png, 253.17 kB

4.png

Zobrazení obrázku v plné velikosti.
4.png, 317.85 kB

5.png

Zobrazení obrázku v plné velikosti.
5.png, 275.94 kB

6.png

Zobrazení obrázku v plné velikosti.
6.png, 276.96 kB

7.png

Zobrazení obrázku v plné velikosti.
7.png, 301.52 kB

8.png

Zobrazení obrázku v plné velikosti.
8.png, 322.11 kB

9.png

Zobrazení obrázku v plné velikosti.
9.png, 264.18 kB

10.png

Zobrazení obrázku v plné velikosti.
10.png, 277.56 kB

11.png

Zobrazení obrázku v plné velikosti.
11.png, 260.99 kB

12.png

Zobrazení obrázku v plné velikosti.
12.png, 258.09 kB

13.png

Zobrazení obrázku v plné velikosti.
13.png, 260.52 kB

14.png

Zobrazení obrázku v plné velikosti.
14.png, 282.75 kB

15.png

Zobrazení obrázku v plné velikosti.
15.png, 255.75 kB

16.png

Zobrazení obrázku v plné velikosti.
16.png, 269.31 kB
   Pomohl ti příspěvěk? Návrat  
    
Zobrazit informace o autorovi  Odeslat soukromou zprávu
Příspěvky: 71 H+ body: 0  
Jonaasek je teď offline  Jonaasek
2 háčka
0
PříspěvekZaslal: 29.1.2012 , 13:37   Citovat  

to není ono...musí to být...stránka plná čárek Velmi šťastný ne diagram...
   Pomohl ti příspěvěk? Návrat  
    
Zobrazit informace o autorovi Osobní garáž Odeslat soukromou zprávu
Příspěvky: 849 H+ body: 1 1997 Accord  
Roman1 je teď offline  Roman1
0
PříspěvekZaslal: 29.1.2012 , 13:49   Citovat  

a tu sadu mam tuhle : tudy odkaz
je tam i pdf návod.
   Pomohl ti příspěvěk? Návrat  
    
Zobrazit informace o autorovi  Odeslat soukromou zprávu
Příspěvky: 71 H+ body: 0  
Roman1 je teď offline  Roman1
0
PříspěvekZaslal: 29.1.2012 , 15:26   Citovat  

Tak sem nafotil tu jednotku centrálu. je to myslim ta na fotkách 927 a 936. to druhé bude asi imobilizační, že?


P1110927.JPG

Zobrazení obrázku v plné velikosti.
P1110927.JPG, 647.92 kB

P1110936.JPG

Zobrazení obrázku v plné velikosti.
P1110936.JPG, 625.44 kB

P1110928.JPG

Zobrazení obrázku v plné velikosti.
P1110928.JPG, 694.08 kB

P1110932.JPG

Zobrazení obrázku v plné velikosti.
P1110932.JPG, 563.26 kB
   Pomohl ti příspěvěk? Návrat  
    
Zobrazit informace o autorovi  Odeslat soukromou zprávu
Příspěvky: 71 H+ body: 0  
Roman1 je teď offline  Roman1
0
PříspěvekZaslal: 29.1.2012 , 18:55   Citovat  

Jestli to chápu dobře, tak žlutočernou (1) nemam. Žlutá (3) je plus po zapnutí zapalování, růžovo-modrá je mínusem ovládaný zámek kufru, zelená (5) odemyká všechny dveře, červeno-bílá (6) zamyká všechny dveře, černá (7) je kostra a bílá (Cool je stálé plus?

takže když zjistim, který kabel zamyká a který odemyká u té nové jednotky, tak je stačí propojit s 5kou a 6kou, otevírání kufru na dálku napojit na 4ku, dovírání oken a dveří má alarm, to nic a to je vše?
   Pomohl ti příspěvěk? Návrat  
    
Zobrazit informace o autorovi  Odeslat soukromou zprávu
Příspěvky: 71 H+ body: 0  
Jonaasek je teď offline  Jonaasek
2 háčka
0
PříspěvekZaslal: 29.1.2012 , 19:02   Citovat  

ta jednotka je vpodstatě to stejné jak mám já na accordu, takže ty vytáhneš oba konektory, a jediné drátky které použiješ budou z toho delšího konektoru dva spodní, jeden odemyká druhá zamyká a je ovládaný plusem...
napiš mi jakou mají barvu
   Pomohl ti příspěvěk? Návrat  
    
Zobrazit informace o autorovi Osobní garáž Odeslat soukromou zprávu
Příspěvky: 849 H+ body: 1 1997 Accord  
Roman1 je teď offline  Roman1
0
PříspěvekZaslal: 29.1.2012 , 19:11   Citovat  

Jonaasek napsal:
ta jednotka je vpodstatě to stejné jak mám já na accordu, takže ty vytáhneš oba konektory, a jediné drátky které použiješ budou z toho delšího konektoru dva spodní, jeden odemyká druhá zamyká a je ovládaný plusem...
napiš mi jakou mají barvu


počky, myslíš to s těma modrýma konektorama? není to imobilizační jednotka? Někde tady sem se dočetl, že imo má dva konektory a centrál jeden. A z toho centrálu - na prvním a druhým obrázku vede i anténa na sklo.. a tam sou barvy - zelená, červeno-bílá, růžovo-modrá, žlutá, černá a bílá.
   Pomohl ti příspěvěk? Návrat  
    
Zobrazit informace o autorovi  Odeslat soukromou zprávu
Příspěvky: 71 H+ body: 0  
Jonaasek je teď offline  Jonaasek
2 háčka
0
PříspěvekZaslal: 29.1.2012 , 19:13   Citovat  

Roman1 napsal:
počky, myslíš to s těma modrýma konektorama? není to imobilizační jednotka? Někde tady sem se dočetl, že imo má dva konektory a centrál jeden. A z toho centrálu - na prvním a druhým obrázku vede i anténa na sklo.. a tam sou barvy - zelená, červeno-bílá, růžovo-modrá, žlutá, černá a bílá.
   Pomohl ti příspěvěk? Návrat  
    
Zobrazit informace o autorovi Osobní garáž Odeslat soukromou zprávu
Příspěvky: 849 H+ body: 1 1997 Accord  
Jonaasek je teď offline  Jonaasek
2 háčka
0
PříspěvekZaslal: 29.1.2012 , 19:14   Citovat  

Roman1 napsal:
počky, myslíš to s těma modrýma konektorama? není to imobilizační jednotka? Někde tady sem se dočetl, že imo má dva konektory a centrál jeden. A z toho centrálu - na prvním a druhým obrázku vede i anténa na sklo.. a tam sou barvy - zelená, červeno-bílá, růžovo-modrá, žlutá, černá a bílá.


takže šest drátů....ale to už je málo...počkej mrknu na to
   Pomohl ti příspěvěk? Návrat  
    
Zobrazit informace o autorovi Osobní garáž Odeslat soukromou zprávu
Příspěvky: 849 H+ body: 1 1997 Accord  
Jonaasek je teď offline  Jonaasek
2 háčka
0
PříspěvekZaslal: 29.1.2012 , 19:22   Citovat  

je to ten delší konektor ale z tech papírů, co jdou stáhnout z té stránky jde vyčíst prd...první co musíš udělat, je najít ty dva drátky, které odemykají a zamykají centrál, popřípadě ještě dva, které hýbou s odskokem kufru...až je budeš mít tak napiš a řeknu ti co dál...jo nezapomeň ten černý z toho konektoru propojit s kostrou....
   Pomohl ti příspěvěk? Návrat  
    
Zobrazit informace o autorovi Osobní garáž Odeslat soukromou zprávu
Příspěvky: 849 H+ body: 1 1997 Accord  
Jonaasek je teď offline  Jonaasek
2 háčka
0
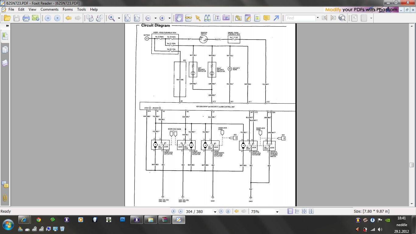
PříspěvekZaslal: 29.1.2012 , 19:45   Citovat  

takto nějak to co potřebuju vidět musí vpadat...je to keyless entry and security alarm system - circuit diagram, podle tohoto potřebuješ červený s bílým a červený se žlutým proužkem, ty zamykají/odemykají pak to je už pohoda...ale je právě možná že u tebe to je jiné označení i umístění, proto potřebuju vidět ten circuit diagram


diagram.jpg

Zobrazení obrázku v plné velikosti.
diagram.jpg, 175.13 kB
   Pomohl ti příspěvěk? Návrat  
    
Zobrazit informace o autorovi Osobní garáž Odeslat soukromou zprávu
Příspěvky: 849 H+ body: 1 1997 Accord  
Roman1 je teď offline  Roman1
0
PříspěvekZaslal: 29.1.2012 , 20:56   Citovat  

Jonaasek napsal:
takto nějak to co potřebuju vidět musí vpadat...je to keyless entry and security alarm system - circuit diagram, podle tohoto potřebuješ červený s bílým a červený se žlutým proužkem, ty zamykají/odemykají pak to je už pohoda...ale je právě možná že u tebe to je jiné označení i umístění, proto potřebuju vidět ten circuit diagram


tak tohle tam právě vůbec není, takže dělat něco s elektrikou je dost haluz na Legendovi..
   Pomohl ti příspěvěk? Návrat  
    
Zobrazit informace o autorovi  Odeslat soukromou zprávu
Příspěvky: 71 H+ body: 0  
monty je teď offline  monty
Moderátor
Členství: Žádné
0
PříspěvekZaslal: 30.1.2012 , 8:38   Citovat  

nebylo by lepší to odvýzt k elektrikářovi ? nemáte ánunk co děláte.až něco vypálíte bude to dražší.
1 verze!
motorek ve dveřích je na pinech 2 a 7 mezi nima musíš zapojit reverzaci od alarmu- nejjednodušší zapojení....
nebo !
podle těch stránek manuálu bys měl najít ovládací impulsy na pinech ecu 6 + 16 (open + close)nebo 8 + 18 -podle toho popisu nerozliším co je povel od klíčku a co zpětná informace o poloze -leda měřák a změřit.dál to vypadá že to má zajišťování "čudlíku" na pinech 7+17 to asi na dálku fungovat nebude leda to dát na některej externí výstup alarmu.
nebo!
by mohly jít použít výstupy pro spolujezdcovy dveře , A21+23 ...
atd . ale všechny tyhle možnosti potřebujou zkontrolovat ve skutečnosti s měřákem v ruce.
   Pomohl ti příspěvěk? Návrat  
    
Zobrazit informace o autorovi Osobní garáž Odeslat soukromou zprávu
Příspěvky: 5207 H+ body: 45 1988 Prelude  
Roman1 je teď offline  Roman1
0
PříspěvekZaslal: 30.1.2012 , 16:59   Citovat  

monty : myslíš teda, že mi stačí napojit na zelenou (5) odemyká všechny dveře výstupní signál z nové jednotky centrálu na zamykání a na červeno-bílou (6) zamyká všechny dveře signál na zamykání a na černou (7) kostru a mělo by mi to fungovat, ne? Výstup na kufr nepotřebuju, je tam spešl tlačítko ve dveřích a otevřu ho i na dálku pak napojením signálu právě na toto tlačítko..
   Pomohl ti příspěvěk? Návrat  
    
Zobrazit informace o autorovi  Odeslat soukromou zprávu
Příspěvky: 71 H+ body: 0  

  Obsah fóra Honda-club.cz   
Napojení dálkového centrálu na stávající servomotory KA9
Fórum: Elektroinstalace
0
Pomohlo ti toto téma?   
Zobrazit příspěvky z předchozích:
 Řadit příspěvky dle: 
Zaslat odpověď



 Časy uváděny v GMT + 1 hodina  
    
Nemůžete odesílat nové téma do tohoto fóra.
Nemůžete odpovídat na témata v tomto fóru.
Nemůžete upravovat své příspěvky v tomto fóru.
Nemůžete mazat své příspěvky v tomto fóru.
Nemůžete hlasovat v tomto fóru.
Můžete k příspěvkům připojovat soubory
Můžete stahovat a prohlížet přiložené soubory
Nemůžete moderovat Vaše témata v tomto fóru.



Board Security

(104575 útoků)
::  www.honda-club.cz  :: Témata RSS TOPlist

[ Čas: 0.1562s ][ Dotazy: 111 (0.0126s) ][ GZIP on - Debug on ]