Rozšířené hledání} Informace o členství Kontaktní informace Seznam uživatelů Kalendář Spřátelené weby Honda-club.cz Přihlásit se k emailu
[2]
Linka Uživatelské skupiny Linka Galerie avatarů Linka Kdo je online Linka
Linka Jak se stát členem klubu Linka Stáhnout stanovy sdružení Linka Výhody pro členy klubu Linka
  Obsah fóra Honda-club.cz   
Problém zapojení při swapu D15B2/B7
Fórum: Motor, ECU, spojka a převodovka
0
Pomohlo ti toto téma?   
Zobrazit příspěvky z předchozích:
 Řadit příspěvky dle: 
Zaslat odpověď



  Strana 1 z 1
Tony8 je teď offline  Tony8
0
PříspěvekZaslal: 21.2.2014 , 13:25   Citovat  

Zdravím, mám problém při swapu. Chtěl jsem přehodit sání z motoru d15b7 na můj b2 samozřejmě s kabeláží rozdělovačem i ECU..jenže když jsem vyměnil kabelový svazek kolem motoru zjistil jsem že přípojka ze svazku a u rozdelovac me je každá jiná viz. foto a že k rozdělovači vede 5 kabelů a od něj 7. Po pátrání po zbylých dvou jsem rozdělal svazek a od vstriků 2 a 4 jsou dva kabely přestřihlé.. Nevíte někdo co s tím? Jak se to dá nějak spojit? Předem díky Úsměv


image.jpg

Zobrazení obrázku v plné velikosti.
image.jpg, 548.82 kB

image.jpg

Zobrazení obrázku v plné velikosti.
image.jpg, 743.7 kB
   Pomohl ti příspěvěk? Návrat  
    
Zobrazit informace o autorovi  Odeslat soukromou zprávu
Příspěvky: 72 H+ body: 0  
Kmóďa je teď offline  Kmóďa
4 háčka
Členství: Žádné
0
PříspěvekZaslal: 21.2.2014 , 14:06   Citovat  

Moc ti nerozumím,dělal jsem stejný swap a rozdělovač z D15B7 má 7 pinů a konektor u kabelového svazku z D15B7 taky...
Kde si vzal ten konektor 5ti pinový co je na foto?
   Pomohl ti příspěvěk? Návrat  
    
Zobrazit informace o autorovi Osobní garáž Odeslat soukromou zprávu
Příspěvky: 3743 H+ body: 14 2003 Accord  
Tony8 je teď offline  Tony8
0
PříspěvekZaslal: 21.2.2014 , 14:35   Citovat  

Koupil jsem ho tady na fóru..stejně jako ostatní věci..ale ten svazek se mi nějak nelíbí..ty dva kabely od vstřiků by měly taky někde být ne?
   Pomohl ti příspěvěk? Návrat  
    
Zobrazit informace o autorovi  Odeslat soukromou zprávu
Příspěvky: 72 H+ body: 0  
Tony8 je teď offline  Tony8
0
PříspěvekZaslal: 21.2.2014 , 14:37   Citovat  

Ten konektor pasuje na starej rozdělovač z b2 ale na tenhle už ne..
   Pomohl ti příspěvěk? Návrat  
    
Zobrazit informace o autorovi  Odeslat soukromou zprávu
Příspěvky: 72 H+ body: 0  
Kmóďa je teď offline  Kmóďa
4 háčka
Členství: Žádné
0
PříspěvekZaslal: 21.2.2014 , 18:47   Citovat  

Ta to není kabelový svazek z D15B7...
   Pomohl ti příspěvěk? Návrat  
    
Zobrazit informace o autorovi Osobní garáž Odeslat soukromou zprávu
Příspěvky: 3743 H+ body: 14 2003 Accord  
Tony8 je teď offline  Tony8
0
PříspěvekZaslal: 21.2.2014 , 19:42   Citovat  

A přímo u sání mi jeden kabel přebejvá ale zase na vstřiky to sedí v pohodě tak to nechápu..pokud si seženu kabelový svazek z D15B7 tak to půjde v pohodě? Nebo je s něčím problém?
   Pomohl ti příspěvěk? Návrat  
    
Zobrazit informace o autorovi  Odeslat soukromou zprávu
Příspěvky: 72 H+ body: 0  
dj-bobr je teď offline  dj-bobr
4 háčka
Členství: Žádné
0
PříspěvekZaslal: 21.2.2014 , 20:20   Citovat  

Zdá se, že to je jiný kabelový svazek. Na rozdělovači D15B7 je 7pin konektor, původně u D15B2 byl rozdělovač s 5pin konektorem a na mém autě se při swapu musely dva dráty přidávat.. možná k něčemu bude čmáranina, kterou jsme při swapování nakreslili (barvy nemusí sedět)


rozdelovac.jpg

Zobrazení obrázku v plné velikosti.
rozdelovac.jpg, 309.86 kB
   Pomohl ti příspěvěk? Návrat  
    
Zobrazit informace o autorovi Osobní garáž Odeslat soukromou zprávu
Příspěvky: 4973 H+ body: 17 1992 Civic  
sablos je teď offline  sablos
5 háček
Členství: Žádné
0
PříspěvekZaslal: 21.2.2014 , 20:31   Citovat  

Tony8 napsal:
Ten konektor pasuje na starej rozdělovač z b2 ale na tenhle už ne..
Tak to musim souhlasit s klukama, někdo tě podělal, pač sám jsem dělal swap z D15B2 na D15B7 a měl jsem díly z coupe 5g a všechno sedlo jak zadek na hrnec a chytlo to na první otočení.
   Pomohl ti příspěvěk? Návrat  
    
Zobrazit informace o autorovi Osobní garáž Odeslat soukromou zprávu
Příspěvky: 10086 H+ body: 15 2002 CR-V  
Tony8 je teď offline  Tony8
0
PříspěvekZaslal: 21.2.2014 , 20:36   Citovat  

takže ty barvy co jsou napsaný na tom obrázku jsou z přívodu teda..dobře když to takhle spojím pořád mi dva kabely chybí..nejsou to ty od vstřiků?Jenže ty zase nesedí barvama..
A co znamenají popisky u těch jednotlivých kabelů? Omlouvám se ale až tolik tomu nerozumím Smutný
   Pomohl ti příspěvěk? Návrat  
    
Zobrazit informace o autorovi  Odeslat soukromou zprávu
Příspěvky: 72 H+ body: 0  
Tony8 je teď offline  Tony8
0
PříspěvekZaslal: 21.2.2014 , 20:39   Citovat  

sablos napsal:
Tak to musim souhlasit s klukama, někdo tě podělal, pač sám jsem dělal swap z D15B2 na D15B7 a měl jsem díly z coupe 5g a všechno sedlo jak zadek na hrnec a chytlo to na první otočení.

No právě všechno by mělo sedět jenže nesedí...bude pro mě teda nejspíš jednodušší sehnat si jiný kabelový svazek
   Pomohl ti příspěvěk? Návrat  
    
Zobrazit informace o autorovi  Odeslat soukromou zprávu
Příspěvky: 72 H+ body: 0  
dj-bobr je teď offline  dj-bobr
4 háčka
Členství: Žádné
0
PříspěvekZaslal: 21.2.2014 , 21:04   Citovat  

Nejsnažší varianta je samozřejmě sehnání kabeláže z B7 (C5g coupé atd.)

Motor (resp. sání) B7 má oproti B2, co se elektriky týče, od ECU do motorového prostoru navíc právě to jedno čidlo v rozdělovači (2 dráty) a dva vstřiky (2 dráty).

Pokud bys sehnal jen konektory pro vstřiky, dá se i jen předělat původní dva konektory vstřiků z dvoubodu na nové konektory (zatím dva), natáhnout dva dráty od ECU ke zbývajícím dvěma vstřikům a +12V pro zbývající dva vstřiky si půjčit z +12V přívodu prvních dvou vstřiků (původně červený a zelený kulatý konektor).

Co se rozdělovače týče, dá se to vyzkoušet i bez konektoru - vypinuješ (vyndáš jednotlivé piny) původní 5pin konektor rozdělovače, jen nasadíš příslušné piny do správných pozic konektoru na rozdělovači (přirozeně je nutné dotáhnout od ECU dva dráty navíc) a zaleješ třeba tavným lepidlem z lepicí pistole. Je to samozřejmě provizorní, chtělo by to sehnat aspoň ten samotný 7pin konektor z kabeláže z coupé..

V Praze bych mohl kdyžtak pomoct.

EDIT:
Mě tak napadá, že úplně v nouzi do konektorů na vstřikách pasuje nějaký malý druh konektoru "faston", ale trochu vaklá a je tudíž nutno ho trochu zmáčknout kleštěma. Na vyzkoušení by se to taky dalo.
   Pomohl ti příspěvěk? Návrat  
    
Zobrazit informace o autorovi Osobní garáž Odeslat soukromou zprávu
Příspěvky: 4973 H+ body: 17 1992 Civic  
Tony8 je teď offline  Tony8
0
PříspěvekZaslal: 28.5.2014 , 8:00   Citovat  

Zdravím, tak jsem to sehnal všechno komplet a stejně je problém..všechno sice sedí ježe když otočím klíčkem nerozsvítí se mi kontrolka motoru nenasaje ani palivové čerpadlo a motor jenom na prázdno točí...zkoušel jsem všechny relátka a jsou v pohodě a pojistky jsem vyměnil všechny. Pak jsem podle schématu kontroloval zapojení k řídící jednotce a taky to sedí..nevíte někdo co s tim? Díky za každou radu je to dobrý
   Pomohl ti příspěvěk? Návrat  
    
Zobrazit informace o autorovi  Odeslat soukromou zprávu
Příspěvky: 72 H+ body: 0  
Tony8 je teď offline  Tony8
0
PříspěvekZaslal: 7.6.2014 , 20:27   Citovat  

Mám ještě dotaz..jsou pojistkové skříňky stejné u b2 a b7?
   Pomohl ti příspěvěk? Návrat  
    
Zobrazit informace o autorovi  Odeslat soukromou zprávu
Příspěvky: 72 H+ body: 0  
dj-bobr je teď offline  dj-bobr
4 háčka
Členství: Žádné
0
PříspěvekZaslal: 7.6.2014 , 20:49   Citovat  

pojistkovky jsou shodné

když se nerozsvítí ani kontrolka motoru, tak do ECU nejde šťáva - zkontroluj: pojistka Backup, pojistka ECU, pojistka Hazard, konektory do ECU.. máš možnost změřit multimetrem napětí na napájení ECU?
   Pomohl ti příspěvěk? Návrat  
    
Zobrazit informace o autorovi Osobní garáž Odeslat soukromou zprávu
Příspěvky: 4973 H+ body: 17 1992 Civic  
Tony8 je teď offline  Tony8
0
PříspěvekZaslal: 14.6.2014 , 19:56   Citovat  

Tak ty pojistky jsou v pohodě a multi metr mam..co bych měl kde na měřit?
   Pomohl ti příspěvěk? Návrat  
    
Zobrazit informace o autorovi  Odeslat soukromou zprávu
Příspěvky: 72 H+ body: 0  
Fish je teď offline  Fish
3 háčka
Členství: Žádné
0
PříspěvekZaslal: 14.6.2014 , 21:05   Citovat  

Tony8 napsal:
Tak ty pojistky jsou v pohodě a multi metr mam..co bych měl kde na měřit?

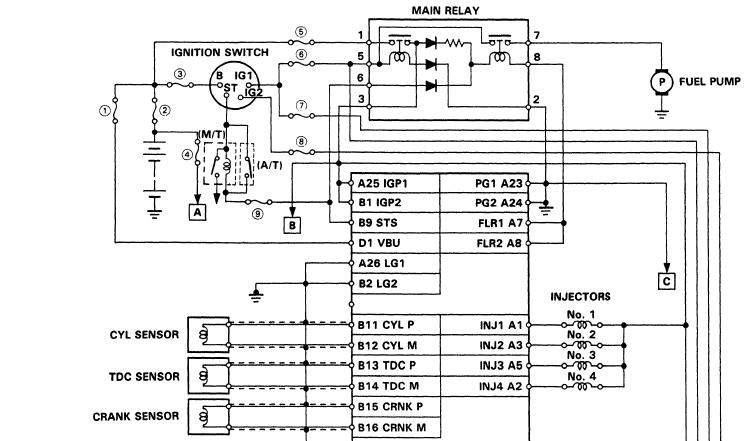
Nejdůležitější je toto
spínací skříňka - pojistky - hlavní relé - napájení ecu - rozdělovač - vstřiky


napajeni ecu.jpg

Zobrazení obrázku v plné velikosti.
napajeni ecu.jpg, 62.07 kB
   Pomohl ti příspěvěk? Návrat  
    
Zobrazit informace o autorovi  Odeslat soukromou zprávu
Příspěvky: 1937 H+ body: 7  
dj-bobr je teď offline  dj-bobr
4 háčka
Členství: Žádné
0
PříspěvekZaslal: 14.6.2014 , 21:22   Citovat  

A ještě bych doplnil zapojení konektorů do ECU:

   Pomohl ti příspěvěk? Návrat  
    
Zobrazit informace o autorovi Osobní garáž Odeslat soukromou zprávu
Příspěvky: 4973 H+ body: 17 1992 Civic  
Tony8 je teď offline  Tony8
0
PříspěvekZaslal: 14.6.2014 , 21:34   Citovat  

A ještě jedna věc..jak je to z řídící jednotkou z 1,4 když má stejné konektory jako z 1,5 bude to fungovat? Mam ji tady od týpka z hondaclubu...
   Pomohl ti příspěvěk? Návrat  
    
Zobrazit informace o autorovi  Odeslat soukromou zprávu
Příspěvky: 72 H+ body: 0  
Fish je teď offline  Fish
3 háčka
Členství: Žádné
0
PříspěvekZaslal: 15.6.2014 , 14:28   Citovat  

Tony8 napsal:
A ještě jedna věc..jak je to z řídící jednotkou z 1,4 když má stejné konektory jako z 1,5 bude to fungovat? Mam ji tady od týpka z hondaclubu...


Vždyť máš ecu ode mě ne? Nebo ještě nějakou jinou. Jinak DJ Bobr má tu samou na D15B7. Tak si můžete o fungování popovídat Velmi šťastný
   Pomohl ti příspěvěk? Návrat  
    
Zobrazit informace o autorovi  Odeslat soukromou zprávu
Příspěvky: 1937 H+ body: 7  
dj-bobr je teď offline  dj-bobr
4 háčka
Členství: Žádné
0
PříspěvekZaslal: 15.6.2014 , 15:23   Citovat  

Jakmile pasujou konektory, tak pasuje jednotka. Vše další je věcí výbavy (některé třeba nemají osazené spínání VTECu atd.) a mapy (takže správný obvod v patici). Ale každopádně i 1.5 s mapou z 1.4 musí bez problémů nastartovat..
   Pomohl ti příspěvěk? Návrat  
    
Zobrazit informace o autorovi Osobní garáž Odeslat soukromou zprávu
Příspěvky: 4973 H+ body: 17 1992 Civic  
Tony8 je teď offline  Tony8
0
PříspěvekZaslal: 19.6.2014 , 10:21   Citovat  

Fish napsal:
Vždyť máš ecu ode mě ne? Nebo ještě nějakou jinou. Jinak DJ Bobr má tu samou na D15B7. Tak si můžete o fungování popovídat Velmi šťastný

No jasně mám jí od tebe..ale prostě zapojím jí a nic jako kdyby tam nebyla prostě..zkoušel jsem měřit zda tam jde proud a něco tam jde a i vychází z jednotky ven ale jinak už nevim co s tim...
   Pomohl ti příspěvěk? Návrat  
    
Zobrazit informace o autorovi  Odeslat soukromou zprávu
Příspěvky: 72 H+ body: 0  
Fish je teď offline  Fish
3 háčka
Členství: Žádné
0
PříspěvekZaslal: 19.6.2014 , 12:29   Citovat  

Tak ať se na zapojení podívá někdo,kdo už swap dělal. Občas se nějaká záhada objeví,viz. Brno,kde umřel civic 1.4 a nikdo neví co s tím,ale je to spíš výjimka,než pravidlo. Jak už jsem ti psal, za ecu dám ruku do ohně. Před odesláním jsem vyzkoušel na svém autě, jelo jako po másle.
   Pomohl ti příspěvěk? Návrat  
    
Zobrazit informace o autorovi  Odeslat soukromou zprávu
Příspěvky: 1937 H+ body: 7  
Tony8 je teď offline  Tony8
0
PříspěvekZaslal: 19.6.2014 , 14:20   Citovat  

Fish napsal:
Tak ať se na zapojení podívá někdo,kdo už swap dělal. Občas se nějaká záhada objeví,viz. Brno,kde umřel civic 1.4 a nikdo neví co s tím,ale je to spíš výjimka,než pravidlo. Jak už jsem ti psal, za ecu dám ruku do ohně. Před odesláním jsem vyzkoušel na svém autě, jelo jako po másle.

Taky neříkám že je něco z ECU Úsměv problém bude jinde...
   Pomohl ti příspěvěk? Návrat  
    
Zobrazit informace o autorovi  Odeslat soukromou zprávu
Příspěvky: 72 H+ body: 0  
Fish je teď offline  Fish
3 háčka
Členství: Žádné
0
PříspěvekZaslal: 19.6.2014 , 16:56   Citovat  

Tony8 napsal:
Taky neříkám že je něco z ECU Úsměv problém bude jinde...


Jinak je jedno,jestli je ecu P06,P28,P30,P1J atd, důležité je,aby to byla ecu OBD1 + mapa pro daný motor
   Pomohl ti příspěvěk? Návrat  
    
Zobrazit informace o autorovi  Odeslat soukromou zprávu
Příspěvky: 1937 H+ body: 7  
Tony8 je teď offline  Tony8
0
PříspěvekZaslal: 20.6.2014 , 21:41   Citovat  

Tak to vypadá na hlavní relé..očistil jsem pájené spoje na relé s začlo to pracovat sice nic moc..ale rozsvítila se mi kontrolka motoru a nasává palivové čerpadlo Úsměv propájím a uvidí se
   Pomohl ti příspěvěk? Návrat  
    
Zobrazit informace o autorovi  Odeslat soukromou zprávu
Příspěvky: 72 H+ body: 0  
Tony8 je teď offline  Tony8
0
PříspěvekZaslal: 22.6.2014 , 21:35   Citovat  

Nemáte někdo funkční hlavní relé? Typ rz-0132..nefunguje ani po propájení spojů ...
   Pomohl ti příspěvěk? Návrat  
    
Zobrazit informace o autorovi  Odeslat soukromou zprávu
Příspěvky: 72 H+ body: 0  
Tony8 je teď offline  Tony8
0
PříspěvekZaslal: 26.6.2014 , 14:32   Citovat  

Tak relé jsem sehnal ale stejně to nejde..jediný co jde když připojím na konektoru co je na fotce dva spodní prostřední tak kde jiskra ale jinak nic..vůbec to nereaguje..jenom když otočím klíčem a párkrát se protočí motor tak hlavní relé má snahu jako spínat ale to je všechno..


image.jpg

Zobrazení obrázku v plné velikosti.
image.jpg, 781.45 kB
   Pomohl ti příspěvěk? Návrat  
    
Zobrazit informace o autorovi  Odeslat soukromou zprávu
Příspěvky: 72 H+ body: 0  

  Obsah fóra Honda-club.cz   
Problém zapojení při swapu D15B2/B7
Fórum: Motor, ECU, spojka a převodovka
0
Pomohlo ti toto téma?   
Zobrazit příspěvky z předchozích:
 Řadit příspěvky dle: 
Zaslat odpověď



 Časy uváděny v GMT + 1 hodina  
    
Nemůžete odesílat nové téma do tohoto fóra.
Nemůžete odpovídat na témata v tomto fóru.
Nemůžete upravovat své příspěvky v tomto fóru.
Nemůžete mazat své příspěvky v tomto fóru.
Nemůžete hlasovat v tomto fóru.
Můžete k příspěvkům připojovat soubory
Můžete stahovat a prohlížet přiložené soubory
Nemůžete moderovat Vaše témata v tomto fóru.



Board Security

(104575 útoků)
::  www.honda-club.cz  :: Témata RSS TOPlist

[ Čas: 0.1707s ][ Dotazy: 135 (0.0114s) ][ GZIP on - Debug on ]