Rozšířené hledání} Informace o členství Kontaktní informace Seznam uživatelů Kalendář Spřátelené weby Honda-club.cz Přihlásit se k emailu
[2]
Linka Uživatelské skupiny Linka Galerie avatarů Linka Kdo je online Linka
Linka Jak se stát členem klubu Linka Stáhnout stanovy sdružení Linka Výhody pro členy klubu Linka
  Obsah fóra Honda-club.cz   
D15b2 4bod nestartuje
Fórum: Motor, ECU, spojka a převodovka
0
Pomohlo ti toto téma?   
Zobrazit příspěvky z předchozích:
 Řadit příspěvky dle: 
Zaslat odpověď



  Strana 1 z 1
agresor360 je teď offline  agresor360
1 háčko
0
PříspěvekZaslal: 14.9.2015 , 20:43   Citovat  

Ahoj, po cca měsíční odstavce sem chtěl nastartovat a motor nechce chytnout. Svíčky jiskru hází, palivo za PAL. Filtrem je. Je nějaká možnost, jak vyzkoušet vstriky?
   Pomohl ti příspěvěk? Návrat  
    
Zobrazit informace o autorovi Osobní garáž Odeslat soukromou zprávu
Příspěvky: 175 H+ body: 0 1993 Civic  
sablos je teď offline  sablos
5 háček
Členství: Žádné
0
PříspěvekZaslal: 14.9.2015 , 20:57   Citovat  

Jestli mas mokrý svíčky po startovani tak vstriky dávají palivo.
   Pomohl ti příspěvěk? Návrat  
    
Zobrazit informace o autorovi Osobní garáž Odeslat soukromou zprávu
Příspěvky: 10086 H+ body: 15 2002 CR-V  
dj-bobr je teď offline  dj-bobr
4 háčka
Členství: Žádné
0
PříspěvekZaslal: 15.9.2015 , 1:25   Citovat  

Možnosti, co mě napadají jako pravděpodobné: hlavní relé, baterie, starý zvodnatělý benzín, vlhkost v rozdělovači..
   Pomohl ti příspěvěk? Návrat  
    
Zobrazit informace o autorovi Osobní garáž Odeslat soukromou zprávu
Příspěvky: 4973 H+ body: 17 1992 Civic  
agresor360 je teď offline  agresor360
1 háčko
0
PříspěvekZaslal: 15.9.2015 , 6:52   Citovat  

Baterie točí dobře, banzin tam je cca 2 mesice... Hlavní relé se stará taky o vstriky? Posledně, když motor jel se při sešlápnutí plynu trochu pridusil a až pak šel do otáček.
   Pomohl ti příspěvěk? Návrat  
    
Zobrazit informace o autorovi Osobní garáž Odeslat soukromou zprávu
Příspěvky: 175 H+ body: 0 1993 Civic  
sablos je teď offline  sablos
5 háček
Členství: Žádné
0
PříspěvekZaslal: 15.9.2015 , 6:59   Citovat  

agresor360 napsal:
Baterie točí dobře, banzin tam je cca 2 mesice... Hlavní relé se stará taky o vstriky? Posledně, když motor jel se při sešlápnutí plynu trochu pridusil a až pak šel do otáček.
zkus sundat víko rozdělovače, podívej se jak to vypadá , jestli nahodou ti neulitl palec, a pripadne to vycisti a pak uvidíš co dal.
   Pomohl ti příspěvěk? Návrat  
    
Zobrazit informace o autorovi Osobní garáž Odeslat soukromou zprávu
Příspěvky: 10086 H+ body: 15 2002 CR-V  
agresor360 je teď offline  agresor360
1 háčko
0
PříspěvekZaslal: 15.9.2015 , 11:31   Citovat  

Zusim, zatím díky OK
   Pomohl ti příspěvěk? Návrat  
    
Zobrazit informace o autorovi Osobní garáž Odeslat soukromou zprávu
Příspěvky: 175 H+ body: 0 1993 Civic  
piskot je teď offline  piskot
4 háčka
0
PříspěvekZaslal: 15.9.2015 , 13:03   Citovat  

Jestli svíčky jiskru házejí, je rozdělovač v pořádku.
Funkci vstřiků si lze poslechnout, vstřiky ovládá ECU. Main relé zase palivové čerpadlo, tzn. pokud je palivo za filtrem, čerpadlo jede.
Jo, a D15B2 není čtyřbod, má dva vstřiky v karbecu za škrtící klapkou.
To popisované přidušení by mohlo ukazovat na IACV solenoid tuším...
   Pomohl ti příspěvěk? Návrat  
    
Zobrazit informace o autorovi Osobní garáž Odeslat soukromou zprávu
Příspěvky: 3048 H+ body: 0 1999 Accord  
TRUcKER je teď offline  TRUcKER
Jak malej Jarda [2]
Členství: Žádné
0
PříspěvekZaslal: 15.9.2015 , 13:26   Citovat  

piskot napsal:
Jestli svíčky jiskru házejí, je rozdělovač v pořádku.
Funkci vstřiků si lze poslechnout, vstřiky ovládá ECU. Main relé zase palivové čerpadlo, tzn. pokud je palivo za filtrem, čerpadlo jede.
Jo, a D15B2 není čtyřbod, má dva vstřiky v karbecu za škrtící klapkou.
To popisované přidušení by mohlo ukazovat na IACV solenoid tuším...
a nenapadlo Te, ze to bude klasicka d15b2 vstrik( kde si pro boha vzal karbece
   Pomohl ti příspěvěk? Návrat  
    
Zobrazit informace o autorovi Osobní garáž Odeslat soukromou zprávu
Příspěvky: 2948 H+ body: 0 1991 Civic  
piskot je teď offline  piskot
4 háčka
0
PříspěvekZaslal: 15.9.2015 , 13:37   Citovat  

TRUcKER napsal:
a nenapadlo Te, ze to bude klasicka d15b2 vstrik( kde si pro boha vzal karbece

Ach jo, další... D15B2 má místo obyč. směšovacích trysek vstřiky. Dva, jeden hlavní, druhý začne stříkat až po dosažení vyšších otáček. Jasně, že napohled to nevypadá jako klasický karbec, např. z D13B motorů.
Když tak tudy odkaz nebo tudy odkaz
   Pomohl ti příspěvěk? Návrat  
    
Zobrazit informace o autorovi Osobní garáž Odeslat soukromou zprávu
Příspěvky: 3048 H+ body: 0 1999 Accord  
dj-bobr je teď offline  dj-bobr
4 háčka
Členství: Žádné
0
PříspěvekZaslal: 15.9.2015 , 13:49   Citovat  

Za svých dvoubodových dob jsem dost často slýchal, že tomu "plénu" (anglicky se tomu opravdu říká "plenum") se běžně říká karbec, i když pod ním jsou vstřikovače.. nechápal jsem to nikdy, proč.
   Pomohl ti příspěvěk? Návrat  
    
Zobrazit informace o autorovi Osobní garáž Odeslat soukromou zprávu
Příspěvky: 4973 H+ body: 17 1992 Civic  
piskot je teď offline  piskot
4 háčka
0
PříspěvekZaslal: 15.9.2015 , 14:26   Citovat  

Ono přísně vzato lze spekulovat, zda ten dvojvstřik u D15B2 je ještě karburátor, nebo už ne. Vzhledem k tomu, co je karburace, a k tomu, že je ten D15B2 je starý motor, tak si troufám říct, že u něj vstřikovače sloužily jen ke vstříknutí benzínu za škrtící klapku a k následné karburaci dochází vhodným tvarováním proudu vzduchu v tom "kusu železa" za škrtící klapkou. Proto je to ještě karburátor se vstřiky, místo směšovacími tryskami. U nepřímých čtyřbodů dochází ke karburaci také, ale až v sacích parohách, takže u nich o karburátoru nemůžeme mluvit.
   Pomohl ti příspěvěk? Návrat  
    
Zobrazit informace o autorovi Osobní garáž Odeslat soukromou zprávu
Příspěvky: 3048 H+ body: 0 1999 Accord  
piskot je teď offline  piskot
4 háčka
0
PříspěvekZaslal: 15.9.2015 , 17:07   Citovat  

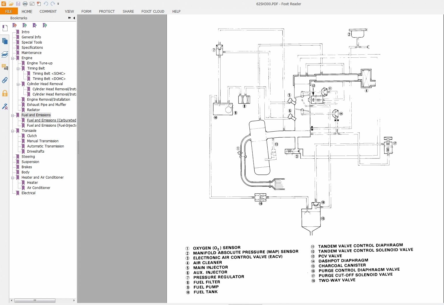
Už fakt OT. Našel jsem schéma "vzduchu" pro D15B2. Za mě je to karbec se vstřiky.


D15B2.jpg

Zobrazení obrázku v plné velikosti.
D15B2.jpg, 145.83 kB
   Pomohl ti příspěvěk? Návrat  
    
Zobrazit informace o autorovi Osobní garáž Odeslat soukromou zprávu
Příspěvky: 3048 H+ body: 0 1999 Accord  
piskot je teď offline  piskot
4 háčka
0
PříspěvekZaslal: 15.9.2015 , 17:10   Citovat  

Teď k tématu...
Agresore, po neúspešném nastartování vyndej svíčky(u), ať víme, že ti jde do motoru benzín. Jednu možnou závadu pak můžeme zapomenout.
No, a nic nezkazíš, když vyndáš main relé a propájíš ho... Úsměv
   Pomohl ti příspěvěk? Návrat  
    
Zobrazit informace o autorovi Osobní garáž Odeslat soukromou zprávu
Příspěvky: 3048 H+ body: 0 1999 Accord  
agresor360 je teď offline  agresor360
1 háčko
0
PříspěvekZaslal: 15.9.2015 , 19:17   Citovat  

Ted nejsem na garazi, ale koukal sem na nejakej clanek, kde to borcovi delalo main rele , propajel a byl klid. Jinak je na tom 4bod z d16a6
   Pomohl ti příspěvěk? Návrat  
    
Zobrazit informace o autorovi Osobní garáž Odeslat soukromou zprávu
Příspěvky: 175 H+ body: 0 1993 Civic  
agresor360 je teď offline  agresor360
1 háčko
0
PříspěvekZaslal: 17.9.2015 , 20:07   Citovat  

Tak kluci, rele jsem propajel, ale vsechny body vypadaly v pohode. Nicmene svicky benzin nevideli, takze proc se neoteviraji?
   Pomohl ti příspěvěk? Návrat  
    
Zobrazit informace o autorovi Osobní garáž Odeslat soukromou zprávu
Příspěvky: 175 H+ body: 0 1993 Civic  
piskot je teď offline  piskot
4 háčka
0
PříspěvekZaslal: 17.9.2015 , 20:40   Citovat  

Za mě je to otázka pro někoho jiného, když tam nemáš čistej D15B2...
   Pomohl ti příspěvěk? Návrat  
    
Zobrazit informace o autorovi Osobní garáž Odeslat soukromou zprávu
Příspěvky: 3048 H+ body: 0 1999 Accord  
agresor360 je teď offline  agresor360
1 háčko
0
PříspěvekZaslal: 19.9.2015 , 22:40   Citovat  

Tak uz zas přede... Ten kdo delal 4 bod zbastlil elektriku tak, ze vypadlo napajeni rezistor boxu...
   Pomohl ti příspěvěk? Návrat  
    
Zobrazit informace o autorovi Osobní garáž Odeslat soukromou zprávu
Příspěvky: 175 H+ body: 0 1993 Civic  

  Obsah fóra Honda-club.cz   
D15b2 4bod nestartuje
Fórum: Motor, ECU, spojka a převodovka
0
Pomohlo ti toto téma?   
Zobrazit příspěvky z předchozích:
 Řadit příspěvky dle: 
Zaslat odpověď



 Časy uváděny v GMT + 1 hodina  
    
Nemůžete odesílat nové téma do tohoto fóra.
Nemůžete odpovídat na témata v tomto fóru.
Nemůžete upravovat své příspěvky v tomto fóru.
Nemůžete mazat své příspěvky v tomto fóru.
Nemůžete hlasovat v tomto fóru.
Můžete k příspěvkům připojovat soubory
Můžete stahovat a prohlížet přiložené soubory
Nemůžete moderovat Vaše témata v tomto fóru.



Board Security

(104575 útoků)
::  www.honda-club.cz  :: Témata RSS TOPlist

[ Čas: 0.1321s ][ Dotazy: 95 (0.0124s) ][ GZIP on - Debug on ]