Rozšířené hledání} Informace o členství Kontaktní informace Seznam uživatelů Kalendář Spřátelené weby Honda-club.cz Přihlásit se k emailu
[2]
Linka Uživatelské skupiny Linka Galerie avatarů Linka Kdo je online Linka
Linka Jak se stát členem klubu Linka Stáhnout stanovy sdružení Linka Výhody pro členy klubu Linka
  Obsah fóra Honda-club.cz   
D16A8 FITV, Cooling fan switch
Fórum: Motor, ECU, spojka a převodovka
0
Pomohlo ti toto téma?   
Zobrazit příspěvky z předchozích:
 Řadit příspěvky dle: 
Zaslat odpověď



  Strana 1 z 1
agresor360 je teď offline  agresor360
1 háčko
0
PříspěvekZaslal: 24.7.2016 , 23:38   Citovat  

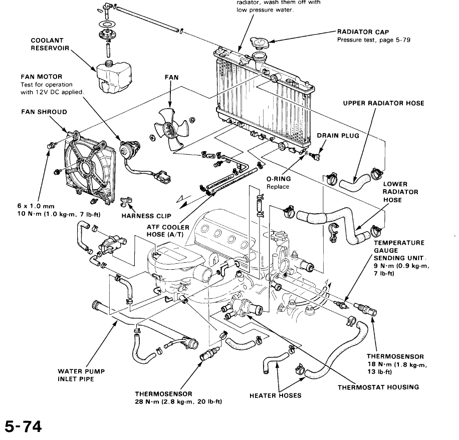
Čau, swapuju d16a8 místo d15b2 předělanou na čtyřbod z 16a6 a na svazku mi chybí pár konektorů. Některy vím, odkud přitáhnout, ale nevím co je zač FITV (jestli je to ten na obrázku) a kam vede, příp. co dělá. Dál jsem na minulym motoru neměl "cooling fan switch" jinak jsem to na Googlu nenašel. Je to asi nějakej spínač sahary na základě teploty vody, ale nevím, kam vede...


1807c8b6-4fb5-dd75.jpg

Zobrazení obrázku v plné velikosti.
1807c8b6-4fb5-dd75.jpg, 101.02 kB

PM7block4_zpsc1b3b33d.jpg

Zobrazení obrázku v plné velikosti.
PM7block4_zpsc1b3b33d.jpg, 262.58 kB
   Pomohl ti příspěvěk? Návrat  
    
Zobrazit informace o autorovi Osobní garáž Odeslat soukromou zprávu
Příspěvky: 175 H+ body: 0 1993 Civic  
RASTA je teď offline  RASTA
4 háčka
Členství: Žádné
0
PříspěvekZaslal: 25.7.2016 , 14:15  Naposledy upravil RASTA dne 25.7.2016 , 17:49, celkově upraveno 1 krát. Citovat  

FITV je Fast Idle Thermo Valve, který tento motor nemá.
Byl by umístěn pod klapkou a je ovládán teplotou chladící kapaliny. Přidává vzduch při studeném startu ("sytič")

Tu samou funkci, ale ovládanou ecu má IAC valve - Idle Air Control Valve - ten na horním obrázku

Jinak ten "cooling fan switch" , já ho znám tedy jako "coolant temperature switch" spíná saharu při dosažení cca 90°C
jeden kontakt vede ke kostře, druhý k sahaře

Edit
   Pomohl ti příspěvěk? Návrat  
    
Zobrazit informace o autorovi Osobní garáž Odeslat soukromou zprávu
Příspěvky: 4391 H+ body: 32 1990 CR-X  
agresor360 je teď offline  agresor360
1 háčko
0
PříspěvekZaslal: 25.7.2016 , 17:13   Citovat  

Vyborne, vse co jsem potreboval vedet a ne jak na fb. Diky je to dobrý A jeste za zaklade ceho se spoustela sahara u myho predchoziho motoru, kdyz tam tento switch neni?
   Pomohl ti příspěvěk? Návrat  
    
Zobrazit informace o autorovi Osobní garáž Odeslat soukromou zprávu
Příspěvky: 175 H+ body: 0 1993 Civic  
Minor je teď offline  Minor
5 háček
Členství: Žádné
0
PříspěvekZaslal: 25.7.2016 , 17:24   Citovat  

Myslím, že většina D motorů měla vzadu na bloku vedle snímače olejového tlaku i spínač sahary.
   Pomohl ti příspěvěk? Návrat  
    
Zobrazit informace o autorovi Osobní garáž Odeslat soukromou zprávu
Příspěvky: 13818 H+ body: 91 1990 Civic VTEC  
agresor360 je teď offline  agresor360
1 háčko
0
PříspěvekZaslal: 25.7.2016 , 17:30   Citovat  

Na d15b2 jsem nasel jen snimac tlaku oleje (1pin) nic dalsi ho ani tento spinac jsem tam nenasel a na bloku d16a8 je taky cidlo tlaku plus tento spinac sahary. Na netu jsem nasel jeste obrazek, ze na leve strane je jeste jedno "cidlo,spinac, nevim" a to by mihlo byt, o cem mluvi Minor. Nicmene ani na jednom motoru nic takoveho neni, alespon ne, v tech mistech.
   Pomohl ti příspěvěk? Návrat  
    
Zobrazit informace o autorovi Osobní garáž Odeslat soukromou zprávu
Příspěvky: 175 H+ body: 0 1993 Civic  
Minor je teď offline  Minor
5 háček
Členství: Žádné
0
PříspěvekZaslal: 25.7.2016 , 17:42   Citovat  

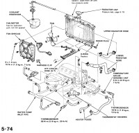
Z manuálu pro C4G.
Thermosensor.


d15B2 spínač sahary.jpg

Zobrazení obrázku v plné velikosti.
d15B2 spínač sahary.jpg, 267.87 kB
   Pomohl ti příspěvěk? Návrat  
    
Zobrazit informace o autorovi Osobní garáž Odeslat soukromou zprávu
Příspěvky: 13818 H+ body: 91 1990 Civic VTEC  
agresor360 je teď offline  agresor360
1 háčko
0
PříspěvekZaslal: 26.7.2016 , 8:01   Citovat  

Ještě, když se vrátím, jakej je rozdíl mezi IACV, kterej je na prvním obrázku a IACV, jak ho znám hned za klapkou se dvěma hadicema s vodou? Jinak ten fan switch vede do nejakyho rele co spina saharu nebo napřímo?
   Pomohl ti příspěvěk? Návrat  
    
Zobrazit informace o autorovi Osobní garáž Odeslat soukromou zprávu
Příspěvky: 175 H+ body: 0 1993 Civic  
Minor je teď offline  Minor
5 háček
Členství: Žádné
0
PříspěvekZaslal: 26.7.2016 , 9:17   Citovat  

U sahary je konektor a z něj to vede přímo na spínač na bloku motoru.
Na prvním obrázku podle mě EACV není.
   Pomohl ti příspěvěk? Návrat  
    
Zobrazit informace o autorovi Osobní garáž Odeslat soukromou zprávu
Příspěvky: 13818 H+ body: 91 1990 Civic VTEC  
agresor360 je teď offline  agresor360
1 háčko
0
PříspěvekZaslal: 26.7.2016 , 9:46   Citovat  

Obrázky jsem stáhl z netu, doma mám na sání, jak ten co je na prvním obrázku, tak i ten co je za klapkou a vede do něj ta voda. Takže to za klapkou je EACV a to menší (jak je vyobrzeno na prvním snímku) je IACV?
   Pomohl ti příspěvěk? Návrat  
    
Zobrazit informace o autorovi Osobní garáž Odeslat soukromou zprávu
Příspěvky: 175 H+ body: 0 1993 Civic  
Minor je teď offline  Minor
5 háček
Členství: Žádné
0
PříspěvekZaslal: 26.7.2016 , 9:51   Citovat  

Nevím jistě, na crx se to nazývá EACV, u novějších hond IACV, ale je to totéž. Ten FITV mi přijde, že je na sání z crx 1G nebo z předfacových verzí 2G, tam se sání celkově lišila, i když funkčně dělala totéž.
   Pomohl ti příspěvěk? Návrat  
    
Zobrazit informace o autorovi Osobní garáž Odeslat soukromou zprávu
Příspěvky: 13818 H+ body: 91 1990 Civic VTEC  
agresor360 je teď offline  agresor360
1 háčko
0
PříspěvekZaslal: 26.7.2016 , 10:41   Citovat  

JJ, mně jde o to, jestli ten menší mám teda vůbec zapojovat, když tam jsou oba, protože nevím, kam z něj ta dvoulinka vede, ptž dělám novou kabeláž.
   Pomohl ti příspěvěk? Návrat  
    
Zobrazit informace o autorovi Osobní garáž Odeslat soukromou zprávu
Příspěvky: 175 H+ body: 0 1993 Civic  
RASTA je teď offline  RASTA
4 háčka
Členství: Žádné
0
PříspěvekZaslal: 26.7.2016 , 11:29   Citovat  

FITV má i B16A, když jsem předělával klapku, tak byl přímo pod klapkou
na mém původním D16Z5 nebyl, ale místo něho byl ten z prvního obrázku - IAC valve
oba mají nastarost zvýšení volnoběhu studenýho motoru
v závoďáku nemám ani jeden a otáčky po nastartování vylezou tak na 1200 a během chvilky padnou na klasický volnoběh
takže EACV do toho taky trochu kecá..ale nejezdim v zimě, takže to neřešim
otázka je, jestli u novějších modelů nesloučili oba ventily do jednoho jako ventil volnoběhu Úsměv
   Pomohl ti příspěvěk? Návrat  
    
Zobrazit informace o autorovi Osobní garáž Odeslat soukromou zprávu
Příspěvky: 4391 H+ body: 32 1990 CR-X  
agresor360 je teď offline  agresor360
1 háčko
0
PříspěvekZaslal: 26.7.2016 , 13:04   Citovat  

Nevíte, kde najdu, kam to vede?
   Pomohl ti příspěvěk? Návrat  
    
Zobrazit informace o autorovi Osobní garáž Odeslat soukromou zprávu
Příspěvky: 175 H+ body: 0 1993 Civic  
agresor360 je teď offline  agresor360
1 háčko
0
PříspěvekZaslal: 26.7.2016 , 23:24   Citovat  

Kluci, kdybych použil termostat z dosavadní b2 (ještě nevím, jestli bude sedět) tak ten fan switch vzadu u filtru nemusím zapojovat, je to tak? Když saharu bude spouštět ten switch na termostatu...
   Pomohl ti příspěvěk? Návrat  
    
Zobrazit informace o autorovi Osobní garáž Odeslat soukromou zprávu
Příspěvky: 175 H+ body: 0 1993 Civic  
RASTA je teď offline  RASTA
4 háčka
Členství: Žádné
0
PříspěvekZaslal: 27.7.2016 , 12:05   Citovat  

to už bych musel hledat ve schématech Velmi šťastný
   Pomohl ti příspěvěk? Návrat  
    
Zobrazit informace o autorovi Osobní garáž Odeslat soukromou zprávu
Příspěvky: 4391 H+ body: 32 1990 CR-X  
agresor360 je teď offline  agresor360
1 háčko
0
PříspěvekZaslal: 28.7.2016 , 16:08   Citovat  

Najdu to normálně na konci ve schématu v servisním manuálu?
   Pomohl ti příspěvěk? Návrat  
    
Zobrazit informace o autorovi Osobní garáž Odeslat soukromou zprávu
Příspěvky: 175 H+ body: 0 1993 Civic  
RASTA je teď offline  RASTA
4 háčka
Členství: Žádné
0
PříspěvekZaslal: 28.7.2016 , 18:18   Citovat  

jj, dělal jsem podle toho celou elektriku OK
   Pomohl ti příspěvěk? Návrat  
    
Zobrazit informace o autorovi Osobní garáž Odeslat soukromou zprávu
Příspěvky: 4391 H+ body: 32 1990 CR-X  

  Obsah fóra Honda-club.cz   
D16A8 FITV, Cooling fan switch
Fórum: Motor, ECU, spojka a převodovka
0
Pomohlo ti toto téma?   
Zobrazit příspěvky z předchozích:
 Řadit příspěvky dle: 
Zaslat odpověď



 Časy uváděny v GMT + 1 hodina  
    
Nemůžete odesílat nové téma do tohoto fóra.
Nemůžete odpovídat na témata v tomto fóru.
Nemůžete upravovat své příspěvky v tomto fóru.
Nemůžete mazat své příspěvky v tomto fóru.
Nemůžete hlasovat v tomto fóru.
Můžete k příspěvkům připojovat soubory
Můžete stahovat a prohlížet přiložené soubory
Nemůžete moderovat Vaše témata v tomto fóru.



Board Security

(104575 útoků)
::  www.honda-club.cz  :: Témata RSS TOPlist

[ Čas: 0.1615s ][ Dotazy: 95 (0.0273s) ][ GZIP on - Debug on ]