Rozšířené hledání} Informace o členství Kontaktní informace Seznam uživatelů Kalendář Spřátelené weby Honda-club.cz Přihlásit se k emailu
[2]
Linka Uživatelské skupiny Linka Galerie avatarů Linka Kdo je online Linka
Linka Jak se stát členem klubu Linka Stáhnout stanovy sdružení Linka Výhody pro členy klubu Linka
  Obsah fóra Honda-club.cz   
K: Koupím řídící jednotku na motor H22A2
Fórum: Koupím
Zobrazit příspěvky z předchozích:
 Řadit příspěvky dle: 
Zaslat odpověď



  Strana 1 z 1
V@P je teď offline  V@P
2 háčka
PříspěvekZaslal: 21.7.2008 , 13:21   Citovat  

Dávám motor H22A5 do Preludy 4G a potřebuju RJ z motoru H22A2. Pokud někdo máte nebo víte kde ji sehnat tak napište ať už mě Preluda zase jede Úsměv
   Návrat  
   Zobrazit informace o autorovi  Odeslat soukromou zprávu
Příspěvky: 509  
PreludeZ je teď offline  PreludeZ
Administrátor
Členství: Žádné
PříspěvekZaslal: 21.7.2008 , 15:33   Citovat  

to nebude fungovat...
   Návrat  
   Zobrazit informace o autorovi Osobní garáž Odeslat soukromou zprávu
Příspěvky: 4971 1995 Prelude VTEC  
Wayne je teď offline  Wayne
Moderátor
Členství: Žádné
PříspěvekZaslal: 21.7.2008 , 20:54   Citovat  

Aaa,tak konecne ses odhodlal zeptat?Myslim,ze te nakonec neubylo...
PreludeZ napsal:
to nebude fungovat...

Rad verim,ale proc ne,povis nam vic Mrk ?Vim akorat,ze to V@P shani pry kvuli absenci imobilizeru v P4G,ale jinak se v tom neorientuju.Rikal jsem mu,ze tady kdosi pred nejakou dobou resil odblok immo v jednotce,ale nepidil jsem se po tom a on evidentne taky ne.
   Návrat  
   Zobrazit informace o autorovi  Odeslat soukromou zprávu
Příspěvky: 2450  
PreludeZ je teď offline  PreludeZ
Administrátor
Členství: Žádné
PříspěvekZaslal: 21.7.2008 , 22:34   Citovat  

Wayne napsal:
Aaa,tak konecne ses odhodlal zeptat?Myslim,ze te nakonec neubylo...
Rad verim,ale proc ne,povis nam vic Mrk ?Vim akorat,ze to V@P shani pry kvuli absenci imobilizeru v P4G,ale jinak se v tom neorientuju.Rikal jsem mu,ze tady kdosi pred nejakou dobou resil odblok immo v jednotce,ale nepidil jsem se po tom a on evidentne taky ne.

mno pokud se nepletu, (jako že ne Mrk ) tak immo má svojí jednotku a s ECU motoru to nemá nic společného.
Tady jde ale o to, že zatímco na H22A2 potřebuje ECU P13 OBD1 tak na H22A5 je P13 OBD2 takže jednak mají úplně jiné konektory a tedy bude potřeba conversion harness a jednak ty motory jsou si podobné ale ne stejné. Nevím co všechno je jinak protože jsem se o tuhle předělávku OBD2 > OBD1 nikdy nezajímal ale vím že tam je například jiný rozdělovač a že myslím CYP senzor je někde jinde takže se musí měnit olejové čerpadlo atd. Samozřejmě předělat to jde akorát to není Plug and Play...
(Myslím že bych na to našel v případě potřeby nějaký návod co vše je nutné)
   Návrat  
   Zobrazit informace o autorovi Osobní garáž Odeslat soukromou zprávu
Příspěvky: 4971 1995 Prelude VTEC  
ninja je teď offline  ninja
4 háčka
Členství: Web
PříspěvekZaslal: 21.7.2008 , 22:55   Citovat  

PreludeZ napsal:
mno pokud se nepletu, (jako že ne Mrk ) tak immo má svojí jednotku a s ECU motoru to nemá nic společného.
Tady jde ale o to, že zatímco na H22A2 potřebuje ECU P13 OBD1 tak na H22A5 je P13 OBD2 takže jednak mají úplně jiné konektory a tedy bude potřeba conversion harness a jednak ty motory jsou si podobné ale ne stejné. Nevím co všechno je jinak protože jsem se o tuhle předělávku OBD2 > OBD1 nikdy nezajímal ale vím že tam je například jiný rozdělovač a že myslím CYP senzor je někde jinde takže se musí měnit olejové čerpadlo atd. Samozřejmě předělat to jde akorát to není Plug and Play...
(Myslím že bych na to našel v případě potřeby nějaký návod co vše je nutné)


Tak to se trochu pletes, pac jednotka imobilizeru je sparovana s ECU a jedno bez druheho nefunguje.
   Návrat  
   Zobrazit informace o autorovi Osobní garáž Odeslat soukromou zprávu
Příspěvky: 3255 2014 Civic  
PreludeZ je teď offline  PreludeZ
Administrátor
Členství: Žádné
PříspěvekZaslal: 21.7.2008 , 23:40   Citovat  

ninja napsal:
Tak to se trochu pletes, pac jednotka imobilizeru je sparovana s ECU a jedno bez druheho nefunguje.

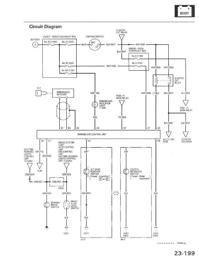
no ja se pletu nerad (nerikam ze to neni mozny Úsměv ) ale podle elektro schematu z P5G manualu neni mezi ECU motoru a immo žádné spojení. Jediné co tam je, že z pinu A4 vede blk/yel na Main relay přes ktere pak motor nedostava benzín. Jinak do ECU motoru aby mohla být ověřována parita tam není ani jeden drát tak nevím...


C21.7.2008-23.35.56.jpg

Zobrazení obrázku v plné velikosti.
C21.7.2008-23.35.56.jpg, 84.69 kB
   Návrat  
   Zobrazit informace o autorovi Osobní garáž Odeslat soukromou zprávu
Příspěvky: 4971 1995 Prelude VTEC  
ninja je teď offline  ninja
4 háčka
Členství: Web
PříspěvekZaslal: 22.7.2008 , 5:32   Citovat  

PreludeZ napsal:
no ja se pletu nerad (nerikam ze to neni mozny Úsměv ) ale podle elektro schematu z P5G manualu neni mezi ECU motoru a immo žádné spojení. Jediné co tam je, že z pinu A4 vede blk/yel na Main relay přes ktere pak motor nedostava benzín. Jinak do ECU motoru aby mohla být ověřována parita tam není ani jeden drát tak nevím...


Vem to z druhe strany, vem to ze strany jednotky imobilizeru. Taky jsem zil v tomhle omylu nez jsem se imobilizer snazil dostat do sveho civica, sehnal jsem ho a poradne prozkoumal co a jak.

Ted jsem si vsiml ze tam mas schema imo, je to z pinu A6.
   Návrat  
   Zobrazit informace o autorovi Osobní garáž Odeslat soukromou zprávu
Příspěvky: 3255 2014 Civic  
ninja je teď offline  ninja
4 háčka
Členství: Web
PříspěvekZaslal: 22.7.2008 , 5:38   Citovat  

ninja napsal:
Vem to z druhe strany, vem to ze strany jednotky imobilizeru. Taky jsem zil v tomhle omylu nez jsem se imobilizer snazil dostat do sveho civica, sehnal jsem ho a poradne prozkoumal co a jak.

Ted jsem si vsiml ze tam mas schema immo, je to z pinu A6.


Vynatek z manualu pro c6g (pouzivaji stejne immo): Pri zasunutí klíce do zapalování a jeho otocení do polohy (II) vysílá rídící jednotka Immobi. energii do transponderu prostrednictvím prijímaèe v hrane klíce.
Transponder potom vysílá kódovaný signál zpet do rídící jednotky prostrednictvím prijímace.
rídící jednotka potom vysílá signály do ECM/PCM a odpojovacího relé startéru.

ECM/PCM je oznacovana ECU.
   Návrat  
   Zobrazit informace o autorovi Osobní garáž Odeslat soukromou zprávu
Příspěvky: 3255 2014 Civic  
PreludeZ je teď offline  PreludeZ
Administrátor
Členství: Žádné
PříspěvekZaslal: 22.7.2008 , 9:51   Citovat  

no jo, máš pravdu pin A6, už to vidím....
ale k čemu jsou tedy všechny OBD2 jednotky které se dají koupit třeba na ebay když by se nedaly použít?
   Návrat  
   Zobrazit informace o autorovi Osobní garáž Odeslat soukromou zprávu
Příspěvky: 4971 1995 Prelude VTEC  
ninja je teď offline  ninja
4 háčka
Členství: Web
PříspěvekZaslal: 22.7.2008 , 10:07   Citovat  

PreludeZ napsal:
no jo, máš pravdu pin A6, už to vidím....
ale k čemu jsou tedy všechny OBD2 jednotky které se dají koupit třeba na ebay když by se nedaly použít?


bud maji vyblokovany immo nebo je to formou "udelej si sam"
   Návrat  
   Zobrazit informace o autorovi Osobní garáž Odeslat soukromou zprávu
Příspěvky: 3255 2014 Civic  
vti [906team] je teď offline  vti [906team]
4 háčka
PříspěvekZaslal: 22.7.2008 , 16:36   Citovat  

PreludeZ napsal:
no jo, máš pravdu pin A6, už to vidím....
ale k čemu jsou tedy všechny OBD2 jednotky které se dají koupit třeba na ebay když by se nedaly použít?


kto hovori, ze sa nedaju pouzit ?
normalne prides do hondy a nechas to naparovat. dokonca na to netreba ani servisny kluc.
vsak co by si inak robil, ked by sa ti odpalila ECU ?
   Návrat  
   Zobrazit informace o autorovi Osobní garáž Odeslat soukromou zprávu
Příspěvky: 2098 1991 Civic  
2Bera je teď offline  2Bera
3 háčka
PříspěvekZaslal: 22.7.2008 , 16:56   Citovat  

furt mam tu z H22a JDM Úsměv len vac jak 180 km/h nepojdes HaHaaa
   Návrat  
   Zobrazit informace o autorovi Osobní garáž Odeslat soukromou zprávu
Příspěvky: 1858 1994 Civic Coupe  
Wayne je teď offline  Wayne
Moderátor
Členství: Žádné
PříspěvekZaslal: 22.7.2008 , 18:26   Citovat  

2Bera napsal:
viac jak 180 km/h nepojdes HaHaaa

Ta je pro neho idealni,nechces to jeste snizit tak na 150 ? pořádnej výtlem
   Návrat  
   Zobrazit informace o autorovi  Odeslat soukromou zprávu
Příspěvky: 2450  

  Obsah fóra Honda-club.cz   
K: Koupím řídící jednotku na motor H22A2
Fórum: Koupím
Zobrazit příspěvky z předchozích:
 Řadit příspěvky dle: 
Zaslat odpověď



 Časy uváděny v GMT + 1 hodina  
    
Nemůžete odesílat nové téma do tohoto fóra.
Nemůžete odpovídat na témata v tomto fóru.
Nemůžete upravovat své příspěvky v tomto fóru.
Nemůžete mazat své příspěvky v tomto fóru.
Nemůžete hlasovat v tomto fóru.
Můžete k příspěvkům připojovat soubory
Můžete stahovat a prohlížet přiložené soubory
Nemůžete moderovat Vaše témata v tomto fóru.



Board Security

(104575 útoků)
::  www.honda-club.cz  :: Témata RSS TOPlist

[ Čas: 0.1285s ][ Dotazy: 79 (0.0084s) ][ GZIP on - Debug on ]