Rozšířené hledání} Informace o členství Kontaktní informace Seznam uživatelů Kalendář Spřátelené weby Honda-club.cz Přihlásit se k emailu
[2]
Linka Uživatelské skupiny Linka Galerie avatarů Linka Kdo je online Linka
Linka Jak se stát členem klubu Linka Stáhnout stanovy sdružení Linka Výhody pro členy klubu Linka
  Obsah fóra Honda-club.cz   
Indikátor činnosti Lambda-sondy.
Fórum: Motor, ECU, spojka a převodovka
1
Pomohlo ti toto téma?   
Zobrazit příspěvky z předchozích:
 Řadit příspěvky dle: 
Toto téma je zamknuto, nemůžete zde přidávat odpovědi ani upravovat své příspěvky!



  Strana 1 z 1
monty je teď offline  monty
Moderátor
Členství: Žádné
0
PříspěvekZaslal: 31.10.2008 , 10:52   Citovat  

Indikátor činnosti Lambda-sondy.
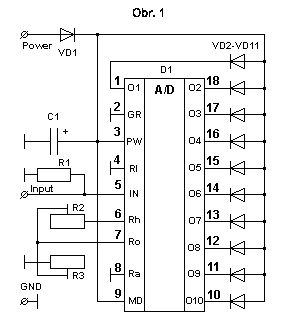
V poslední době se objevilo víc lidí kteří mají problém a potřebují zkusit lambdu ,na ford foru jsem našel jednu dost užitecnou blbůstku - indikátor činnosti Lambda-sondy. Vlastně se nejedná o nic jiného, než analogový voltmetr, který má schopnost okamžité reakce (kterou nemá ani klasický ručičkový analogový voltmetr, ani digitální), a přitom jeho spotřeba na vstupu by byla natolik mikroskopická, že by nedokázala jakkoli ovlivnit výstupní signál Lambda-sondy. Jestliže máte aspoň minimální zkušenost s pájením součástek, pak zajisté budete schopní tuto pomůcku vyrobit za jeden večer. Na obr. 1 je schéma celého zařizení, postaveného na integrovaném obvodu LM3914.
Indikátor je napájen z palubní sítě auta, dióda VD1 slouží jako ochrana proti přepólování , kondenzátor C1 slouží k potlačení rušivých impulzů v palubní síti, trimrem R2 se kalibruje horní hranice měření (0,7-1V v závislosti na typu auta u poslední žluté VD10, přes 1V - červená VD11 - snad u všech Honda max. provozní napětí signálu LS je 1V), trimr nebo pevný odpor R3 je na seřizení jasu svícení LEDek (místo trimrů se klidně dají použit obyč. odpory). Drát signálu od LS k indikátoru - raději použijte stíněný, přičemž ukostřete ho jak v místě napojení na signálový drát LS, tak i na indikátor. LEDky použijte standardní (ne ty na 12 nebo 5V), 2-3mm průměr nebo SMD, radějí různobarevné - např. takto:
VD2,VD3, VD4, VD5, VD6, VD7, VD8,VD9, VD10, VD11
aneb hodnoty přesahující mezní (0,1V min, 1V max) - červeně; střední - zeleně, nižší/vyšší než střední - žlutě.
Po vyrobení nakalibrujte horní hranici (svícení žluté VD10) na 0,95-1 V, zvolte vhodné místo v autě, namontujte (namontovat se díky malým rozměrům dá kamkoliv) a užívejte Úsměv... Na zaseklou nebo brzdící LS přijdete hned, a krom toho taky budete moci sledovat, za jakých podmínek vám ECU obohacuje směs - což vám třeba pomůže najít chybu na některých jiných čidlech.

Seznam součástek:
1. D1 - LM3914
2. VD1 - 1N4148
3. VD2-VD11 - LED kulaté 2mm nebo SMD
4. C1 - 22uF/16V
5. R1 - 1M
6. R2,R3 - trimry 4,7k

Pokud je lambda v pořádku ledky při stechiometrické směsi začnou kmitat od min do max .


indikátor lambda.jpg

Zobrazení obrázku v plné velikosti.
indikátor lambda.jpg, 18.74 kB

indikátor lambdaplosnak.jpg

Zobrazení obrázku v plné velikosti.
indikátor lambdaplosnak.jpg, 22.45 kB
   Pomohl ti příspěvěk? Návrat  
    
Zobrazit informace o autorovi Osobní garáž Odeslat soukromou zprávu
Příspěvky: 5207 H+ body: 45 1988 Prelude  

  Obsah fóra Honda-club.cz   
Indikátor činnosti Lambda-sondy.
Fórum: Motor, ECU, spojka a převodovka
1
Pomohlo ti toto téma?   
Zobrazit příspěvky z předchozích:
 Řadit příspěvky dle: 
Toto téma je zamknuto, nemůžete zde přidávat odpovědi ani upravovat své příspěvky!



 Časy uváděny v GMT + 1 hodina  
    
Nemůžete odesílat nové téma do tohoto fóra.
Nemůžete odpovídat na témata v tomto fóru.
Nemůžete upravovat své příspěvky v tomto fóru.
Nemůžete mazat své příspěvky v tomto fóru.
Nemůžete hlasovat v tomto fóru.
Můžete k příspěvkům připojovat soubory
Můžete stahovat a prohlížet přiložené soubory
Nemůžete moderovat Vaše témata v tomto fóru.



Board Security

(104575 útoků)
::  www.honda-club.cz  :: Témata RSS TOPlist

[ Čas: 0.0796s ][ Dotazy: 37 (0.0168s) ][ GZIP on - Debug on ]