Rozšířené hledání} Informace o členství Kontaktní informace Seznam uživatelů Kalendář Spřátelené weby Honda-club.cz Přihlásit se k emailu
[2]
Linka Uživatelské skupiny Linka Galerie avatarů Linka Kdo je online Linka
Linka Jak se stát členem klubu Linka Stáhnout stanovy sdružení Linka Výhody pro členy klubu Linka
  Obsah fóra Honda-club.cz   
Rady, tipy ATR
Fórum: Pokec o autech
Zobrazit příspěvky z předchozích:
 Řadit příspěvky dle: 
Jdi na stránku Předchozí  1, 2, 3 ... 36, 37, 38 ... 41, 42, 43  Další 
Zaslat odpověď



  Strana 37 z 43
Aqwertzz je teď offline  Aqwertzz
4 háčka
Členství: Žádné
PříspěvekZaslal: 20.5.2014 , 21:51   Citovat  

665+1 napsal:
jak velkou baterku tam máte a co za značku ? Ta moje je KO a musim koupit zas něco ...

4tý rok Bannerku 65Ah
   Návrat  
   Zobrazit informace o autorovi Osobní garáž Odeslat soukromou zprávu
Příspěvky: 4936 1999 Accord Type-R  
maxthor je teď offline  maxthor
1 háčko
PříspěvekZaslal: 20.5.2014 , 21:55   Citovat  

zdar,

co se tyce vybojek:
musis koupit vybojky urcene do parabol oznacene D2R "myslim", D2S jsou do čočky (nebo obráceně? to mi hlava nebere )
philips jsou dražší (cca 1500kč/ks) a jsou trochu do modra
osram jsou levnější (cca 900/ks) a jsou spíš bílé.

akumulátor - klasika 54Ah +/-, Exide nebo Varta (cca do 2000,-)
   Návrat  
   Zobrazit informace o autorovi  Odeslat soukromou zprávu
Příspěvky: 168  
Aqwertzz je teď offline  Aqwertzz
4 háčka
Členství: Žádné
PříspěvekZaslal: 20.5.2014 , 22:09   Citovat  

Rozdil mezi D2S a D2R je jenom v te clonce na sklicku?
D2R tu clonku ma a tak je urceno do parabol a stínítko je tam aby to svítilo mene?
Pokud mam tedy kupovat D2R proc nemuzu trebas od Osramu najit tech 8000K nebo jich ma byt jinak?
   Návrat  
   Zobrazit informace o autorovi Osobní garáž Odeslat soukromou zprávu
Příspěvky: 4936 1999 Accord Type-R  
Honzax2 je teď offline  Honzax2
1 háčko
PříspěvekZaslal: 20.5.2014 , 22:21   Citovat  

mělo by být 4K nebo 6k
8k už ne ale já je tam mám pořádnej výtlem
   Návrat  
   Zobrazit informace o autorovi  Odeslat soukromou zprávu
Příspěvky: 421  
Aqwertzz je teď offline  Aqwertzz
4 háčka
Členství: Žádné
PříspěvekZaslal: 20.5.2014 , 22:22   Citovat  

Stepa napsal:
Nefoť makro mobilem, co neumí makro...vyfoť to dál, z té druhé fotky je prd vidět. To co si označil, tak je zátavek po výrobě(odčerpání vzduchu). Ta druhá už může být naprasklá/nějaký kaz, může tam být podstatně déle, atp.

Můj názor je dát stejné žárovky...

To nebude zátavek, to je misto s plynem xenonem a tam bude asi problem, mrkni na odkaz tudy tudy odkaz
6000K je uz teda bíle? Na te jedne mám napsane 8K27. Rozhodne chci koupit to same co tam mam tedkom. Zlutou nechci a modrou taky ne.
   Návrat  
   Zobrazit informace o autorovi Osobní garáž Odeslat soukromou zprávu
Příspěvky: 4936 1999 Accord Type-R  
Stepa je teď offline  Stepa
4 háčka
Členství: Žádné
PříspěvekZaslal: 20.5.2014 , 22:43   Citovat  

Já Ti psal, že je na těch fotkách prd vidět...
   Návrat  
   Zobrazit informace o autorovi Osobní garáž Odeslat soukromou zprávu
Příspěvky: 4079 2006 FR-V  
handsome je teď offline  handsome
1 háčko
PříspěvekZaslal: 21.5.2014 , 7:42   Citovat  

6000k je už modro-biela a má slabší svetelný tok ako napr. 4300k, ktorá má zasa nádych do žlto-biela. Ideálne je neísť nad 5500k, pretože tam už sa svetelný tok znižuje a tým pádom klesá sveteľnosť výbojky. Od 5000k do 5500k máš čisto biele svetlo, sám mám na audi 5500k a je to tak na hranici bielej s bielo-modrou. Predtým som mal fabrické 4300k a rozdiel oproti 5500k je v tom, že svetlo je teraz belšie, teda sa zdá jasnejšie ale určite nie silnejšie.

Tak či onak, keď som prešiel z accorďáckych H7čiek na bixenóny s D2Skami v audi, tak som si myslel, že svietim nonstop diaľkovými, taký bol rozdiel medzi stretávačkami na accorde a na audi.
   Návrat  
   Zobrazit informace o autorovi Osobní garáž Odeslat soukromou zprávu
Příspěvky: 203 1999 Accord  
Aqwertzz je teď offline  Aqwertzz
4 háčka
Členství: Žádné
PříspěvekZaslal: 21.5.2014 , 19:49   Citovat  

Takze po blizsím ohledani je to asi jasne, ta co svítí méně je z jedne strany mlecna a z druhe dokonce zluta.
Ta co svítí dobre je čirá.
BTW obědnal jsem teda Osram Coolblue 5000K, tak doufám že to bude hezky bílé jako za stara Velmi šťastný


spal.jpg

Zobrazení obrázku v plné velikosti.
spal.jpg, 451.43 kB

DSC05275.JPG

Zobrazení obrázku v plné velikosti.
DSC05275.JPG, 2.21 MB
   Návrat  
   Zobrazit informace o autorovi Osobní garáž Odeslat soukromou zprávu
Příspěvky: 4936 1999 Accord Type-R  
Aqwertzz je teď offline  Aqwertzz
4 háčka
Členství: Žádné
PříspěvekZaslal: 23.5.2014 , 16:23   Citovat  

Muzu na trafo od tech xenonu normalne napojit 12V ?
Nestane se s tím neco ?Velmi šťastný
Mám doma jenom světla a potřebuju neco vyskouset.
   Návrat  
   Zobrazit informace o autorovi Osobní garáž Odeslat soukromou zprávu
Příspěvky: 4936 1999 Accord Type-R  
Slivka je teď offline  Slivka
2 háčka
Členství: Žádné
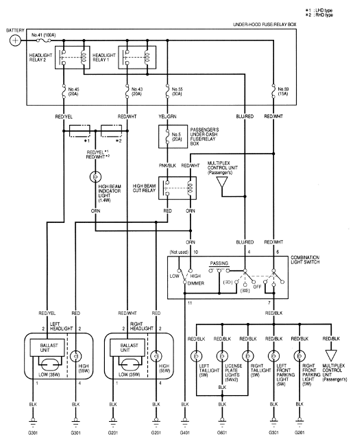
PříspěvekZaslal: 23.5.2014 , 20:07   Citovat  

Ja mám 6.000K a svietia krásne na bielo. Akurát pri silnom snežení je to dosť nepríjemné. Originál sú vraj 4.100K.

Pozri sa do servisného manuálu na schému zapojenie a uvidíš, či je to pripojené priamo na 12V alebo to ide cez nejakú elektroniku. Osobne si ale myslím, že tam bude nejaká štartovacia elektronika, pretože bez štartovania sa nezionizuje plyn vo vnútri a nebude to svietiť. Podobne ako klasická žiarivka. přátele

Edit:
Tak všetko je to súčasťou Balastu ( toho "trafa" ako si to nazval HaHaaa ), takže to môžeš pripojiť priamo na 12V (viď priložená schéma).
Chápeš! Pozor, pri štartovaní je tam dosť vysoké napätie Chápeš!

Ty potrebuješ D2R (R - reflector) - sú určené pre klasické svetlá s parabolou.
D2S (S - shielded) - sú určené pre svetlé s šošovkou.
Ja som kupoval tieto a som celkom spokojný: tudy odkaz


HID_schema.png

Zobrazení obrázku v plné velikosti.
HID_schema.png, 109.77 kB
   Návrat  
   Zobrazit informace o autorovi Osobní garáž Odeslat soukromou zprávu
Příspěvky: 568 1999 Accord Type-R  
Aqwertzz je teď offline  Aqwertzz
4 háčka
Členství: Žádné
PříspěvekZaslal: 25.5.2014 , 15:16   Citovat  

Tak parada funguje to, díky.
Další otazka je, jake jsou zarovky v mlhovkách, chci si koupit nahradu s ledkou cree.
A neskousel někdo cree ledku davat i do dálkovych svetel?
   Návrat  
   Zobrazit informace o autorovi Osobní garáž Odeslat soukromou zprávu
Příspěvky: 4936 1999 Accord Type-R  
spyda je teď offline  spyda
3 háčka
Členství: Žádné
PříspěvekZaslal: 26.5.2014 , 12:59   Citovat  

Nekupoval tu nekdo plisky k destickam na predek? Ve vsech katalogach je bud Trw Pfk448 nebo Qb 109-1278, ale ty plisky proste nesedej, viz foto.


IMG_20140522_193128.jpg

Zobrazení obrázku v plné velikosti.
IMG_20140522_193128.jpg, 1.43 MB
   Návrat  
   Zobrazit informace o autorovi Osobní garáž Odeslat soukromou zprávu
Příspěvky: 1208 1997 Civic Vti  
Aqwertzz je teď offline  Aqwertzz
4 háčka
Členství: Žádné
PříspěvekZaslal: 3.6.2014 , 21:56   Citovat  

Jediný den po lakování. Smutný Může jít znova. Smutný
Pachatel neznámy.


DSC05377.JPG

Zobrazení obrázku v plné velikosti.
DSC05377.JPG, 2.23 MB
   Návrat  
   Zobrazit informace o autorovi Osobní garáž Odeslat soukromou zprávu
Příspěvky: 4936 1999 Accord Type-R  
Stepa je teď offline  Stepa
4 háčka
Členství: Žádné
PříspěvekZaslal: 3.6.2014 , 22:32   Citovat  

To znám...nic si z toho nedělej je to dobrý Proto už na lak prdím...
   Návrat  
   Zobrazit informace o autorovi Osobní garáž Odeslat soukromou zprávu
Příspěvky: 4079 2006 FR-V  
Žemli je teď offline  Žemli
3 háčka
Členství: Žádné
PříspěvekZaslal: 19.6.2014 , 15:08   Citovat  

nezkoušel někdo renovovat koncovky origo výfuků?mam je celkem orezlý Smutný
   Návrat  
   Zobrazit informace o autorovi Osobní garáž Odeslat soukromou zprávu
Příspěvky: 1361 1999 Accord Type-R  
665+1 je teď offline  665+1
Administrátor
Členství: Žádné
PříspěvekZaslal: 19.6.2014 , 15:38   Citovat  

Aqwertzz napsal:
Jediný den po lakování. Smutný Může jít znova. Smutný
Pachatel neznámy.


to je neuvěřitelný ! super k nasraní. kolik tě stojí nárazník a do metly
   Návrat  
   Zobrazit informace o autorovi Osobní garáž Odeslat soukromou zprávu
Příspěvky: 5903 2000 Accord Type-R  
Aqwertzz je teď offline  Aqwertzz
4 háčka
Členství: Žádné
PříspěvekZaslal: 19.6.2014 , 19:29   Citovat  

Cca 3litry. Smutný
   Návrat  
   Zobrazit informace o autorovi Osobní garáž Odeslat soukromou zprávu
Příspěvky: 4936 1999 Accord Type-R  
Slivka je teď offline  Slivka
2 háčka
Členství: Žádné
PříspěvekZaslal: 20.6.2014 , 8:01   Citovat  

Aqwertzz napsal:
Tak parada funguje to, díky.
Další otazka je, jake jsou zarovky v mlhovkách, chci si koupit nahradu s ledkou cree.
A neskousel někdo cree ledku davat i do dálkovych svetel?


Tam idú H1, rovnako ako do diaľkových.
Problém je ale v tom, že hmlovky majú úzku dieru presne na žiarovku a vnútri kryciu čiapočku, tiež presne na žiarovku. Všetky LED náhrady čo som skúšal ja, boli príliš široké a nedokázal som ich dostať dnu a aj keby sa mi to podarilo, zavadzala by tam tá čiapočka.

Aqwertzz napsal:
Jediný den po lakování. Smutný Může jít znova. Smutný
Pachatel neznámy.


naštvanej naštvanej naštvanej
   Návrat  
   Zobrazit informace o autorovi Osobní garáž Odeslat soukromou zprávu
Příspěvky: 568 1999 Accord Type-R  
Slivka je teď offline  Slivka
2 háčka
Členství: Žádné
PříspěvekZaslal: 20.6.2014 , 8:03   Citovat  

Žemli napsal:
nezkoušel někdo renovovat koncovky origo výfuků?mam je celkem orezlý Smutný


Ja som kúpil nové v tuning shope tudy odkaz, pretože sa mi s tým nechcelo babrať a myslím, že vyzerajú lepšie ako origo kouř
   Návrat  
   Zobrazit informace o autorovi Osobní garáž Odeslat soukromou zprávu
Příspěvky: 568 1999 Accord Type-R  
Aqwertzz je teď offline  Aqwertzz
4 háčka
Členství: Žádné
PříspěvekZaslal: 20.6.2014 , 13:34   Citovat  

Tak to jsi mi mel napsat dříve. Úsměv Úsměv ja si ty led koupil a samozrejme je tam nedám. ÚsměvÚsměv
   Návrat  
   Zobrazit informace o autorovi Osobní garáž Odeslat soukromou zprávu
Příspěvky: 4936 1999 Accord Type-R  
Aqwertzz je teď offline  Aqwertzz
4 háčka
Členství: Žádné
PříspěvekZaslal: 28.7.2014 , 16:28   Citovat  

aqwertzz napsal:
Mám dotaz, dají se na ATR seštelovat ventily? nebo se to šteluje samo? Mám pocit jako by mi za studena ševelily.


drahoskrivinka napsal:
ventily musis seridit,myslim ze kazdych 40tkm


Můj servisák nemá tak dlouhé měrky jak by prý potreboval na tento motor. Nepůjčíte mi někdo? Nebo jaké bych měl koupit?
Stačí takové? tudy odkaz
   Návrat  
   Zobrazit informace o autorovi Osobní garáž Odeslat soukromou zprávu
Příspěvky: 4936 1999 Accord Type-R  
drahoskrivinka je teď offline  drahoskrivinka
1 háčko
Členství: Žádné
PříspěvekZaslal: 28.7.2014 , 19:26   Citovat  

Aqwertzz: tyhle měrky mám taky a jde to vpohodě.
   Návrat  
   Zobrazit informace o autorovi  Odeslat soukromou zprávu
Příspěvky: 227  
piskot246 je teď offline  piskot246
PříspěvekZaslal: 2.8.2014 , 15:36   Citovat  

Zdravím všechny hondaře,

potřebují poradit jel jsem s mojí hondou včera pijanko a zničeho nic mi přestal tahat motor a po chvíli zdechnul rozsvítila se žlutá kontrolka,na jednotce mi to hlasilo chybu (6 zablikala kontrolní dioda) tak jsem jí vyresetoval ale pořád nemohu nastartovat,neví někdo čím to muže být ? díky za rady typy Úsměv
   Návrat  
   Zobrazit informace o autorovi Osobní garáž Odeslat soukromou zprávu
Příspěvky: 25 1991 Civic  
Slivka je teď offline  Slivka
2 háčka
Členství: Žádné
PříspěvekZaslal: 2.8.2014 , 23:15   Citovat  

piskot246 napsal:
Zdravím všechny hondaře,

potřebují poradit jel jsem s mojí hondou včera pijanko a zničeho nic mi přestal tahat motor a po chvíli zdechnul rozsvítila se žlutá kontrolka,na jednotce mi to hlasilo chybu (6 zablikala kontrolní dioda) tak jsem jí vyresetoval ale pořád nemohu nastartovat,neví někdo čím to muže být ? díky za rady typy Úsměv

Vyblikaj si kód chyby a potom si to už ľahko nájdeš v manuály přátele
   Návrat  
   Zobrazit informace o autorovi Osobní garáž Odeslat soukromou zprávu
Příspěvky: 568 1999 Accord Type-R  
M@jk je teď offline  M@jk
Moderátor
Členství: Gold
PříspěvekZaslal: 3.8.2014 , 21:40   Citovat  

Žemli napsal:
nezkoušel někdo renovovat koncovky origo výfuků?mam je celkem orezlý Smutný


AHoj,
velmi jednoduše a rychle.

Pasta na kovy: AmWay Metal Cleaner a je to za pár minut jako nové. Dělal jsem to ex Wheelmanovic ATR a paráda.
   Návrat  
   Zobrazit informace o autorovi Osobní garáž Odeslat soukromou zprávu
Příspěvky: 17752 1992 Civic VTEC  
Aqwertzz je teď offline  Aqwertzz
4 háčka
Členství: Žádné
PříspěvekZaslal: 8.8.2014 , 20:43   Citovat  

Tak jsem dneska omotal svody. Hezky to vypadalo, než jsem zahřál motor Velmi šťastný Kouř, smrad a paska se zapekla.
10metru mi vystacilo leda na prvni díl. Ruku na svodech neudržím Velmi šťastný
Zítra to vyfotím thermo kamerou, škoda jen, že jsem to nevyfotil i před omotaním, pro porovnání.


DSC05682.JPG

Zobrazení obrázku v plné velikosti.
DSC05682.JPG, 2.17 MB

DSC05686.JPG

Zobrazení obrázku v plné velikosti.
DSC05686.JPG, 2.58 MB

DSC05688.JPG

Zobrazení obrázku v plné velikosti.
DSC05688.JPG, 2.58 MB

DSC05690.JPG

Zobrazení obrázku v plné velikosti.
DSC05690.JPG, 2.32 MB
   Návrat  
   Zobrazit informace o autorovi Osobní garáž Odeslat soukromou zprávu
Příspěvky: 4936 1999 Accord Type-R  
Aqwertzz je teď offline  Aqwertzz
4 háčka
Členství: Žádné
PříspěvekZaslal: 10.9.2014 , 22:44   Citovat  

Tak už došlo na kompletní repasi zadních brzd. Úsměv Zítra jdou na komaxit.
BTW nemate někdo schéma složení, abych to poskládal zpátky?


DSC05843.JPG

Zobrazení obrázku v plné velikosti.
DSC05843.JPG, 1.93 MB

DSC05846.JPG

Zobrazení obrázku v plné velikosti.
DSC05846.JPG, 2.31 MB
   Návrat  
   Zobrazit informace o autorovi Osobní garáž Odeslat soukromou zprávu
Příspěvky: 4936 1999 Accord Type-R  
drahoskrivinka je teď offline  drahoskrivinka
1 háčko
Členství: Žádné
PříspěvekZaslal: 11.9.2014 , 8:39   Citovat  

Máš to hezký, Já sem si ted pořídil na předek tyhle brzdičky . Brzdný účinek proti sérii je brutální.


20140910_094312.jpg

Zobrazení obrázku v plné velikosti.
20140910_094312.jpg, 273.84 kB

20140903_123130.jpeg

Zobrazení obrázku v plné velikosti.
20140903_123130.jpeg, 52.03 kB

20140908_160035.jpg

Zobrazení obrázku v plné velikosti.
20140908_160035.jpg, 258.48 kB
   Návrat  
   Zobrazit informace o autorovi  Odeslat soukromou zprávu
Příspěvky: 227  
Žemli je teď offline  Žemli
3 háčka
Členství: Žádné
PříspěvekZaslal: 14.9.2014 , 15:39   Citovat  

včera jsem narazil na nějaký stoletý fotky když bylo ATR nový a všimnul jsem si že byli nějaký origo samolepky pod bočníma blinkrama.netuší někdo jaké to byli?
   Návrat  
   Zobrazit informace o autorovi Osobní garáž Odeslat soukromou zprávu
Příspěvky: 1361 1999 Accord Type-R  
makak je teď offline  makak
1 háčko
PříspěvekZaslal: 14.9.2014 , 15:49  Naposledy upravil makak dne 14.9.2014 , 16:35, celkově upraveno 1 krát. Citovat  

Kazde poface atr ma Vtec 3dlogo nad prednymi blinkrami na blatnikoch


WP_20140914_001.jpg

Zobrazení obrázku v plné velikosti.
WP_20140914_001.jpg, 1.71 MB
   Návrat  
   Zobrazit informace o autorovi  Odeslat soukromou zprávu
Příspěvky: 157  

  Obsah fóra Honda-club.cz   
Rady, tipy ATR
Fórum: Pokec o autech
Zobrazit příspěvky z předchozích:
 Řadit příspěvky dle: 
Jdi na stránku Předchozí  1, 2, 3 ... 36, 37, 38 ... 41, 42, 43  Další 
Zaslat odpověď



 Časy uváděny v GMT + 1 hodina  
    
Nemůžete odesílat nové téma do tohoto fóra.
Nemůžete odpovídat na témata v tomto fóru.
Nemůžete upravovat své příspěvky v tomto fóru.
Nemůžete mazat své příspěvky v tomto fóru.
Nemůžete hlasovat v tomto fóru.
Můžete k příspěvkům připojovat soubory
Můžete stahovat a prohlížet přiložené soubory
Nemůžete moderovat Vaše témata v tomto fóru.



Board Security

(104575 útoků)
::  www.honda-club.cz  :: Témata RSS TOPlist

[ Čas: 1.3951s ][ Dotazy: 147 (1.1895s) ][ GZIP on - Debug on ]